GM Service Manual Online
For 1990-2009 cars only
Makes
🢒
Chevrolet
🢒
2004
🢒
Chevy Suburban - 4WD
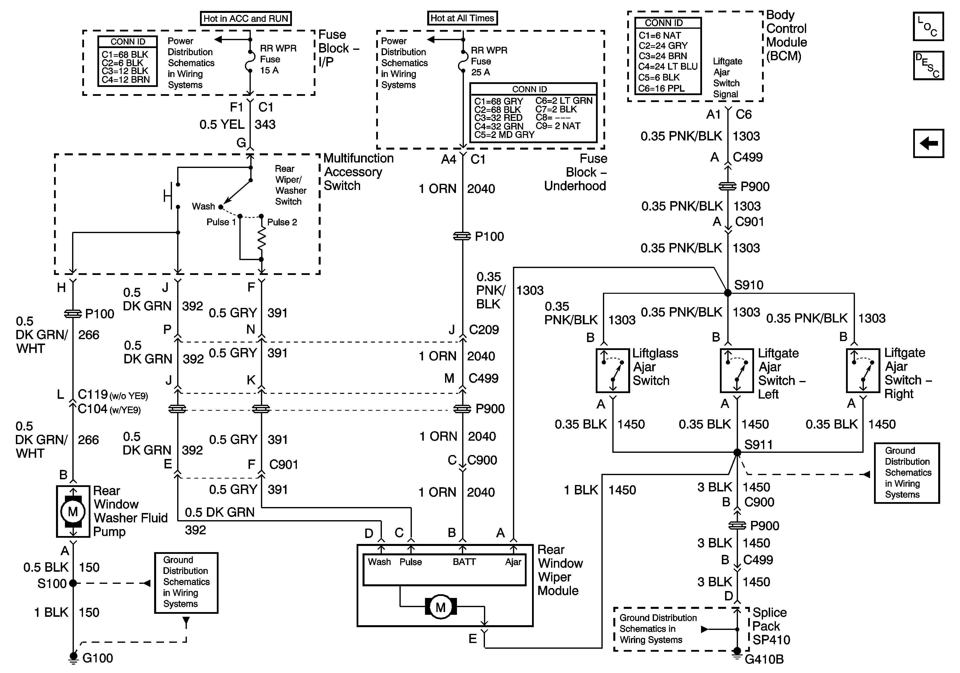
🢒 Rear Wiper/Washer Control
Rear Wiper/Washer Control
Rear Wiper/Washer Control
Master Electrical Component List
Wiper/Washer System Description and Operation
04 Front Wiper/Washer Control - 2 of 2
IGN 0, TBC IGN 0, TBC ACCY, SEO ACCY, W/S WPR, RR WPR Fuses
B+ Bus - 1 of 2
G100, G101, G105, G106
G410 - 1 of 3
G410 - 2 of 3