GM Service Manual Online
For 1990-2009 cars only
Makes
🢒
Chevrolet
🢒
2004
🢒
Chevy Suburban - 4WD
🢒 Rear - Export Only
Rear - Export Only
Rear - Export Only
Master Electrical Component List
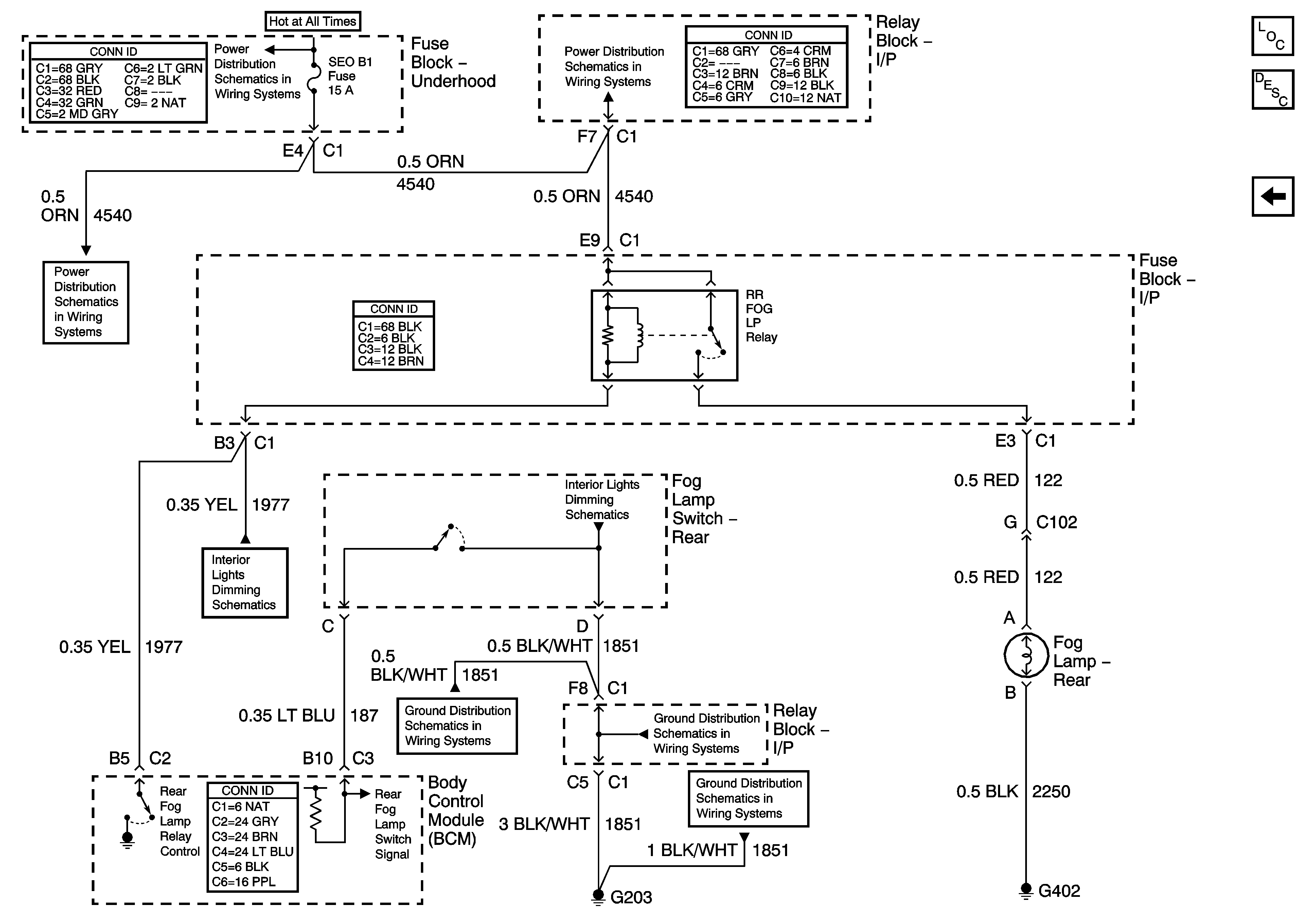
Exterior Lighting Systems Description and Operation
Front
B+ Bus - 1 of 2
RTD, RR WPR, EAP, SUNROOF Fuses
RTD, RR WPR, EAP, SUNROOF Fuses
LED Dimming Supply Voltage - 1 of 2
I/P Dimming Supply Voltage - 2 of 7
G203 - 2 of 3
G203 - 1 of 3
G203 - 1 of 3