GM Service Manual Online
For 1990-2009 cars only
Makes
🢒
Chevrolet
🢒
2004
🢒
Chevy Suburban - 4WD
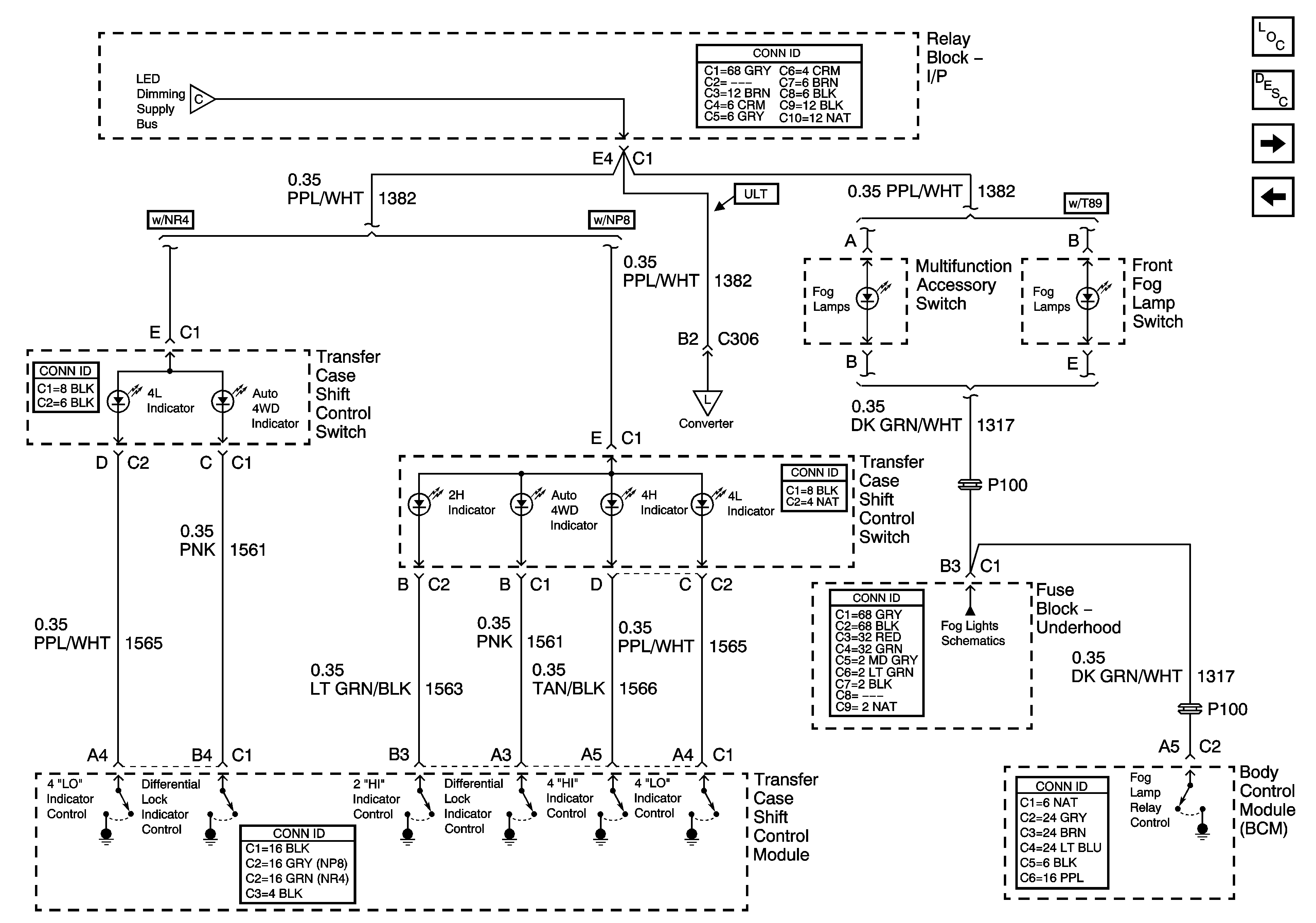
🢒 LED Dimming Supply Voltage - 2 of 2
LED Dimming Supply Voltage - 2 of 2
LED Dimming Supply Voltage - 2 of 2
Master Electrical Component List
Interior Lighting Systems Description and Operation
I/P Dimming Supply Voltage - 1 of 7
LED Dimming Supply Voltage - 1 of 2
LED Dimming Supply Voltage - 1 of 2
Front