GM Service Manual Online
For 1990-2009 cars only
Makes
🢒
Chevrolet
🢒
2004
🢒
Chevy Suburban - 4WD
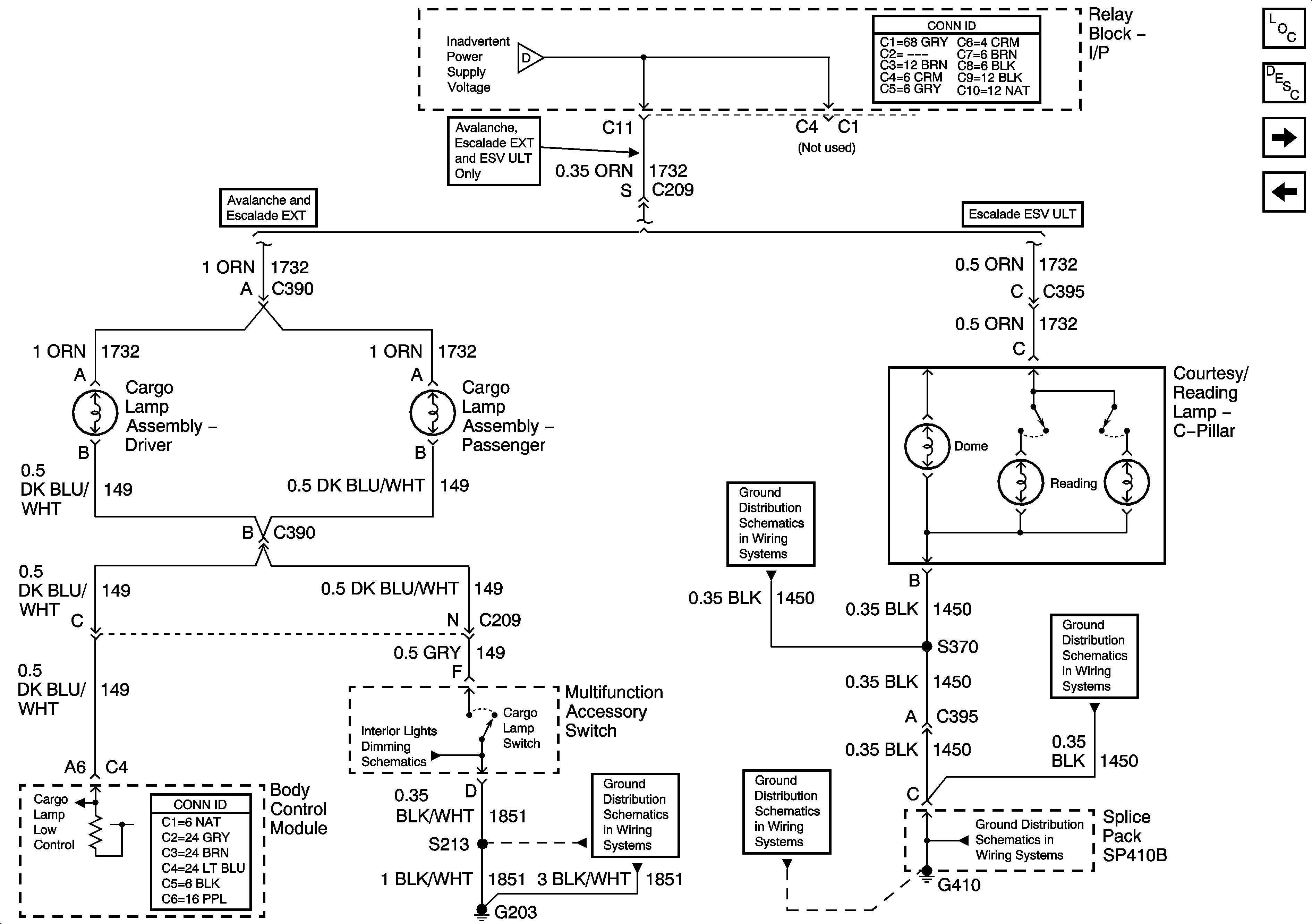
🢒 Inadvertent Power Supply Voltage - 3 of 3
Inadvertent Power Supply Voltage - 3 of 3
Inadvertent Power Supply Voltage - 3 of 3
Master Electrical Component List
Interior Lighting Systems Description and Operation
Courtesy Lamp Supply Voltage - 2 of 4
Inadvertent Power Supply Voltage - 2 of 3
Inadvertent Power Supply Voltage - 2 of 3
I/P Dimming Supply Voltage - 3 of 7
G203 - 1 of 3
G410 - 3 of 3
G410 - 1 of 3
G410 - 1 of 3
G410 - 1 of 3