GM Service Manual Online
For 1990-2009 cars only
Makes
🢒
Chevrolet
🢒
2004
🢒
Chevy Suburban - 4WD
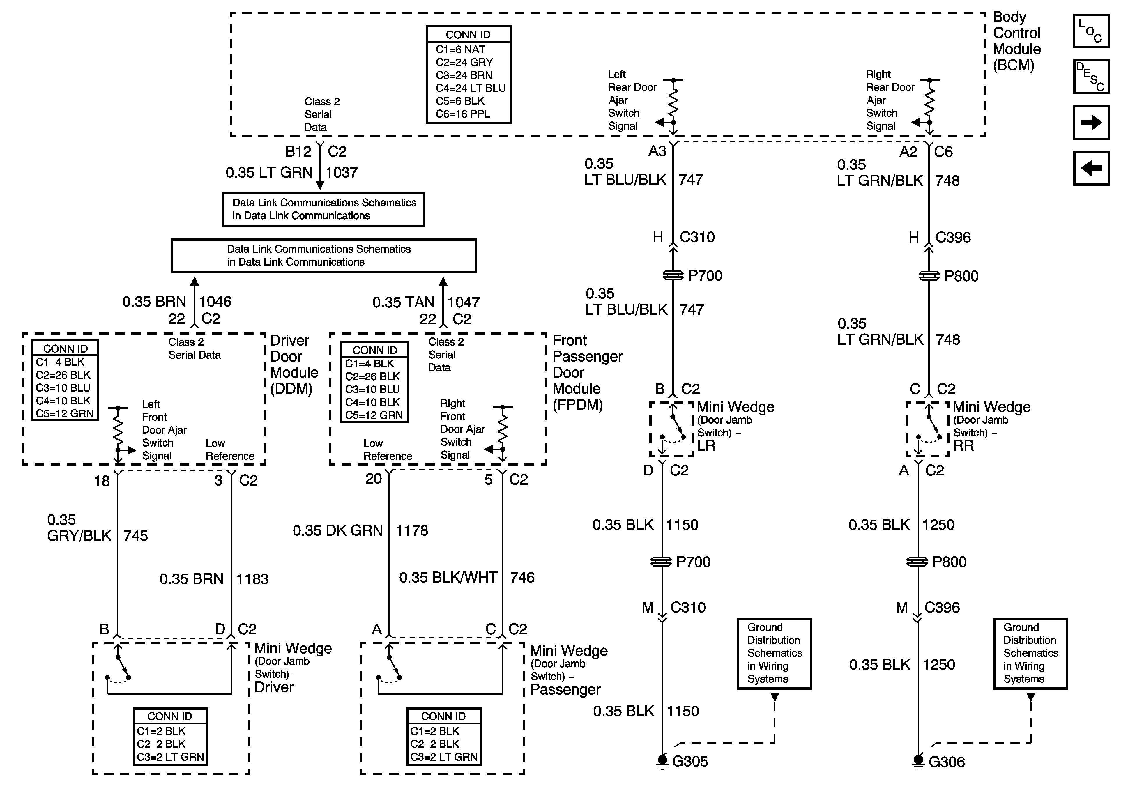
🢒 Door Jamb Switches - 1 of 2
Door Jamb Switches - 1 of 2
Door Jamb Switches - 1 of 2
Master Electrical Component List
Interior Lighting Systems Description and Operation
Door Jamb Switches - 2 of 2
Courtesy Lamp Supply Voltage - 4 of 4
SP205 - 2 of 2
SP205 - 1 of 2
G304, G305
G306