GM Service Manual Online
For 1990-2009 cars only
Makes
🢒
Chevrolet
🢒
2004
🢒
Chevy Suburban - 4WD
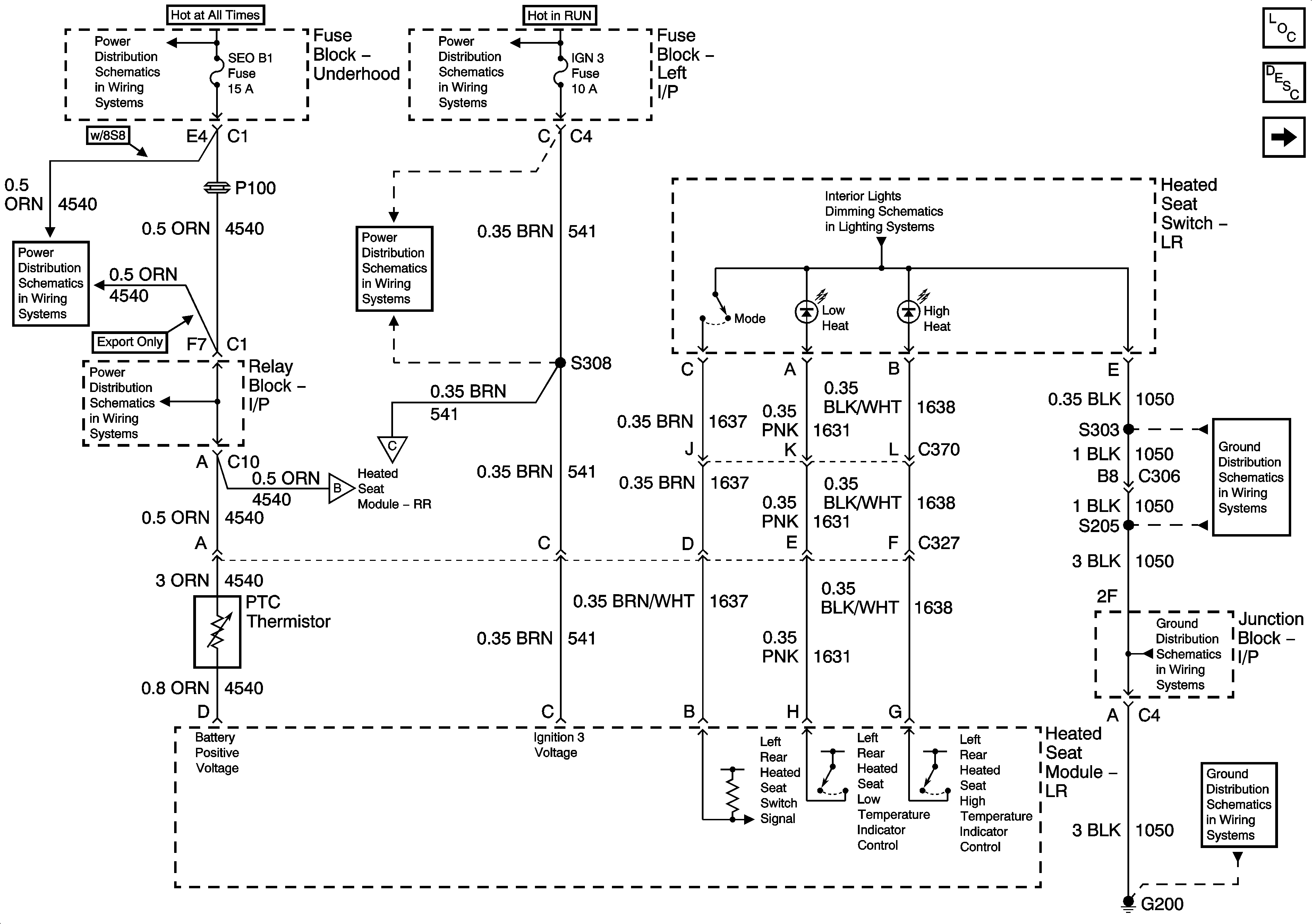
🢒 Rear Heated Seats - 1 of 3
Rear Heated Seats - 1 of 3
Rear Heated Seats - 1 of 3
Master Electrical Component List
Heated Seats Description and Operation Front
Rear Heated Seats - 2 of 3
B+ Bus - 1 of 2
Ignition Switch - START, and RUN Bus Bars
RTD, RR WPR, EAP, SUNROOF Fuses
IGN 3 Fuse - 1 of 2
RTD, RR WPR, EAP, SUNROOF Fuses
Rear Heated Seats - 3 of 3
G200 - 2 of 3
G200 - 2 of 3
G200 - 1 of 3