GM Service Manual Online
For 1990-2009 cars only
Figure 1:

Module Power, Ground, Serial Data, and MIL


Object Number: 1553785  Size: FS
Master Electrical Component List
Powertrain Control Module Description
Control Module References
Engine Data Sensors - 5-Volt and Low Reference
Engine Controls Schematic Icons
G104 and G107
B+ Bus - 1 of 2
AUX PWR, AUX PWR 2, DDM, ECC, LBEC 2, LOCKS, PCM B, and PDM Fuses
Ignition Switch - ACCY/RUN/START, RUN, and START Busses, IGN A and CRANK Fuses
IGN 1 Relay Bus - 1 of 2 - ETC/ECM, PCM I, and SBA Fuses - Complete; INJ 1 and INJ 2 Fuses - Except L18
IGN 0, RR WPR, SEO ACCY, TBC ACCY, TBC IGN 0, and WS WPR Fuses
IGN 0, RR WPR, SEO ACCY, TBC ACCY, TBC IGN 0, and WS WPR Fuses
IGN 0, RR WPR, SEO ACCY, TBC ACCY, TBC IGN 0, and WS WPR Fuses
G104 and G107
G102 and G103
G102 and G103
Power, Ground, DLC, and Splice Pack SP205
Figure 2:

Engine Data Sensors - 5-Volt and Low Reference


Object Number: 1542623  Size: FS
Master Electrical Component List
Powertrain Control Module Description
Control Module References
Engine Data Sensors - Pressure, Temperature, MAF, and VSS
Module Power, Ground, Serial Data, and MIL
Engine Controls Schematic Icons
Figure 3:

Engine Data Sensors - Pressure, Temperature, MAF, and VSS


Object Number: 1553786  Size: FS
Master Electrical Component List
Air Intake System Description
Control Module References
Engine Data Sensors - Oxygen Sensors
Engine Data Sensors - 5-Volt and Low Reference
Engine Controls Schematic Icons
Pressure Controls, Temperature, and VSS
Driver Information Center
IGN 1 Relay Bus - 1 of 2 - ETC/ECM, PCM I, and SBA Fuses - Complete; INJ 1 and INJ 2 Fuses - Except L18
Module Power, Ground, Serial Data, and MIL
IGN 1 Relay Bus - 1 of 2 - ETC/ECM, PCM I, and SBA Fuses - Complete; INJ 1 and INJ 2 Fuses - Except L18
G102 and G103
Figure 4:

Engine Data Sensors - Oxygen Sensors


Object Number: 1580632  Size: FS
Master Electrical Component List
Powertrain Control Module Description
Control Module References
Engine Data Sensors - Electronic Throttle Control
Engine Data Sensors - Pressure, Temperature, MAF, and VSS
Engine Controls Schematic Icons
Ignition Switch - ACCY/RUN and RUN/START Busses, and IGN B Fuse
G102 and G103
Figure 5:

Engine Data Sensors - Electronic Throttle Controls


Object Number: 1538792  Size: FS
Master Electrical Component List
Throttle Actuator Control (TAC) System Description
Control Module References
Ignition Controls - Ignition System Coils 1, 3, 5, and 7
Engine Data Sensors - Oxygen Sensors
Engine Controls Schematic Icons
Module Power, Ground, Serial Data, and MIL
Power, Cruise Control Switch, and Stop Lamp Feed
Stop Lamps - 1 of 2
G104 and G107
Figure 6:

Ignition Controls - Ignition System Coils 1, 3, 5, and 7


Object Number: 1542626  Size: FS
Master Electrical Component List
Electronic Ignition (EI) System Description
Control Module References
Ignition Controls - Ignition System Coils 2, 4, 6, and 8
Engine Data Sensors - Electronic Throttle Control
Engine Controls Schematic Icons
Module Power, Ground, Serial Data, and MIL
IGN 1 Relay Bus - 1 of 2 - ETC/ECM, PCM I, and SBA Fuses - Complete; INJ 1 and INJ 2 Fuses - Except L18
G102 and G103
Figure 7:

Ignition Controls - Ignition System Coils 2, 4, 6, and 8


Object Number: 1542627  Size: FS
Master Electrical Component List
Electronic Ignition (EI) System Description
Control Module References
Ignition Controls - Sensors
Ignition Controls - Ignition System Coils 1, 3, 5, and 7
Engine Controls Schematic Icons
Module Power, Ground, Serial Data, and MIL
IGN 1 Relay Bus - 1 of 2 - ETC/ECM, PCM I, and SBA Fuses - Complete; INJ 1 and INJ 2 Fuses - Except L18
G102 and G103
Figure 8:

Ignition Controls - Sensors


Object Number: 1542629  Size: FS
Master Electrical Component List
Knock Sensor (KS) System Description
Control Module References
Fuel Controls - Fuel Pump Controls
Ignition Controls - Ignition System Coils 2, 4, 6, and 8
Engine Controls Schematic Icons
Indicators
Figure 9:

Fuel Controls - Fuel Pump Controls


Object Number: 1553317  Size: FS
Master Electrical Component List
Fuel System Description Pickup and Utility
Control Module References
Fuel Controls - Fuel Injectors
Ignition Controls - Sensors
Engine Controls Schematic Icons
G104 and G107
B+ Bus - 1 of 2
AUX PWR, AUX PWR 2, DDM, ECC, LBEC 2, LOCKS, PCM B, and PDM Fuses
Module Power, Ground, Serial Data, and MIL
Fuel Gage
G104 and G107
G101 and G110
Figure 10:

Fuel Controls - Fuel Injectors


Object Number: 1542630  Size: FS
Master Electrical Component List
Fuel System Description Pickup and Utility
Control Module References
Fuel Controls - EVAP Controls
Fuel Controls - Fuel Pump Controls
Engine Controls Schematic Icons
Module Power, Ground, Serial Data, and MIL
G102 and G103
Figure 11:

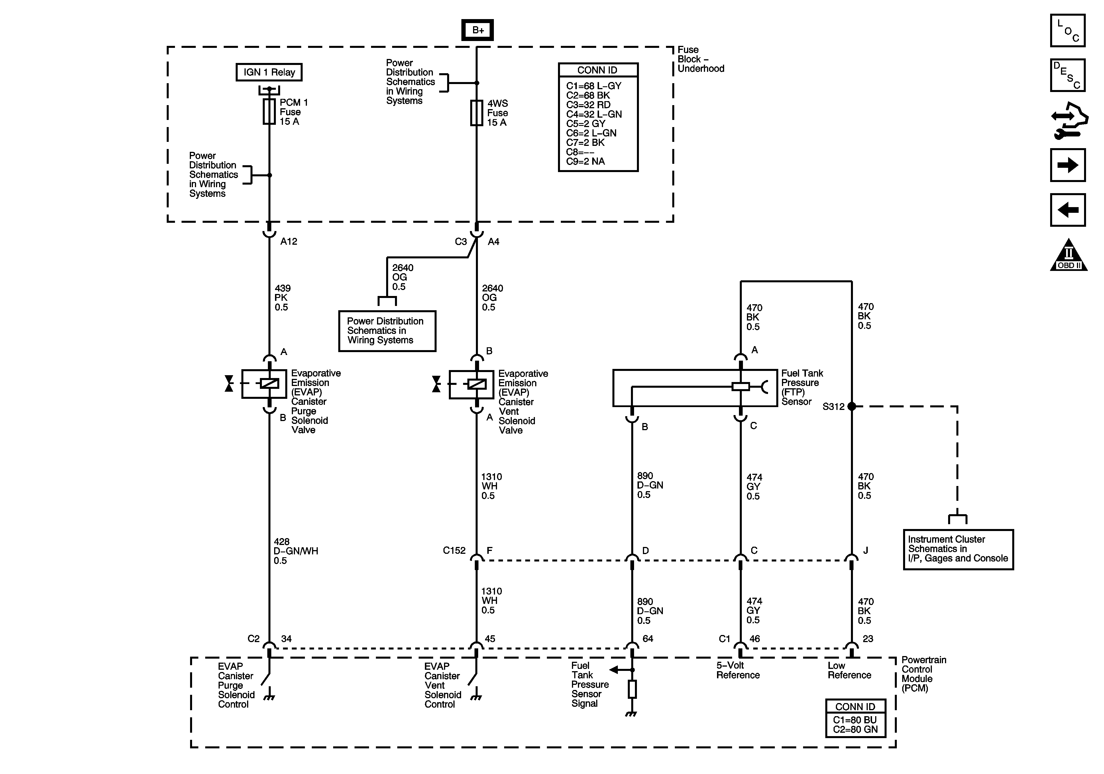
Fuel Controls - EVAP Controls


Object Number: 1553787  Size: FS
Master Electrical Component List
Evaporative Emission Control System Description
Control Module References
Transmission and Controlled/Monitored Subsystem References
Fuel Controls - Fuel Injectors
Engine Controls Schematic Icons
Module Power, Ground, Serial Data, and MIL
B+ Bus - 1 of 2
G102 and G103
RR WPR, STOP LP, TREC, VEH CHMSL, VEH STOP, and 4WS Fuses
Fuel Gage
Figure 12:

Transmission and Controlled/Monitored Subsystem References


Object Number: 1553788  Size: FS
Master Electrical Component List
Evaporative Emission Control System Description
Control Module References
Fuel Controls - EVAP Controls
Engine Controls Schematic Icons
Power, Ground, Serial Data, and Stop Lamp Switch - w/JL4
Brake Warning System Schematics
Starting
Gages
Shift Motor and Encoder Circuits
Charging (L18 or NYS)
Traction Control Switch and Precharge Pump - w/JL4
Power, Ground, Serial Data, and Wheel Speed Sensors - w/o JL4
A/C Compressor Control
A/C Compressor Control
Indicators
Power, Ground, Serial Data, and Stop Lamp Switch - w/JL4
Engine Coolant Level Switch - L18
Power, Ground, and Serial Data
Shift Controls and Stop Lamp Switch
Pressure Controls, Temperature, and VSS
Pressure Controls, Temperature, and VSS
PNP Switch, 4WD Signal, Tow/Haul, Serial Data, and Indicator
Pressure Controls, Temperature, and VSS