GM Service Manual Online
For 1990-2009 cars only
Figure 1:

Power, Ground, and Serial Data


Object Number: 1463689  Size: FS
Master Electrical Component List
Air Delivery Description and Operation
Control Module References
Front Blower Controls
BRAKE, CRUISE, IGN 2, HTR/AC, HVAC 1, and 4WD Fuses
Mode Actuator and Recirculation Door Controls
BLOWER, FLASH, HVAC/ECAS, LBEC 1, RR DEFOG, RR HVAC, TBC 2A, TBC 2B, and TBC 2C Fuses, and LT DOOR Breaker
Power, Ground, DLC, and Splice Pack SP205
G203 - 1 of 3
Figure 2:

Front Blower Controls


Object Number: 1463690  Size: FS
Master Electrical Component List
Air Delivery Description and Operation
Control Module References
Front Left and Right Temperature Controls
Power, Ground, and Serial Data
BRAKE, CRUISE, IGN 2, HTR/AC, HVAC 1, and 4WD Fuses
BLOWER, FLASH, HVAC/ECAS, LBEC 1, RR DEFOG, RR HVAC, TBC 2A, TBC 2B, and TBC 2C Fuses, and LT DOOR Breaker
G200 - 1 of 3
Figure 3:

Front Left and Right Temperature Control


Object Number: 1463691  Size: FS
Master Electrical Component List
Air Temperature Description and Operation
Control Module References
Mode Actuator and Recirculation Door Controls
Front Blower Controls
Mode Actuator and Recirculation Door Controls
Mode Actuator and Recirculation Door Controls
Mode Actuator and Recirculation Door Controls
Mode Actuator and Recirculation Door Controls
Figure 4:

Mode Actuator and Recirculation Door Controls


Object Number: 1463692  Size: FS
Master Electrical Component List
Air Delivery Description and Operation
Control Module References
Auxiliary HVAC, Long Wheelbase w/C36 and C69- 1 of 2
Front Left and Right Temperature Controls
Front Left and Right Temperature Controls
Front Left and Right Temperature Controls
Power, Ground, and Serial Data
Front Left and Right Temperature Controls
G200 - 1 of 3
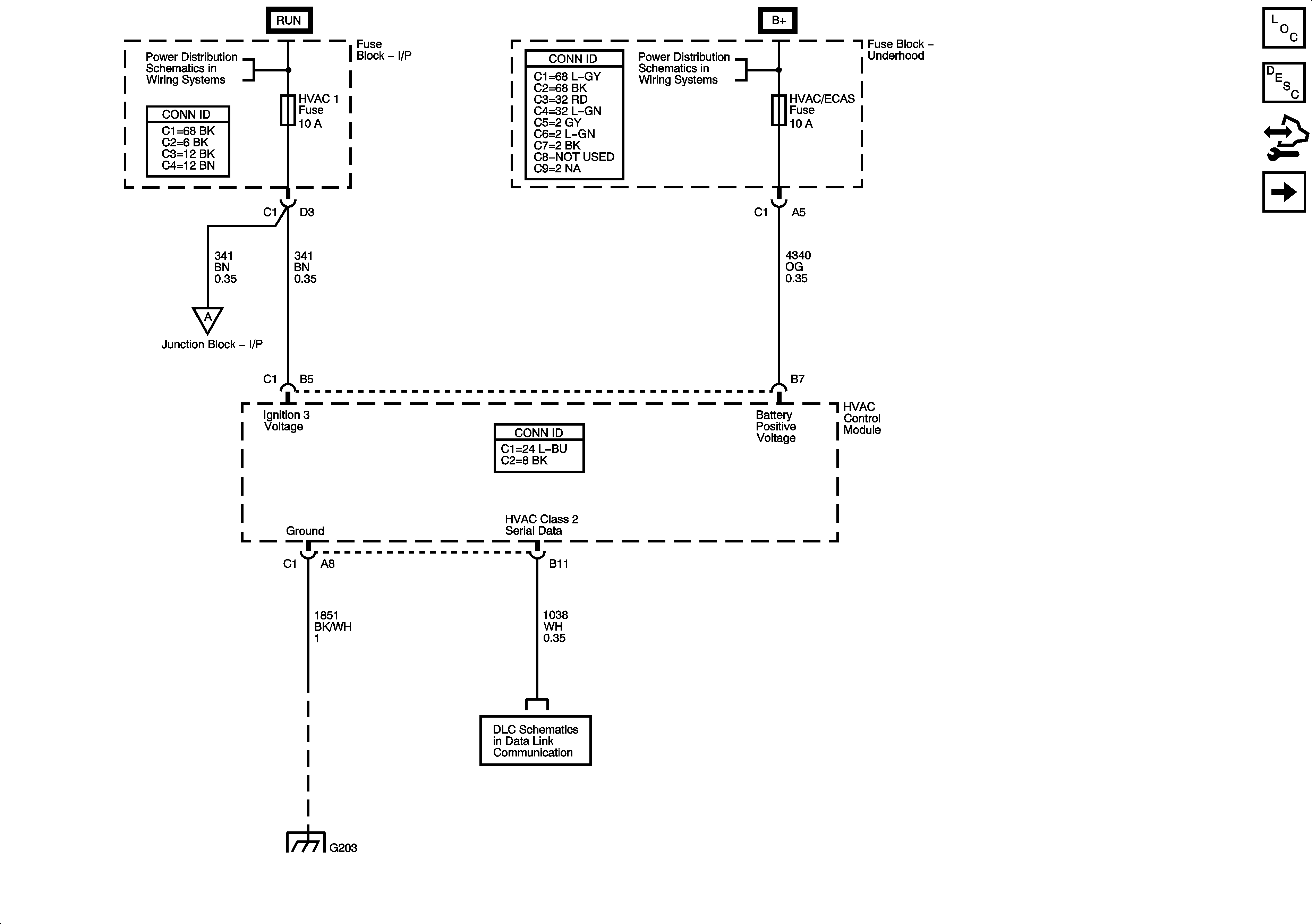
Figure 5:

Auxiliary HVAC, Long Wheelbase w/C36 and C69 -- 1 of 2


Object Number: 1463693  Size: FS
Master Electrical Component List
Air Delivery Description and Operation
Control Module References
Auxiliary HVAC, Long Wheelbase w/C36 and C69- 2 of 2
Mode Actuator and Recirculation Door Controls
B+ Bus - 1 of 2
Ignition Switch - ACCY/RUN/START, RUN, and START Busses, IGN A and CRANK Fuses
IGN 3 Fuse - 1 of 2
Auxiliary HVAC, Long Wheelbase w/C36 and C69- 2 of 2
I/P Dimming Supply Voltage - 7 of 8
I/P Dimming Supply Voltage - 7 of 8
G410 - 2 of 3 Auxiliary HVAC, Long Wheelbase
G410 - 2 of 3 Auxiliary HVAC, Long Wheelbase
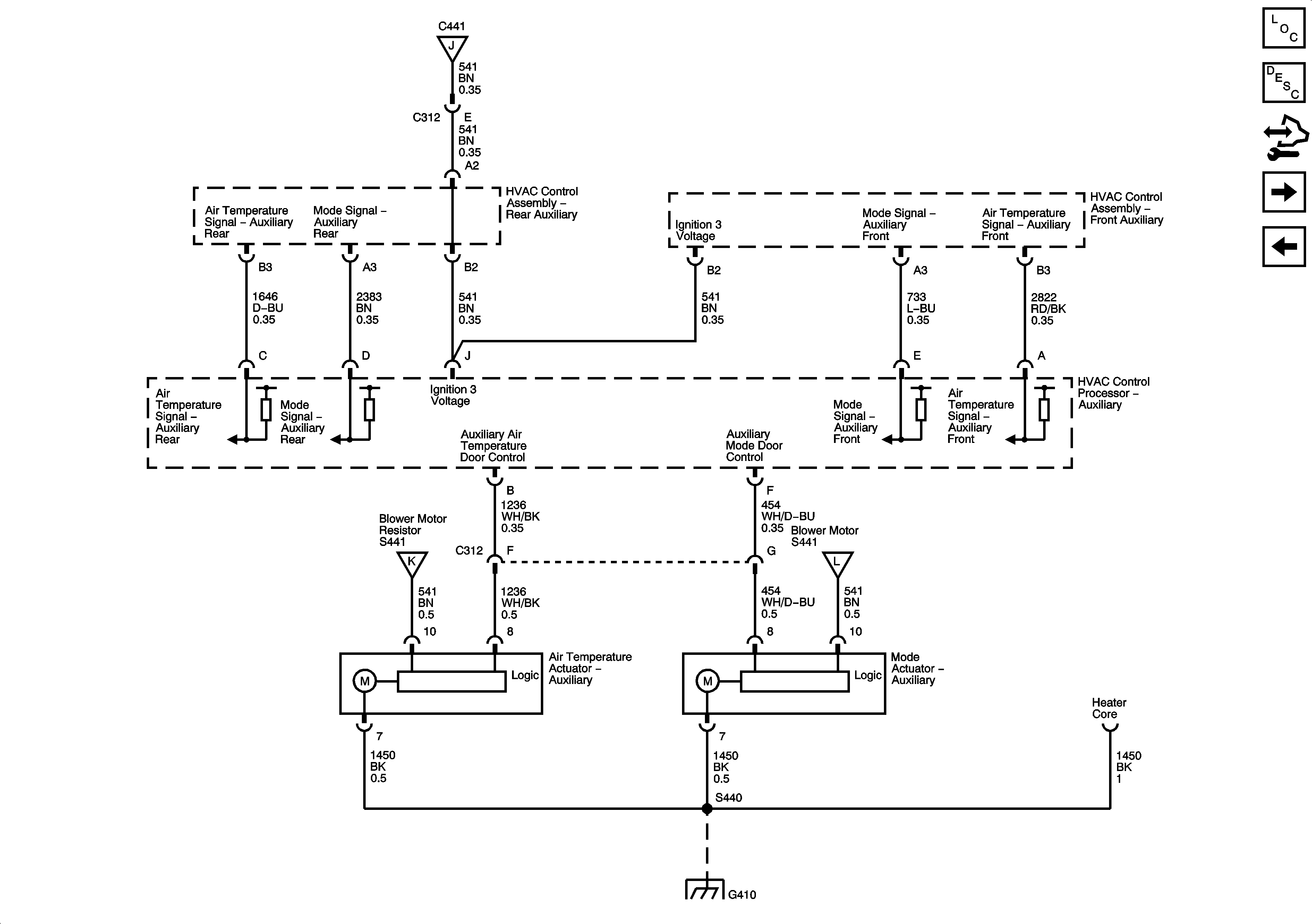
Figure 6:

Auxiliary HVAC, Long Wheelbase w/C36 and C69 -- 2 of 2


Object Number: 1463695  Size: FS
Master Electrical Component List
Air Delivery Description and Operation
Control Module References
Auxiliary Blower Control - Long Wheelbase w/ C69
Auxiliary HVAC, Long Wheelbase w/C36 and C69- 1 of 2
Auxiliary HVAC, Long Wheelbase w/C36 and C69- 1 of 2
Auxiliary HVAC, Long Wheelbase w/C36 and C69- 1 of 2
G410 - 2 of 3 Auxiliary HVAC, Long Wheelbase
G410 1 of 3
Auxiliary HVAC, Long Wheelbase w/C36 and C69- 1 of 2
Figure 7:

Auxiliary Blower Control -- Long Wheelbase w/C69 only


Object Number: 1463699  Size: FS
Master Electrical Component List
Air Delivery Description and Operation
Control Module References
Auxiliary HVAC, Short Wheelbase w/C36 and C69 - 1 of 2
Auxiliary HVAC, Long Wheelbase w/C36 and C69- 2 of 2
BLOWER, FLASH, HVAC/ECAS, LBEC 1, RR DEFOG, RR HVAC, TBC 2A, TBC 2B, and TBC 2C Fuses, and LT DOOR Breaker
Ignition Switch - ACCY/RUN/START, RUN, and START Busses, IGN A and CRANK Fuses
IGN 3 Fuse - 1 of 2
I/P Dimming Supply Voltage - 7 of 8
I/P Dimming Supply Voltage - 7 of 8
G410 - 2 of 3 Auxiliary HVAC, Long Wheelbase
Figure 8:

Auxiliary HVAC, Short Wheelbase w/C36 and C69 -- 1 of 2


Object Number: 1582953  Size: FS
Master Electrical Component List
Air Delivery Description and Operation
Control Module References
200Auxiliary HVAC, Short Wheelbase w/C36 and C69 - 2 of 2
Auxiliary Blower Control - Long Wheelbase w/ C69
B+ Bus - 1 of 2
Ignition Switch - ACCY/RUN/START, RUN, and START Busses, IGN A and CRANK Fuses
IGN 3 Fuse - 1 of 2
200Auxiliary HVAC, Short Wheelbase w/C36 and C69 - 2 of 2
I/P Dimming Supply Voltage - 7 of 8
I/P Dimming Supply Voltage - 7 of 8
G410 1 of 3
Figure 9:

Auxiliary HVAC, Short Wheelbase w/C36 and C69 -- 2 of 2


Object Number: 1582954  Size: FS
Master Electrical Component List
Master Electrical Component List
Air Delivery Description and Operation
Control Module References
2005 CK800 UtilAuxiliary Blower Control - Short Wheelbase w/C69
Auxiliary HVAC, Short Wheelbase w/C36 and C69 - 1 of 2
Auxiliary HVAC, Short Wheelbase w/C36 and C69 - 1 of 2
Auxiliary HVAC, Short Wheelbase w/C36 and C69 - 1 of 2
G410 1 of 3
Auxiliary HVAC, Short Wheelbase w/C36 and C69 - 1 of 2
Figure 10:

Auxiliary Blower Control -- Short Wheelbase w/C69 Only


Object Number: 1582955  Size: FS
Master Electrical Component List
Air Delivery Description and Operation
Control Module References
A/C Compressor Control
200Auxiliary HVAC, Short Wheelbase w/C36 and C69 - 2 of 2
BLOWER, FLASH, HVAC/ECAS, LBEC 1, RR DEFOG, RR HVAC, TBC 2A, TBC 2B, and TBC 2C Fuses, and LT DOOR Breaker
Ignition Switch - ACCY/RUN/START, RUN, and START Busses, IGN A and CRANK Fuses
IGN 3 Fuse - 1 of 2
I/P Dimming Supply Voltage - 7 of 8
I/P Dimming Supply Voltage - 7 of 8
G410 3 of 3 Aux. HVAC Short Wheelbase
Figure 11:

A/C Compressor Controls


Object Number: 1463703  Size: FS
Master Electrical Component List
Air Delivery Description and Operation
Control Module References
2005 CK800 UtilAuxiliary Blower Control - Short Wheelbase w/C69
B+ Bus - 1 of 2
IGN E and SIR Fuses
Power, Ground, DLC, and Splice Pack SP205
G104 and G107