GM Service Manual Online
For 1990-2009 cars only
Figure 1:

Rear Object Sensor Control Module, RPA Display, and RPA Disable Switch


Object Number: 1465191  Size: FS
Master Electrical Component List
Object Detection Description and Operation
Control Module References
Rear Object Sensor Control Module and Object Sensors
BTSI, B/U LP, O2A, O2B, SEO IGN, TBC IGN 1, and TRL B/U Fuses
Ignition Switch - ACCY/RUN and RUN/START Busses, and IGN B Fuse
BTSI, B/U LP, O2A, O2B, SEO IGN, TBC IGN 1, and TRL B/U Fuses
Backup Lamps
Gages
Dimming Control and LED DImming Supply Voltage - 1 of 2
I/P Dimming Supply Voltage - 6 of 8
G203 - 1 of 3
G410 1 of 3
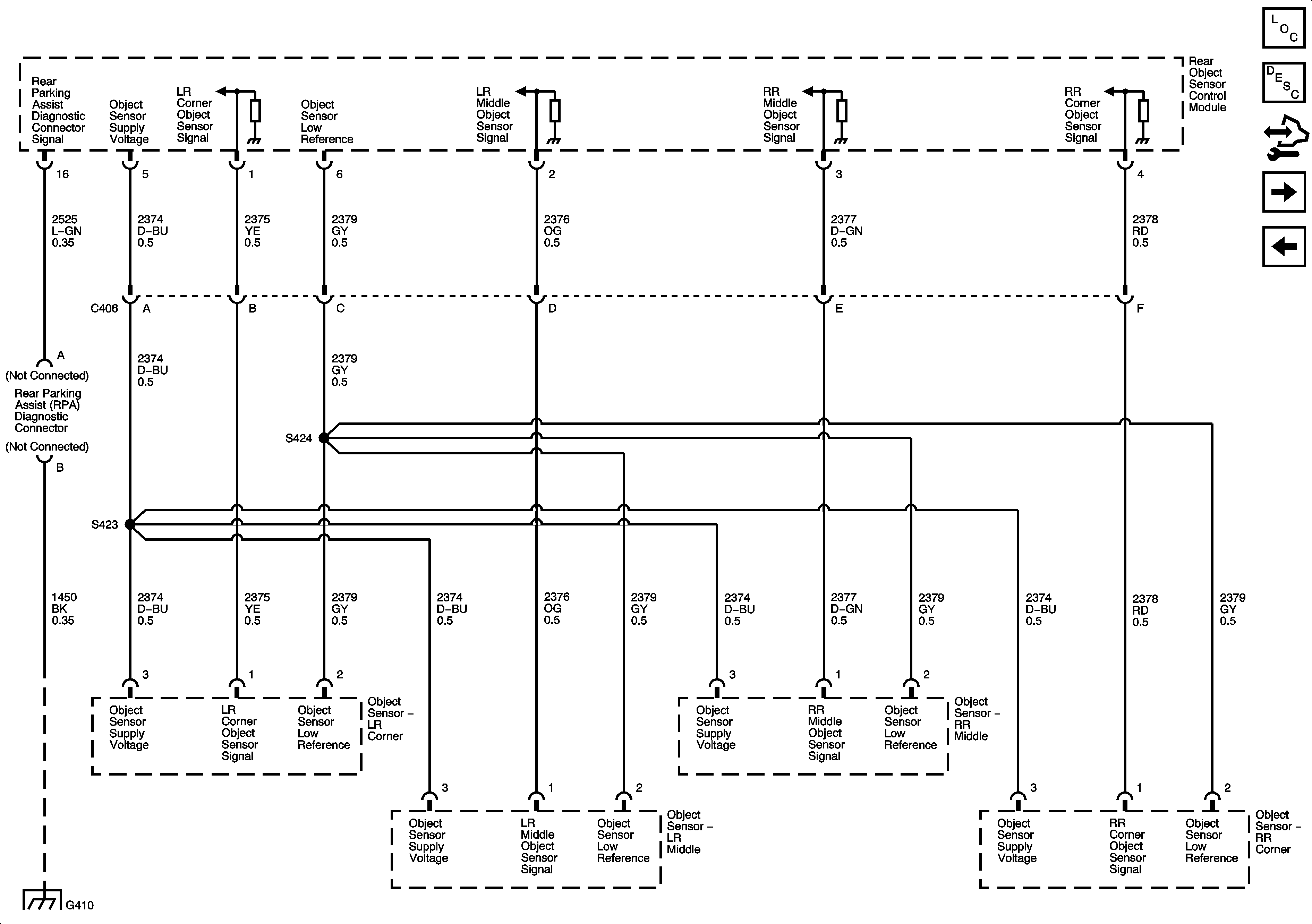
Figure 2:

Rear Object Sensor Control Module and Object Sensors


Object Number: 1465192  Size: FS
Master Electrical Component List
Object Detection Description and Operation
Control Module References
Rear Object Sensor Control Module, RPA Display, and RPA Disable Switch - Escalade EXT
Rear Object Sensor Control Module, RPA Display, and RPA Disable Switch
G410 1 of 3
Figure 3:

Rear Object Sensor Control Module, RPA Display and Disable Switch -- Escalade EXT


Object Number: 1563158  Size: FS
Master Electrical Component List
Object Detection Description and Operation
Control Module References
Rear Object Sensor Control Module and Object Sensors - Escalade EXT
Rear Object Sensor Control Module and Object Sensors
BTSI, B/U LP, O2A, O2B, SEO IGN, TBC IGN 1, and TRL B/U Fuses
Ignition Switch - ACCY/RUN and RUN/START Busses, and IGN B Fuse
Backup Lamps
Gages
Dimming Control and LED DImming Supply Voltage - 1 of 2
I/P Dimming Supply Voltage - 6 of 8
G203 - 1 of 3
G306
Figure 4:

Rear Object Sensor Control Module and Object Sensors -- Escalade EXT


Object Number: 1563159  Size: FS
Master Electrical Component List
Object Detection Description and Operation
Control Module References
Rear Object Sensor Control Module, RPA Display, and RPA Disable Switch - Escalade EXT
G306