GM Service Manual Online
For 1990-2009 cars only
Makes
🢒
Chevrolet
🢒
2005
🢒
Chevy Suburban - 4WD
🢒
Suspension
🢒
Automatic Level Control
🢒 Automatic Level Control Schematics
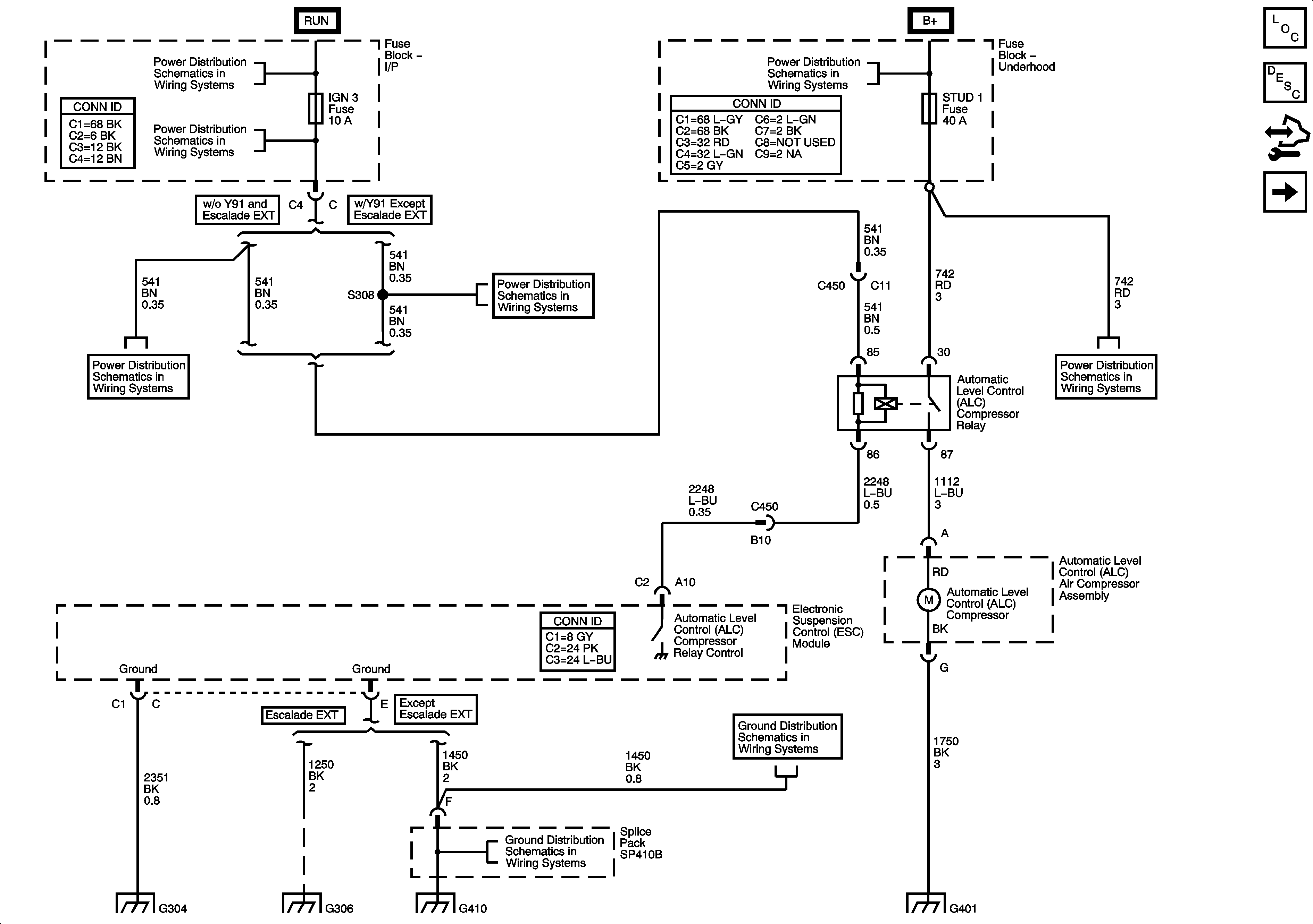
Figure
1:
Compressor Motor Control
Master Electrical Component List
Automatic Level Control Description and Operation
Control Module References
Suspension Level Control
Ignition Switch - ACCY/RUN/START, RUN, and START Busses, IGN A and CRANK Fuses
IGN 3 Fuse - 1 of 2
IGN 3 Fuse - 1 of 2
IGN 3 Fuse - 1 of 2
B+ Bus - 1 of 2
ABS, MBEC 1, RTD, STUD 2, and VSES/ECAS Fuses; RT DOORS and SEATS Circuit Breakers
G401 and G402
G410 1 of 3
G410 1 of 3
G410 1 of 3
G306
G304 and G305
Figure
2:
Suspension Level Control
Master Electrical Component List
Automatic Level Control Description and Operation
Control Module References
Compressor Motor Control
B+ Bus - 1 of 2
ABS, MBEC 1, RTD, STUD 2, and VSES/ECAS Fuses; RT DOORS and SEATS Circuit Breakers
Suspension Position Sensors