GM Service Manual Online
For 1990-2009 cars only
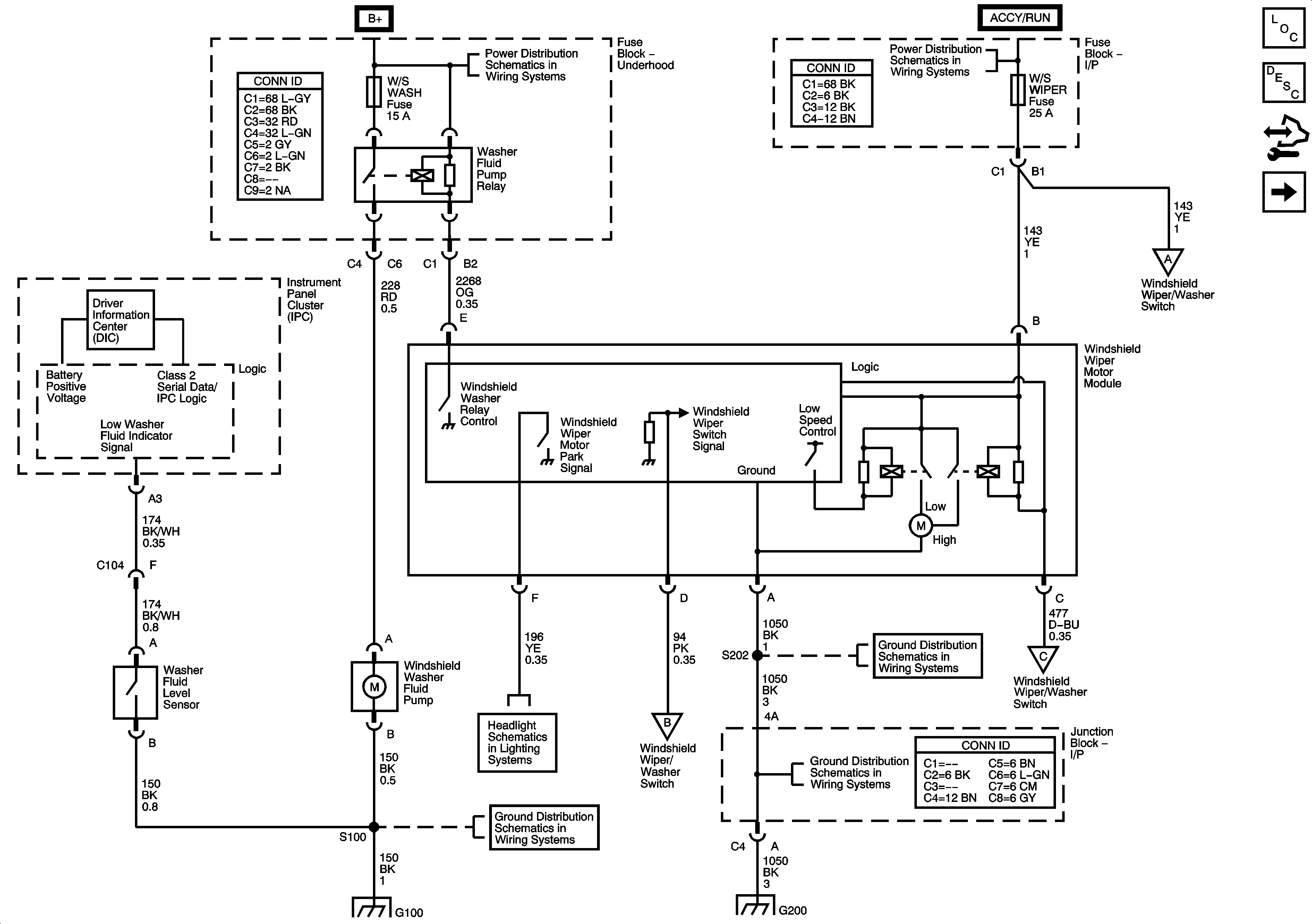
Figure 1:

Front Wiper/Washer Control - 1 of 2


Object Number: 1464600  Size: FS
Master Electrical Component List
Wiper/Washer System Description and Operation
Control Module References
Front Wiper/Washer Control - 2 of 2
B+ Bus - 1 of 2
Ignition Switch - ACCY/RUN and RUN/START Busses, and IGN B Fuse
Front Wiper/Washer Control - 2 of 2
Front Wiper/Washer Control - 2 of 2
G200 - 1 of 3
Front Wiper/Washer Control - 2 of 2
G200 - 1 of 3
G200 - 1 of 3
G100 and G105 - 1 of 4
G100 and G105 - 1 of 4
Headlights/DRL Controls
Figure 2:

Front Wiper/Washer Control - 2 of 2


Object Number: 1464602  Size: FS
Master Electrical Component List
Wiper/Washer System Description and Operation
Control Module References
RearWiper/Washer Control
Front Wiper/Washer Control - 1 of 2
Front Wiper/Washer Control - 1 of 2
G203 - 3 of 3
G203 - 3 of 3
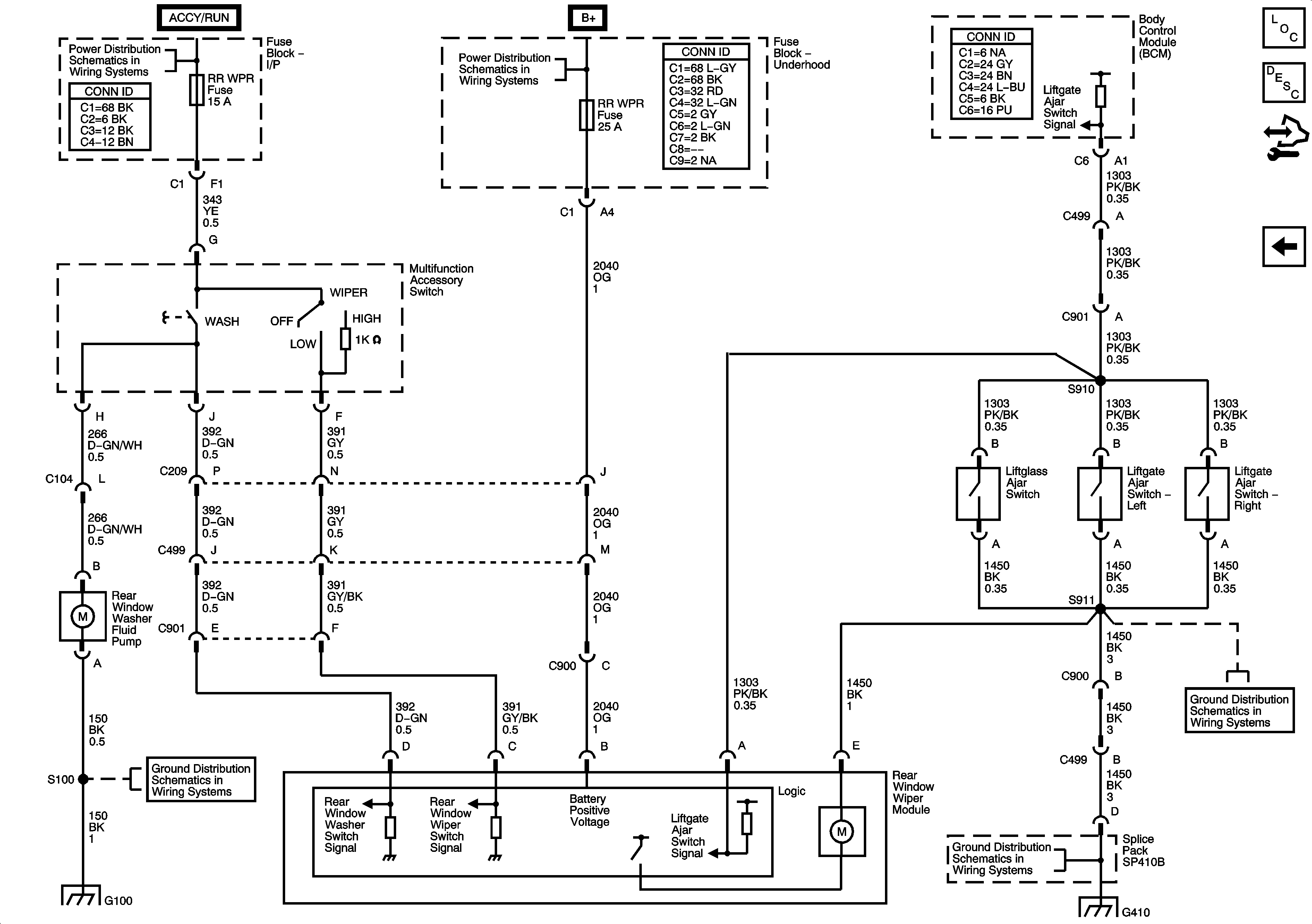
Figure 3:

Rear Wiper/Washer Control


Object Number: 1464603  Size: FS
Master Electrical Component List
Rear Wiper/Washer System Description and Operation
Control Module References
Front Wiper/Washer Control - 2 of 2
Ignition Switch - ACCY/RUN and RUN/START Busses, and IGN B Fuse
B+ Bus - 1 of 2
G410 1 of 3
G410 1 of 3
G410 1 of 3
G100 and G105 - 1 of 4
G100 and G105 - 1 of 4