GM Service Manual Online
For 1990-2009 cars only
Makes
🢒
Chevrolet
🢒
2005
🢒
Chevy Suburban - 4WD
🢒
Accessories
🢒
Keyless Entry
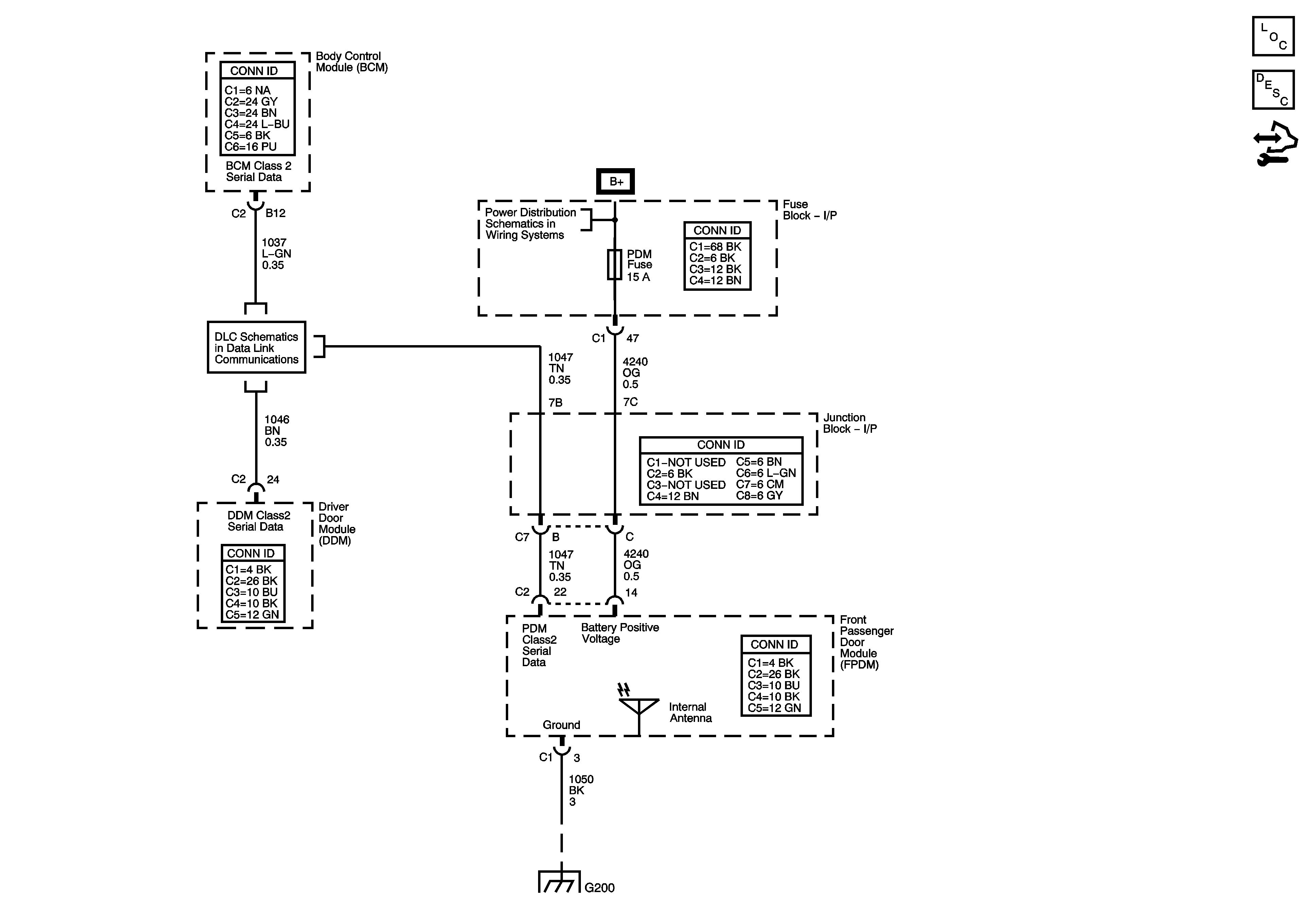
🢒 Keyless Entry Schematics
Master Electrical Component List
Keyless Entry System Description and Operation
Control Module References
Power, Ground, DLC, and Splice Pack SP205
B+ Bus - 1 of 2
G200 - 1 of 3