Removal Procedure
Caution: Refer to Brake Fluid Irritant Caution in the Preface section.
Notice: Refer to Brake Fluid Effects on Paint and Electrical Components Notice in the Preface section.
- Disconnect the negative battery cable.
Refer to
Battery Negative Cable Disconnection and Connection
in Engine Electrical.
Notice: Avoid spilling brake fluid onto painted surfaces, electrical connections,
wiring, or cables. Brake fluid will damage painted surfaces and cause corrosion
to electrical components. If any brake fluid comes in contact with painted
surfaces, immediately flush the area with water. If any brake fluid comes
in contact with electrical connections, wiring, or cables, use a clean shop
cloth to wipe away the fluid.
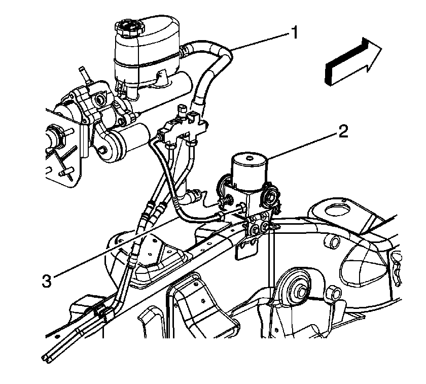
- Crimp the inlet hose (1) from the master cylinder to the Pre-Charge
Pump (PCP) (2) to prevent fluid from leaking out and draining the
master cylinder reservoir.
Important: The area around the pre-charge pump MUST be free from loose dirt to prevent
contamination of disassembled ABS components.
- Remove the inlet hose clamp from the PCP assembly inlet port.
- Remove the inlet hose (1) from the PCP assembly inlet port.
- Loosen and remove the brake fluid outlet pipe (3). Cap or plug
the brake pipe to prevent contamination and brake fluid lose.
- Disconnect the PCP electrical connector from the vehicle connector harness.
- Remove the PCP electrical connector from the mounting bracket.
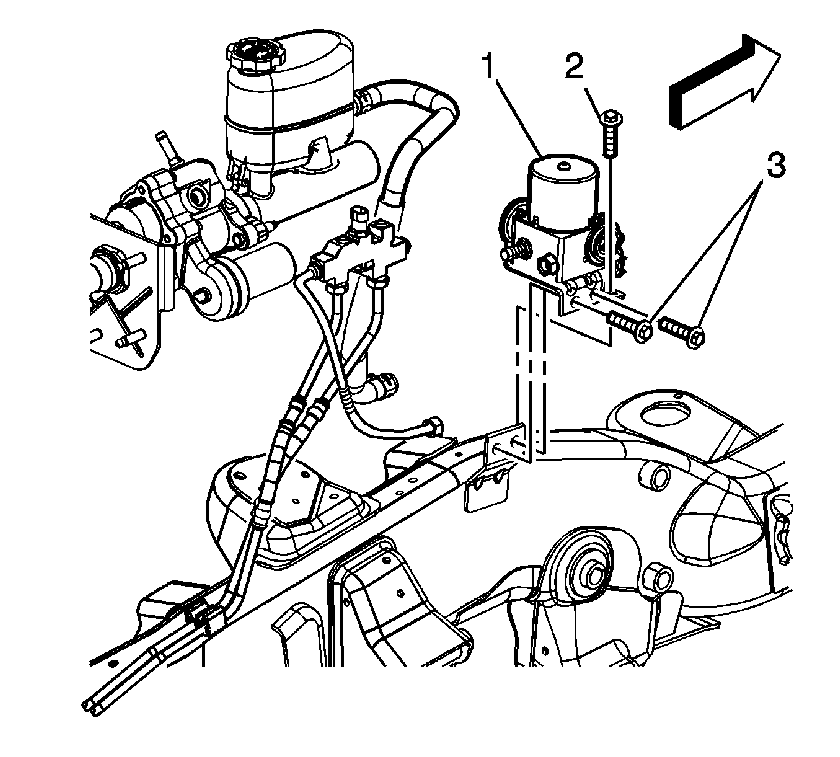
- Remove the PCP mounting bracket front bolt (2) and mounting bracket
side bolts (3).
- Remove the PCP assembly (1) from the vehicle.
Installation Procedure
- Install the PCP (1) into the vehicle. Ensure the bottom of the PCP
motor is secured in the bottom mounting grommet on the PCP mounting bracket.
Notice: Use the correct fastener in the correct location. Replacement fasteners
must be the correct part number for that application. Fasteners requiring
replacement or fasteners requiring the use of thread locking compound or sealant
are identified in the service procedure. Do not use paints, lubricants, or
corrosion inhibitors on fasteners or fastener joint surfaces unless specified.
These coatings affect fastener torque and joint clamping force and may damage
the fastener. Use the correct tightening sequence and specifications when
installing fasteners in order to avoid damage to parts and systems.
- Install the PCP front and side mounting bracket bolts (2,3).
Tighten
Tighten the bolts to 15 N·m (10 lb ft).
- Install the PCP electrical connector to the mounting bracket. Check
to insure the connector is locked into place.
- Connect the PCP electrical connector to the vehicle connector harness.
- Remove the cap or plug from the outlet pipe
and install the outlet pipe (3) to the PCP (2).
Tighten
Tighten the brake fluid outlet pipe nut to 25 N·m (18 lb ft).
- Install the inlet hose and clamp (1) to the PCP (2).
- Remove the crimping tool from the inlet hose.
- Connect the negative battery cable. Refer to
Battery Negative Cable Disconnection and Connection
in Engine Electrical.
- Fill the master cylinder reservoir. Refer to
Master Cylinder Reservoir Filling
in Hydraulic Brakes.
- Using a scan tool, perform a precharge pump bleed procedure. Refer to
Antilock Brake System Automated Bleed Procedure
.