GM Service Manual Online
For 1990-2009 cars only
Makes
🢒
Chevrolet
🢒
2005
🢒
Chevy Suburban - 4WD
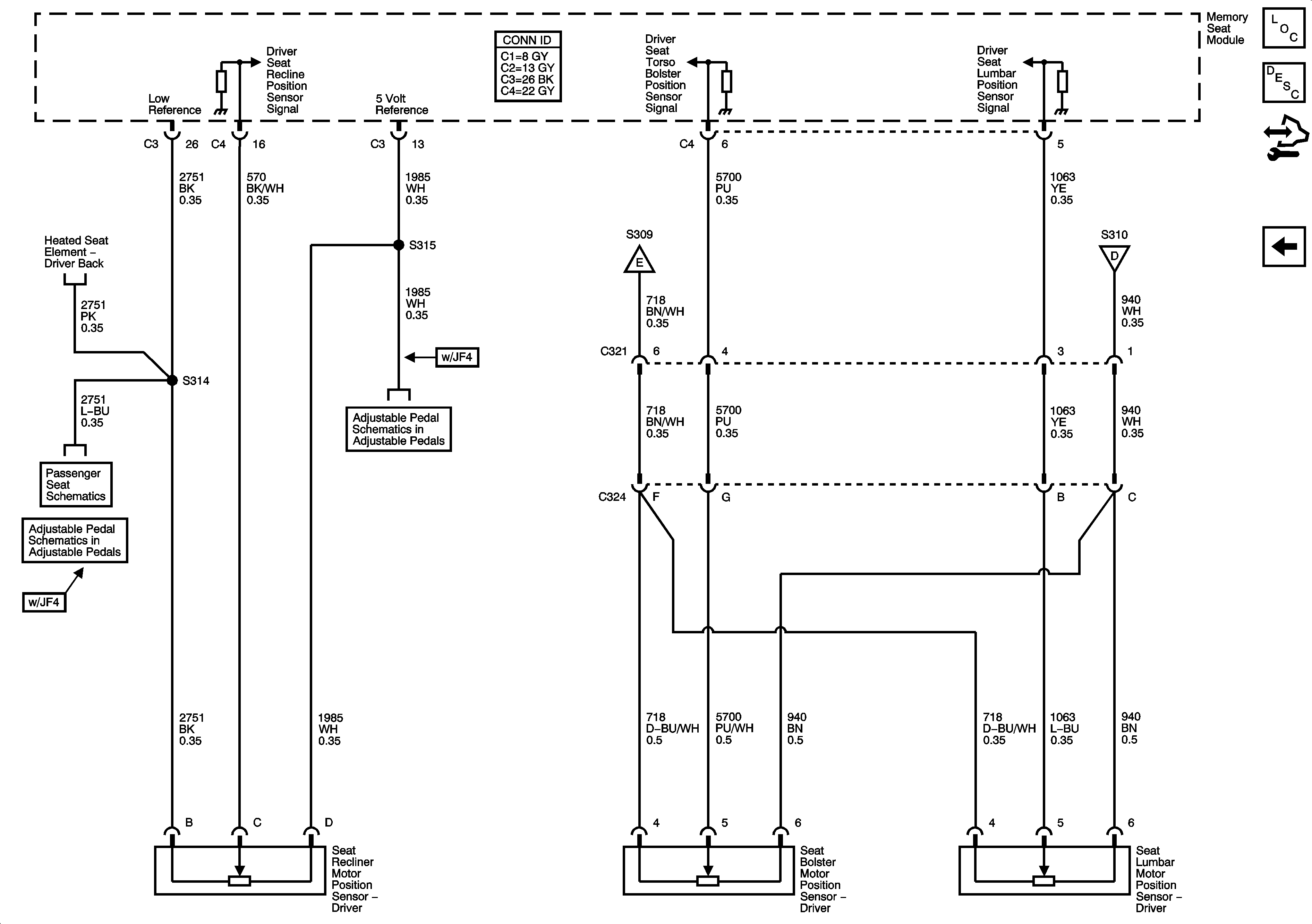
🢒 Seat Position Sensors - 2 of 2
Seat Position Sensors - 2 of 2
Seat Position Sensors 2 of 2
Master Electrical Component List
Memory Seats Description and Operation
Control Module References
Seat Position Sensors - 1 of 2
Heated Seat Controls - Driver
Front Passenger Heated Seat Elements
Memory Seat Module
Memory Seat Module
Seat Position Sensors - 1 of 2
Seat Position Sensors - 1 of 2