GM Service Manual Online
For 1990-2009 cars only
Makes
🢒
Chevrolet
🢒
2005
🢒
Chevy Suburban - 4WD
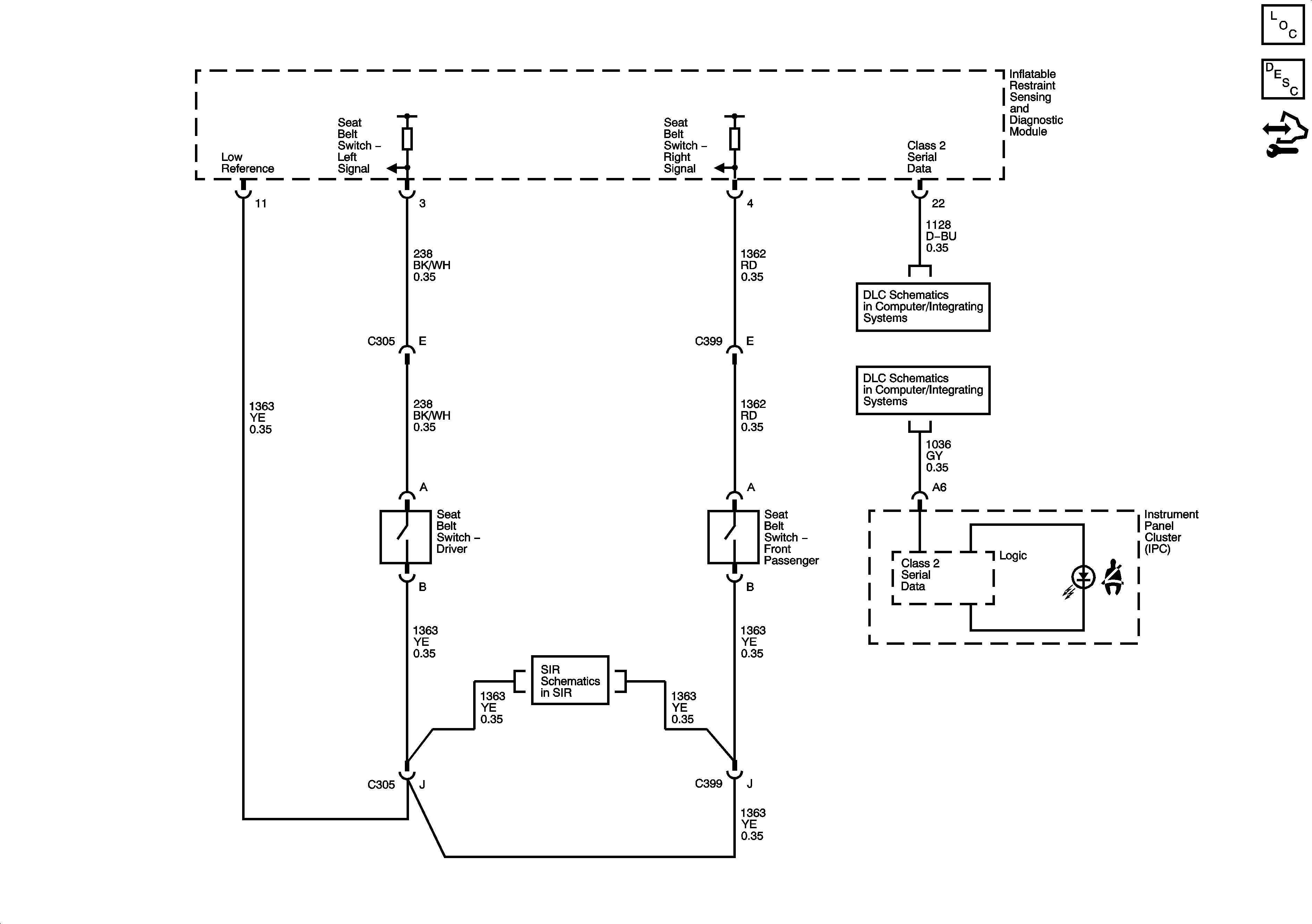
🢒 Seat Belt Schematics
Seat Belt Schematics
Master Electrical Component List
Seat Belt System Description and Operation
Control Module References
Splice Pack SP206
Power, Ground, DLC, and Splice Pack SP205
Seat Position Switches