GM Service Manual Online
For 1990-2009 cars only
Makes
🢒
Chevrolet
🢒
2007
🢒
Chevy Suburban - 4WD
🢒
Engine
🢒
Engine Electrical
🢒 Starting and Charging Schematics
Figure
1:
Starting
Master Electrical Component List
Starting System Description and Operation
Control Module References
Charge
DLIS Fuse and Ignition Switch
High Speed Bus - 1 of 2
G102 and G108
G101
G103, G110, and G111
G102 and G108
Charge
B+ Bus - 2 of 3
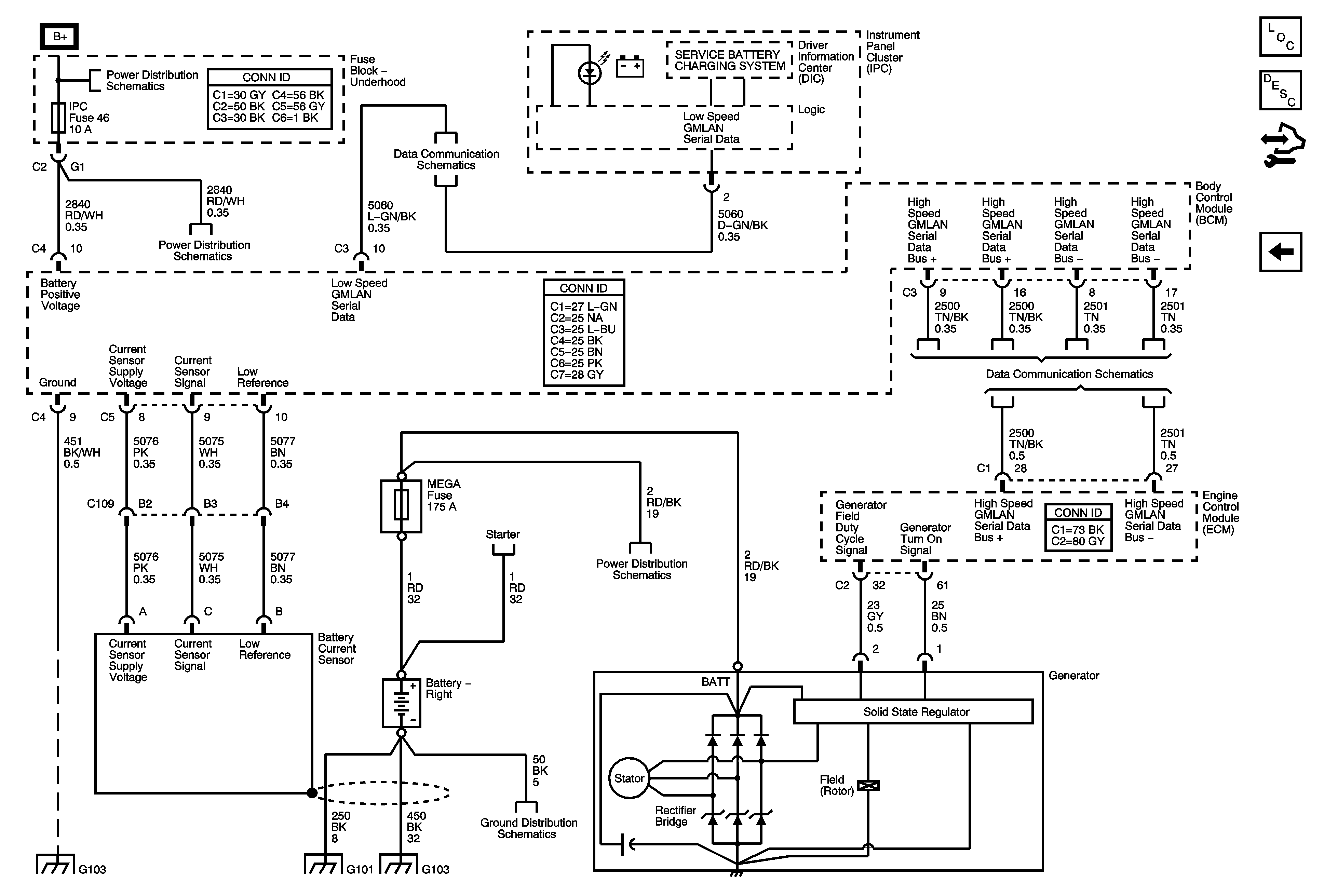
Figure
2:
Charging
Master Electrical Component List
Charging System Description and Operation
Control Module References
Starting
B+ Bus - 1 of 3
ECM-BATT, HEADLAMP WASH, HVAC BATT, IPC, LTR, S/ROOF, and TCM-BATT Fuses
05 V Holden Rear Drive Axle
Starting
B+ Bus - 1 of 3
G103, G110, and G111
G101
G103, G110, and G111
High Speed Bus - 1 of 2