GM Service Manual Online
For 1990-2009 cars only
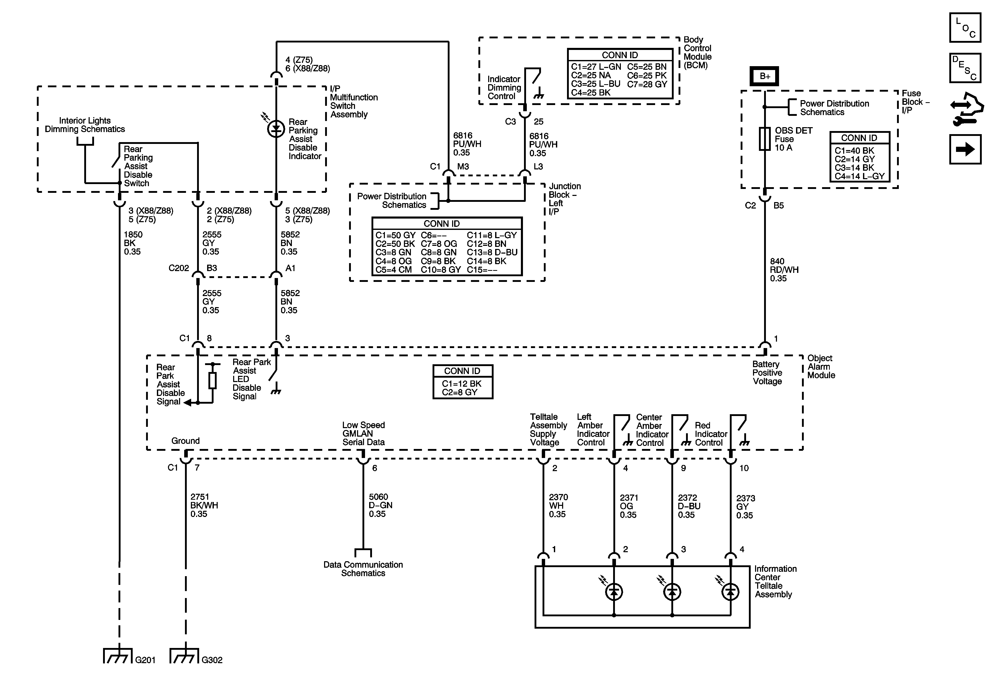
Figure 1:

Object Alarm Module Power, Ground, and Serial Data


Object Number: 1703554  Size: FS
Master Electrical Component List
Object Detection Description and Operation
Control Module References
Rear Object Sensors (UD7)
LED Dimming - 2 of 3
LED Dimming - 3 of 3
IS LAMPS, LT STOP TRN, OBS DET, REAR SEAT, and STOP LAMPS Fuses and LT DR Circuit Breaker
G201
G300 and G302
Low Speed Bus - SP200 - 3 of 3 and SP300
IS LAMPS, LT STOP TRN, OBS DET, REAR SEAT, and STOP LAMPS Fuses and LT DR Circuit Breaker
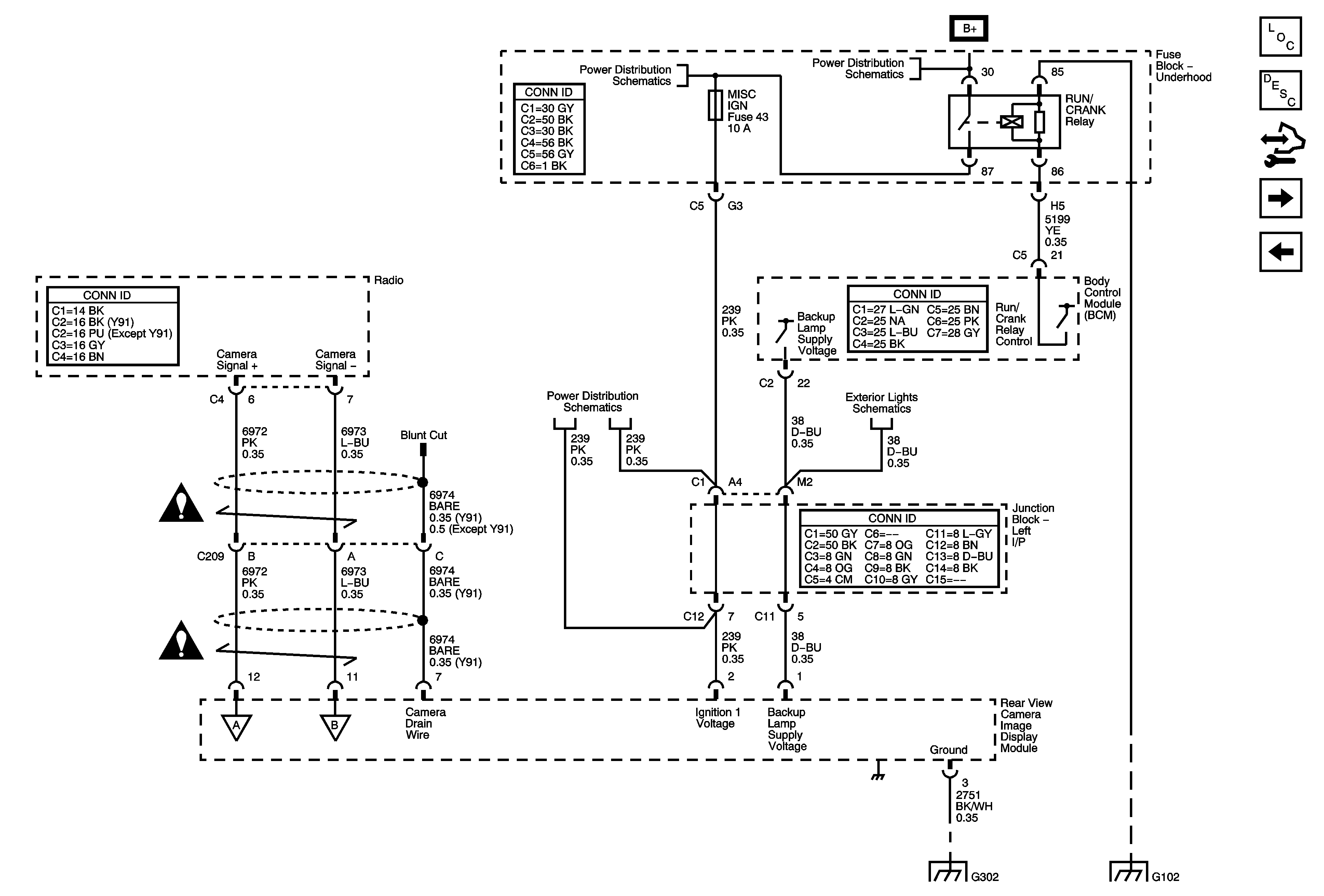
Figure 2:

Rear Object Sensors (UD7)


Object Number: 1818897  Size: FS
Master Electrical Component List
Object Detection Description and Operation
Control Module References
Rear Video Camera - 1 of 2 - UVC
Rear Object Sensing (UD7)
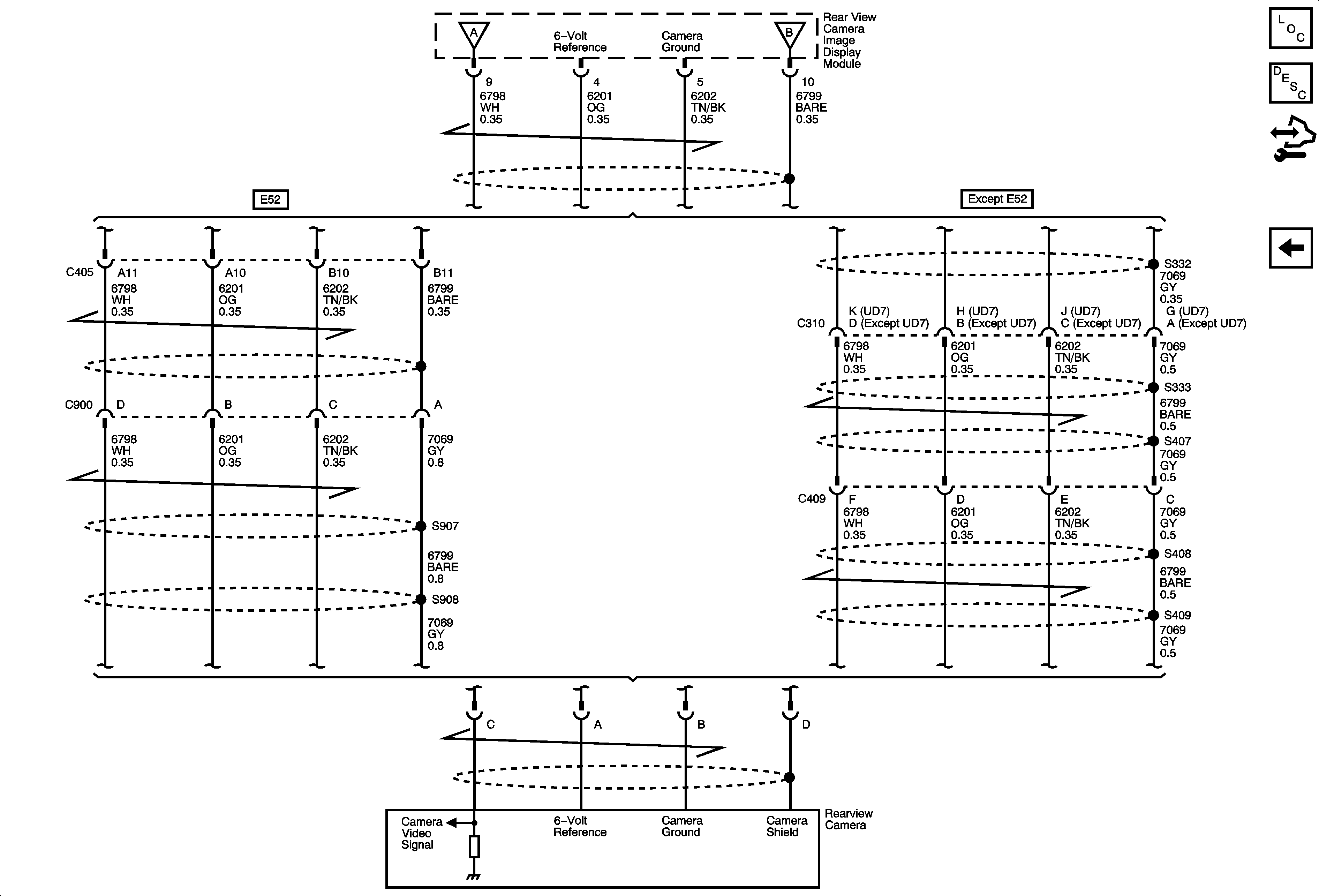
Figure 3:

Rear Video Camera 1 of 2 (UVC)


Object Number: 1703560  Size: FS
Master Electrical Component List
Object Detection Description and Operation
Control Module References
Rear Video Camera - 2 of 2 - UVC
Rear Object Sensors (UD7)
RUN/CRANK Bus - AIRBAG IGN, MISC IGN, ans SEO/ALC Fuses
B+ Bus - 1 of 3
RUN/CRANK Bus - AIRBAG IGN, MISC IGN, ans SEO/ALC Fuses
Backup Lamps
Rear Video Camera - 2 of 2 - UVC
Rear Video Camera - 2 of 2 - UVC
G300 and G302
G102 and G108
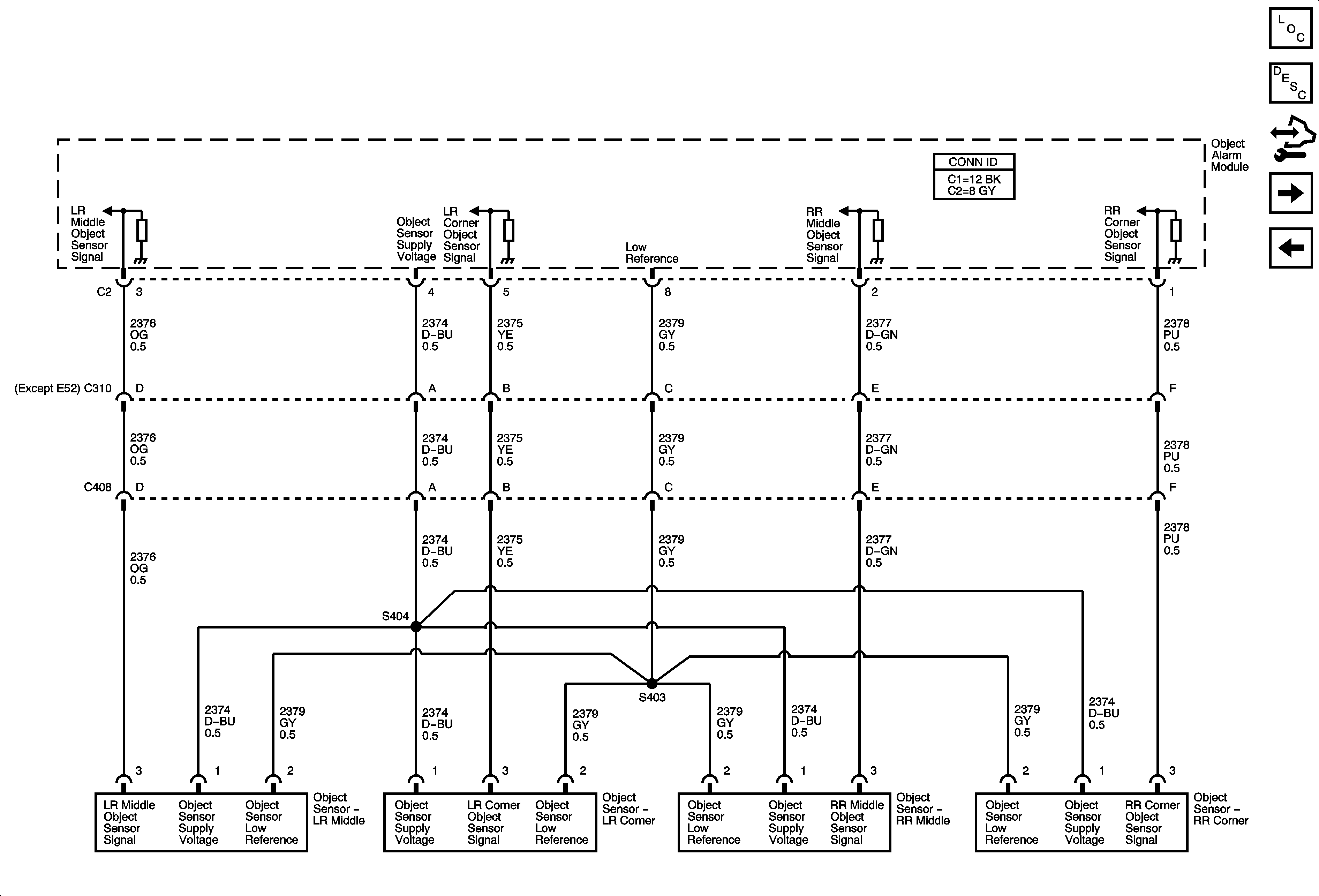
Figure 4:

Rear Video Camera 2 of 2 (UVC)


Object Number: 1703563  Size: FS
Master Electrical Component List
Object Detection Description and Operation
Control Module References
Rear Video Camera - 1 of 2 - UVC
Rear Video Camera - 1 of 2 - UVC
Rear Video Camera - 1 of 2 - UVC