GM Service Manual Online
For 1990-2009 cars only
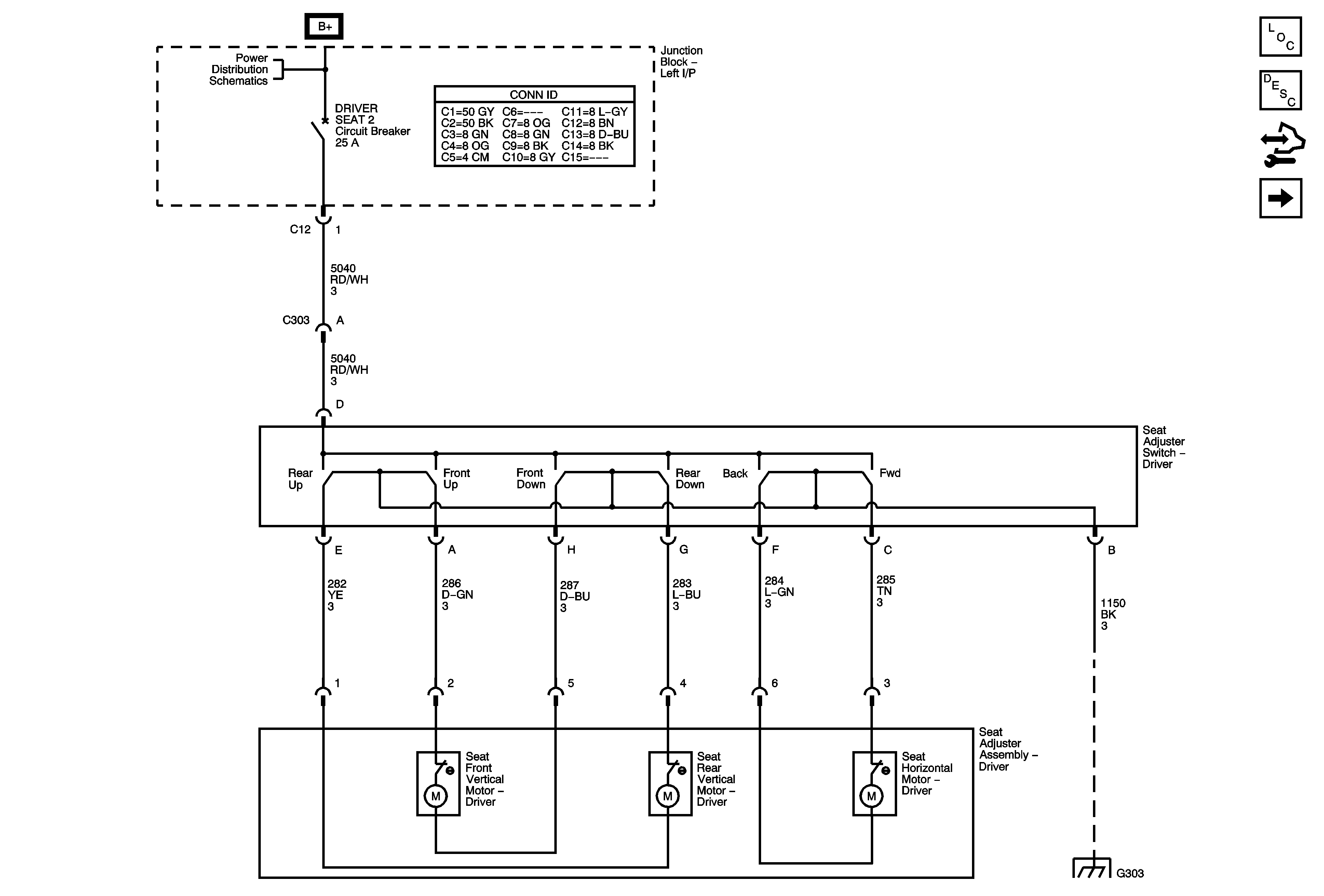
Figure 1:

6-Way Power


Object Number: 1702070  Size: FS
Master Electrical Component List
Power Seats System Description and Operation Front Seat
Control Module References
Module Power, Ground, Serial Data, and Memory Switch
B+ Bus - 1 of 3
G303, G304, and G305
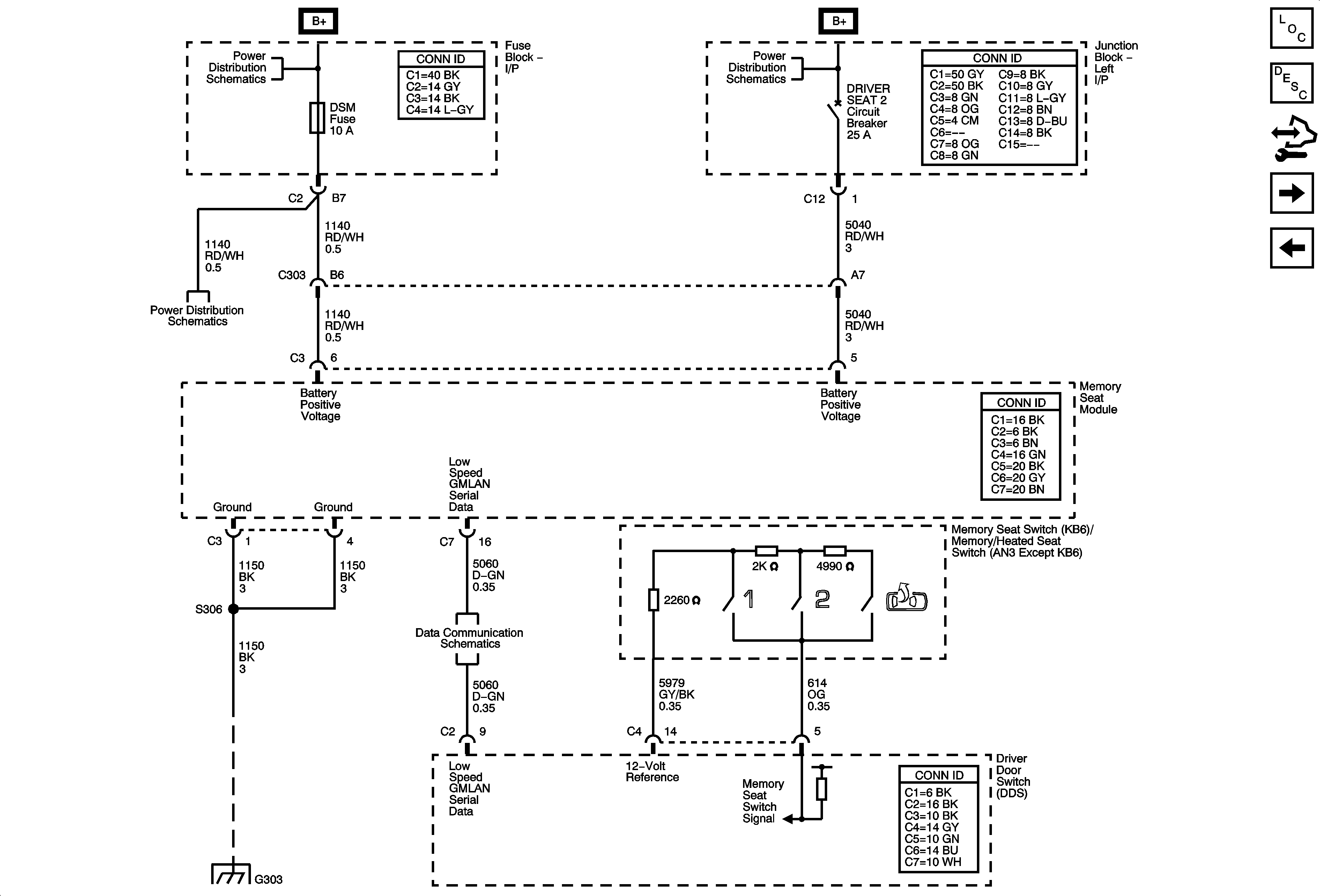
Figure 2:

Module Power, Ground, Serial Data, and Memory Switches - AN3


Object Number: 1702864  Size: FS
Master Electrical Component List
Memory Seats Description and Operation
Control Module References
Seat Adjuster Switches - AN3
6-Way Power
B+ Bus - 1 of 3
BCM, COOLED SEATS, CTSY, DDM, DIM, DSM, LBEC 2, MBEC 1, REAR HVAC, and RT STOP TRN Fuses and DRIVER SEAT 2, PASS SEAT 1, and RT DOORS Circuit Breakers
G303, G304, and G305
Low Speed Bus - SP200 - 1 of 3
BCM, COOLED SEATS, CTSY, DDM, DIM, DSM, LBEC 2, MBEC 1, REAR HVAC, and RT STOP TRN Fuses and DRIVER SEAT 2, PASS SEAT 1, and RT DOORS Circuit Breakers
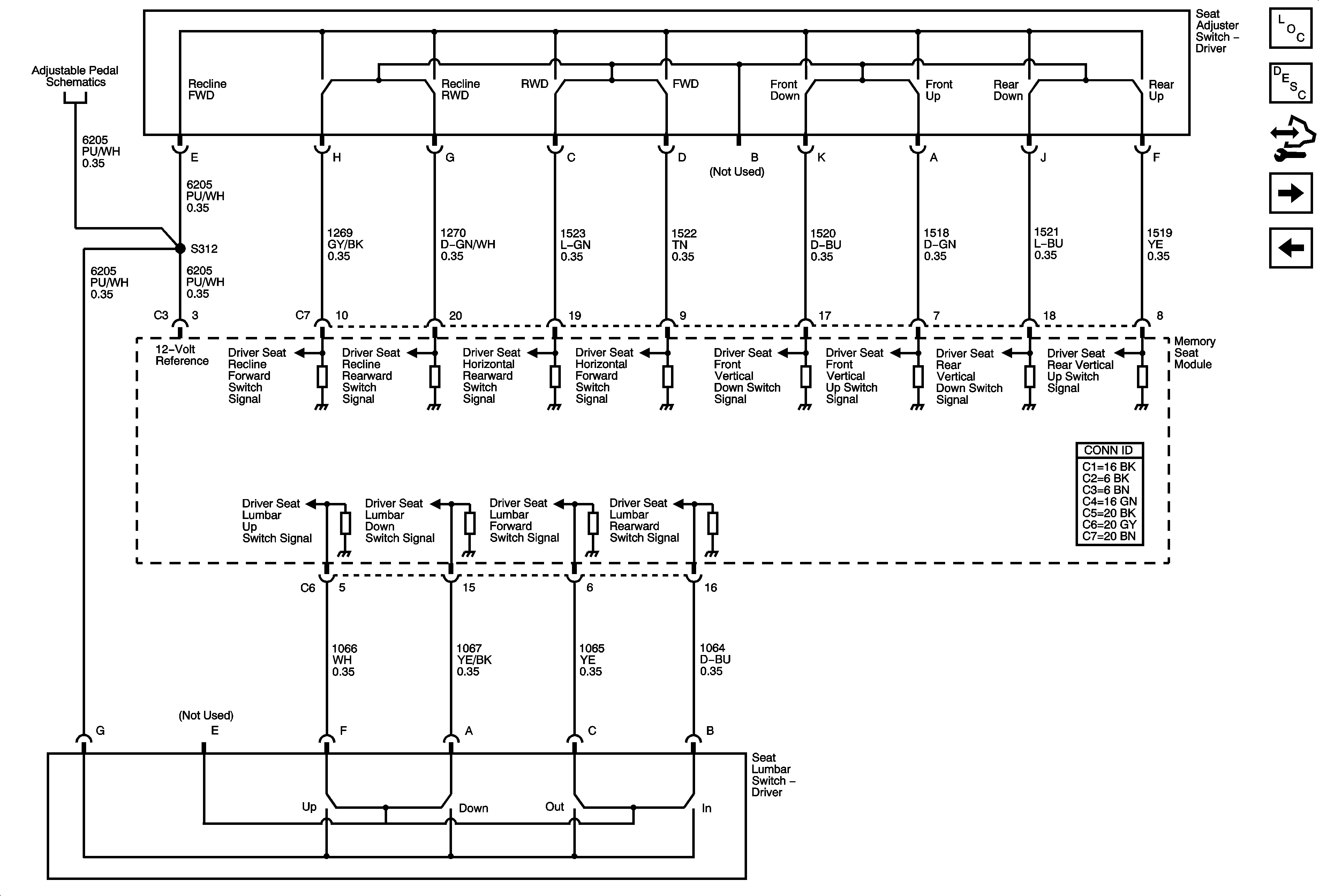
Figure 3:

Seat Adjuster Switches - AN3


Object Number: 1702865  Size: FS
Master Electrical Component List
Memory Seats Description and Operation
Control Module References
Motors and Position Sensors - AN3
Module Power, Ground, Serial Data, and Memory Switch
AN3
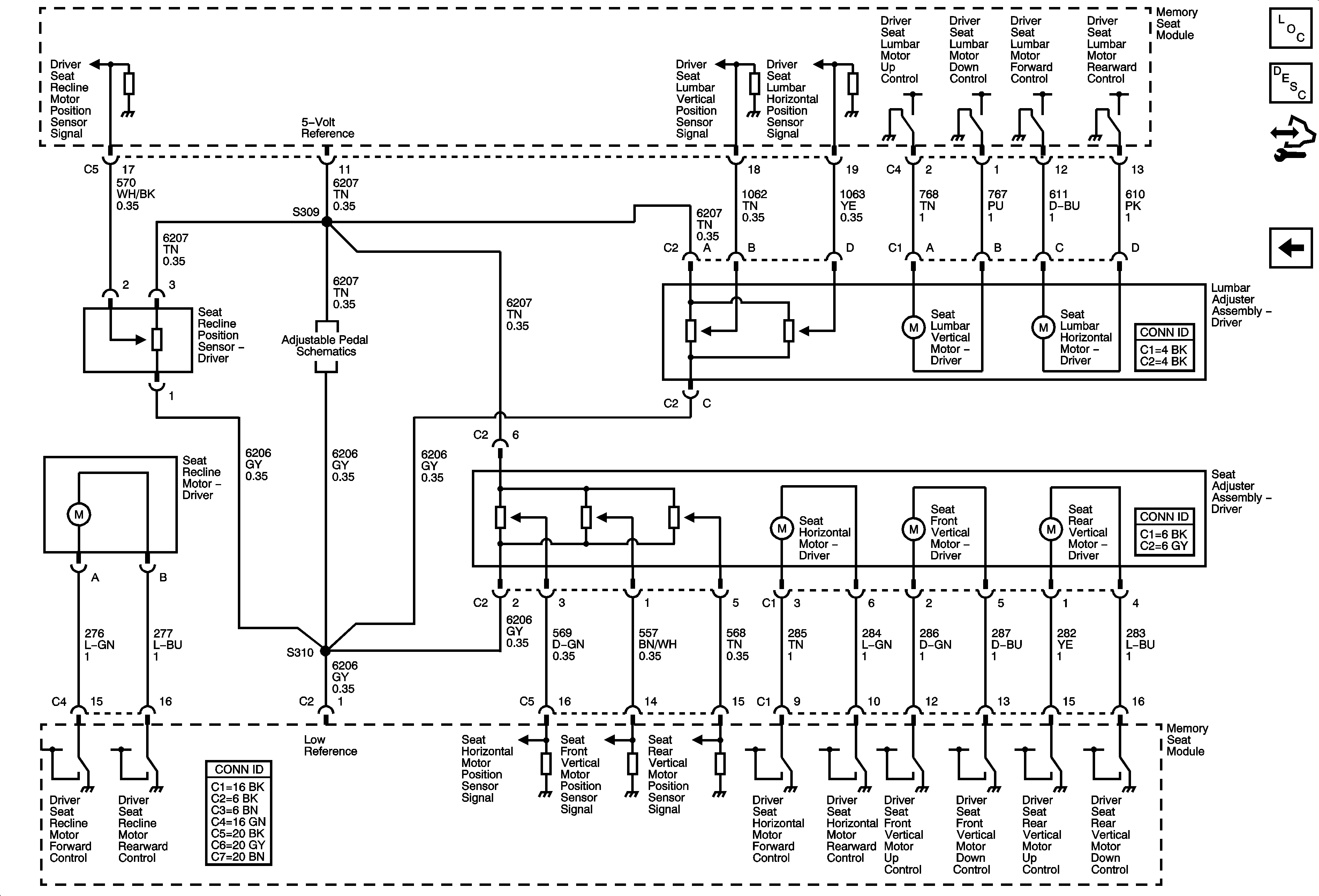
Figure 4:

Motors and Position Sensors - AN3


Object Number: 1702866  Size: FS
Master Electrical Component List
Memory Seats Description and Operation
Control Module References
Seat Adjuster Switches - AN3
AN3