GM Service Manual Online
For 1990-2009 cars only
Makes
🢒
Chevrolet
🢒
2007
🢒
Chevy Suburban - 4WD
🢒
Diagnostic Navigation
🢒
Vehicle Diagnostic Information
🢒 Rear Seat Schematics
Figure
1:
Folding Seat Controls - ARS
Master Electrical Component List
Power Seats System Description and Operation Rear Folding Seat
Control Module References
Folding Seat Motors - ARS
B+ Bus - 1 of 3
ALC/COMP, EAP, and LGM Fuses
G200 - 1 of 2
G200 - 1 of 2
ALC/COMP, EAP, and LGM Fuses
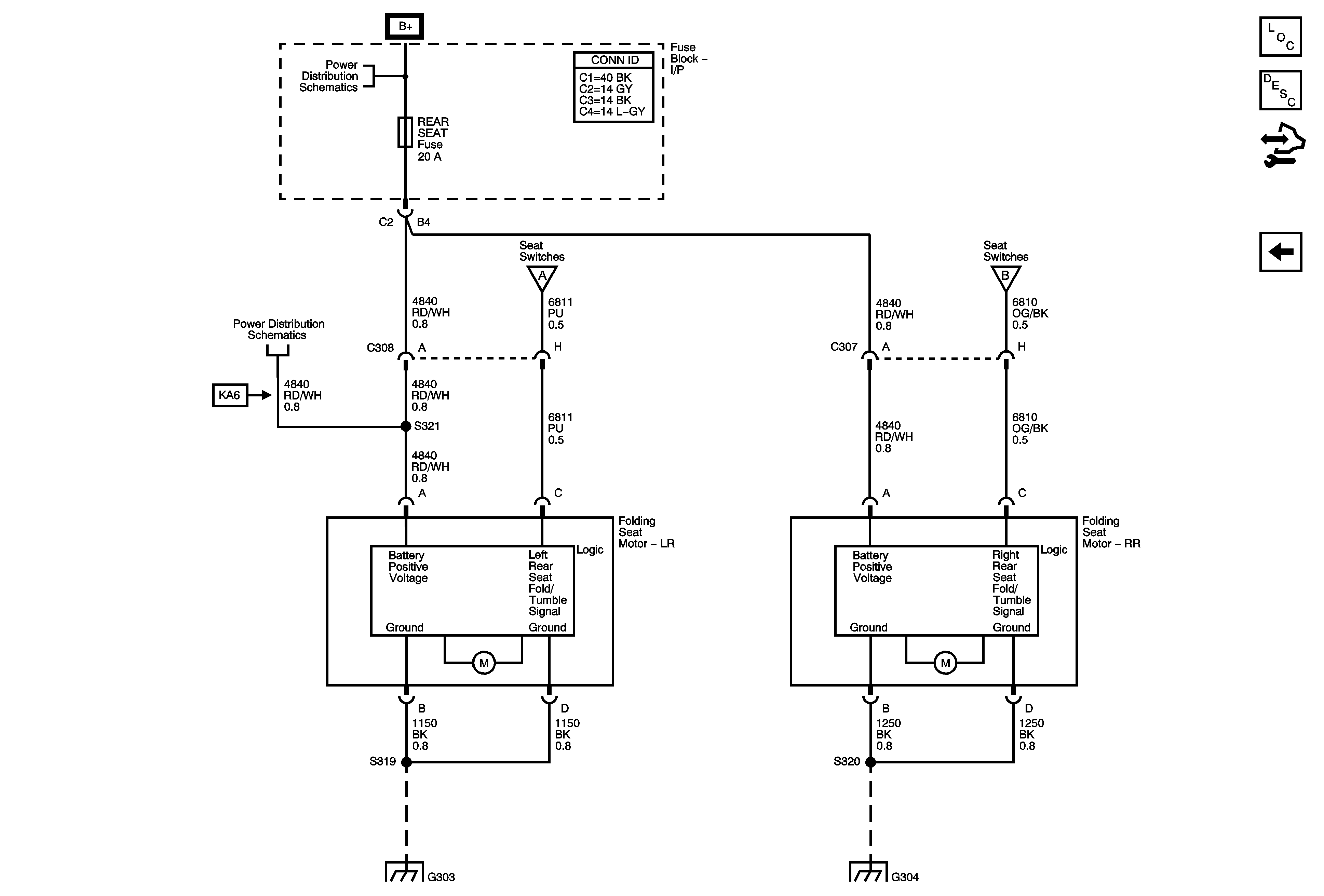
Folding Seat Motors - ARS
Folding Seat Motors - ARS
Figure
2:
Folding Seat Motors - ARS
Master Electrical Component List
Power Seats System Description and Operation Rear Folding Seat
Control Module References
Folding Seat Controls - ARS
IS LAMPS, LT STOP TRN, OBS DET, REAR SEAT, and STOP LAMPS Fuses and LT DR Circuit Breaker
IS LAMPS, LT STOP TRN, OBS DET, REAR SEAT, and STOP LAMPS Fuses and LT DR Circuit Breaker
Folding Seat Controls - ARS
G303, G304, and G305
Folding Seat Controls - ARS
G303, G304, and G305