GM Service Manual Online
For 1990-2009 cars only
Makes
🢒
Chevrolet
🢒
2007
🢒
Chevy Suburban - 4WD
🢒
Diagnostic Navigation
🢒
Vehicle Diagnostic Information
🢒 Door Lock/Indicator Schematics
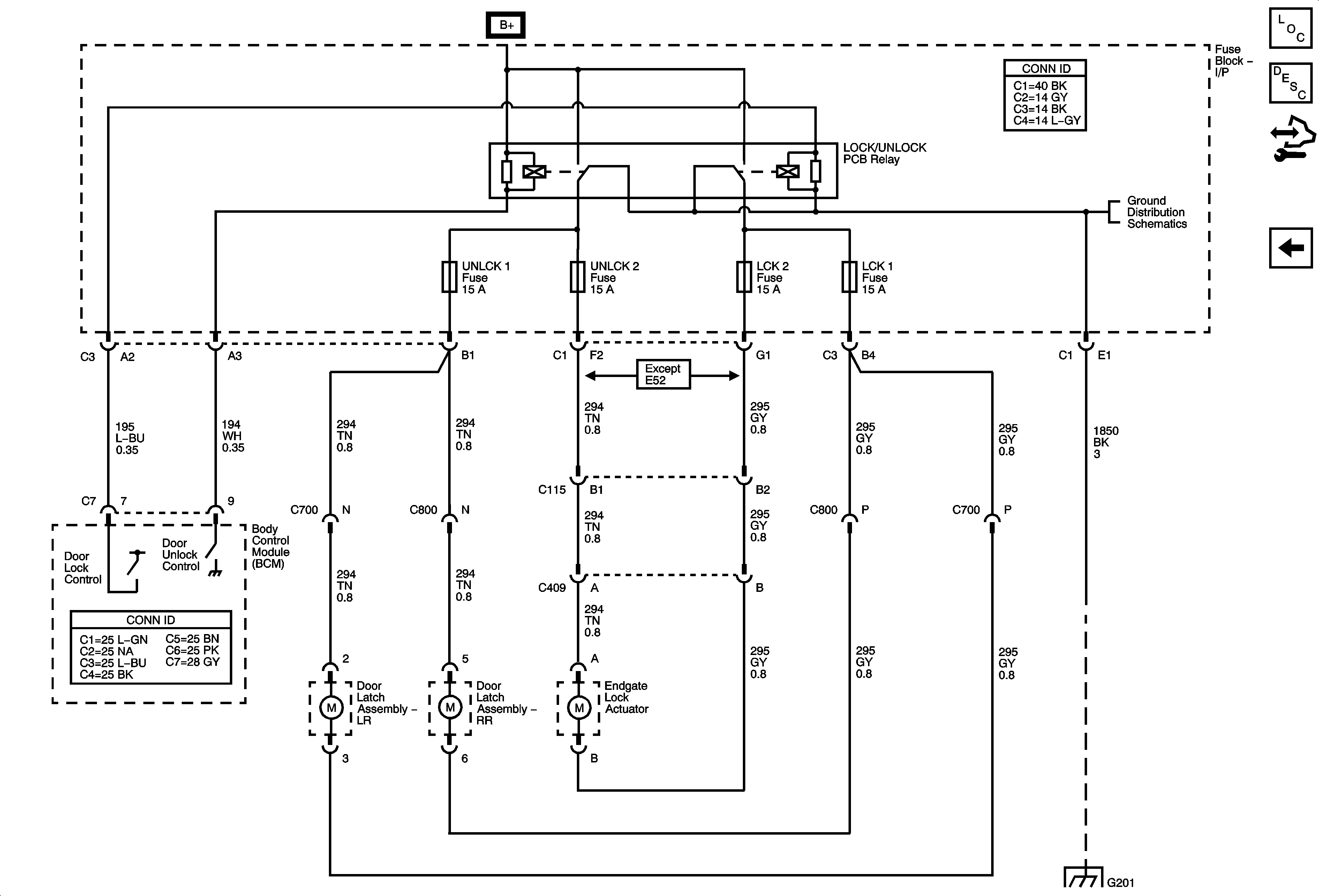
Figure
1:
Front
Master Electrical Component List
Power Door Locks Description and Operation
Control Module References
Rear
Low Speed Bus - SP200 - 1 of 3
Low Speed Bus - SP 200 - 2 of 3
Door Jamb Switches
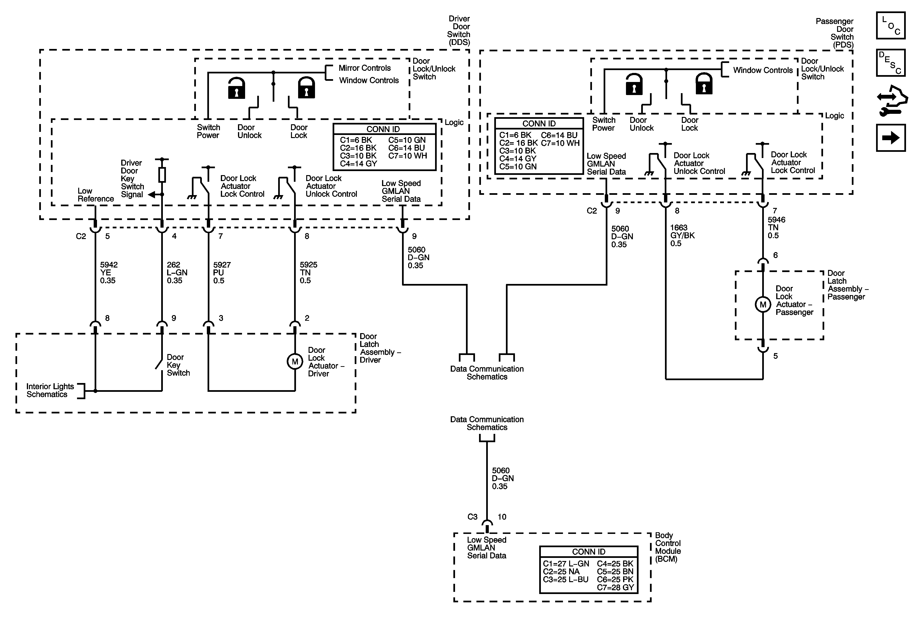
Figure
2:
Rear
Master Electrical Component List
Power Door Locks Description and Operation
Control Module References
Front
G201
G201