GM Service Manual Online
For 1990-2009 cars only
Makes
🢒
Chevrolet
🢒
2007
🢒
Chevy Suburban - 4WD
🢒
Diagnostic Navigation
🢒
Vehicle Diagnostic Information
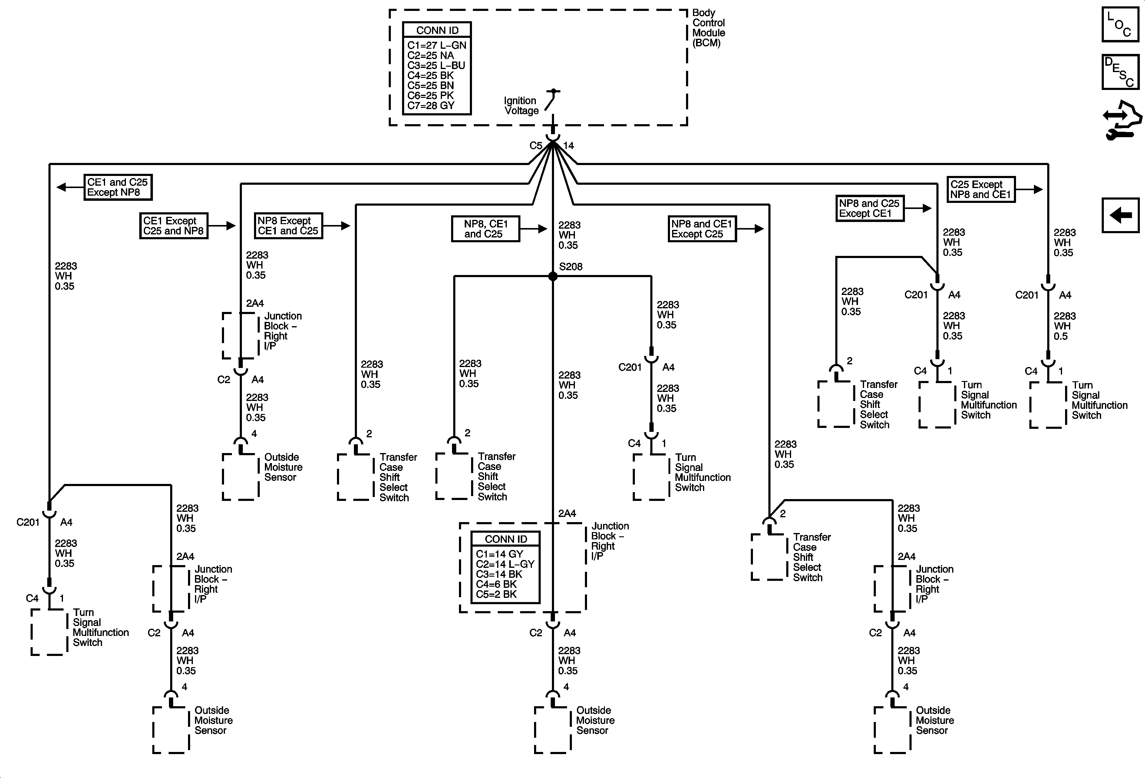
🢒 Power Moding Schematics
Figure
1:
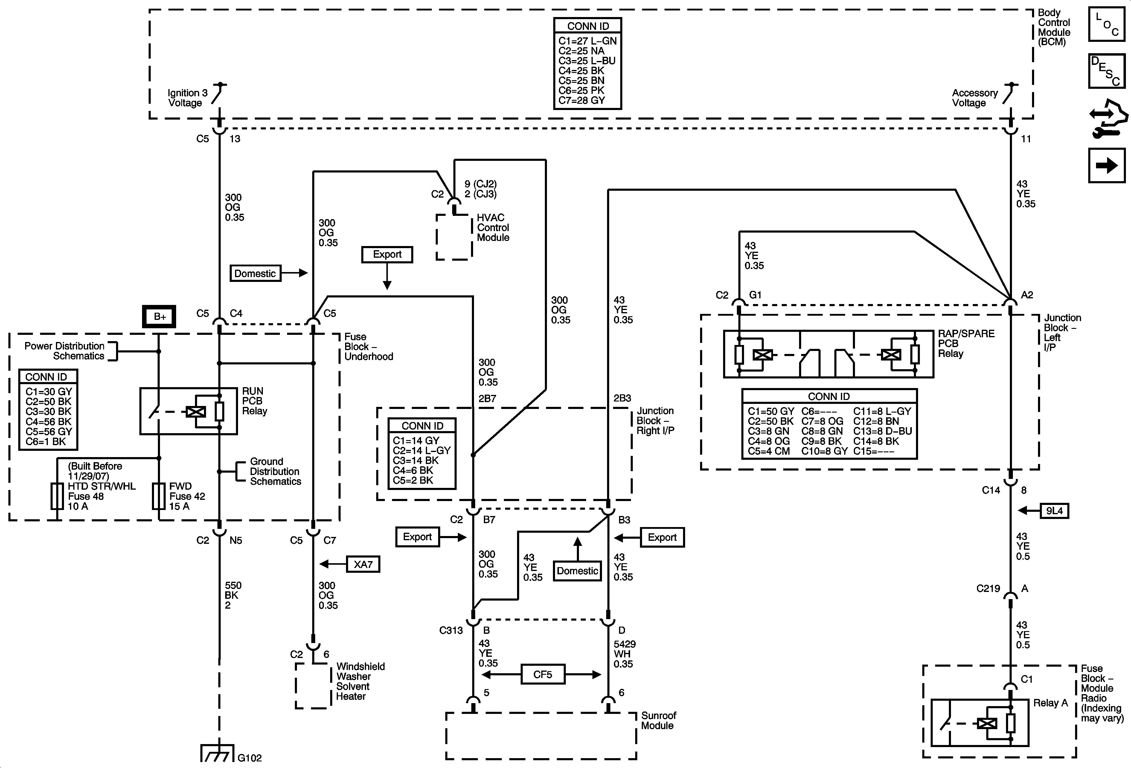
Ignition and Accessory Voltage
Master Electrical Component List
Power Mode Description and Operation
Control Module References
Ignition 2 and 3 Voltage
B+ Bus - 1 of 3
G102 and G108
G102 and G108
Figure
2:
Ignition 1 Voltage
Master Electrical Component List
Power Mode Description and Operation
Control Module References
Ignition 2 and 3 Voltage