GM Service Manual Online
For 1990-2009 cars only
Makes
🢒
Chevrolet
🢒
2007
🢒
Chevy Suburban - 4WD
🢒
Diagnostic Navigation
🢒
Vehicle Diagnostic Information
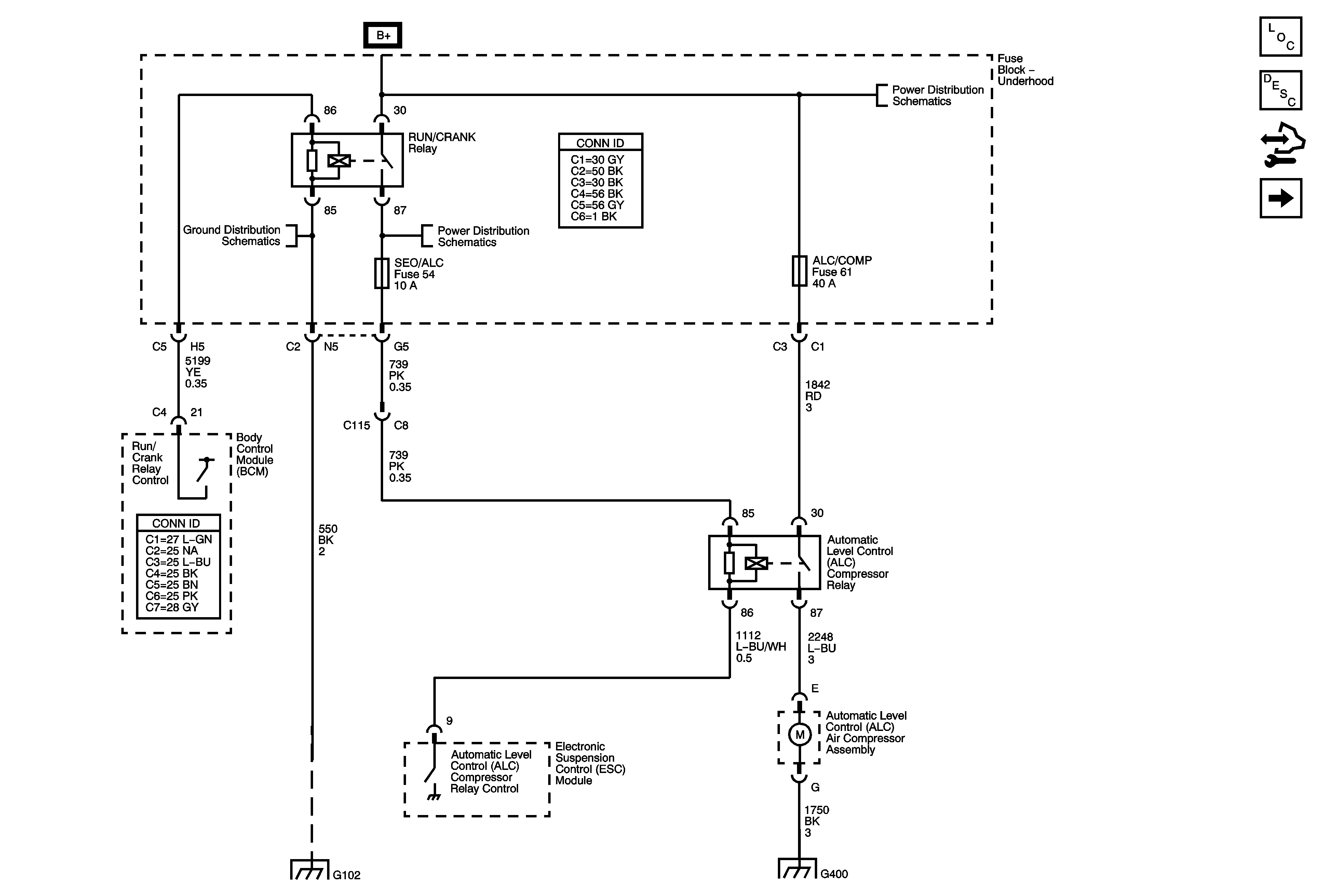
🢒 Automatic Level Control Schematics
Figure
1:
Compressor Controls
Master Electrical Component List
Automatic Level Control Description and Operation
Control Module References
Pressure Controls
G102 and G108
RUN/CRANK Bus - AIRBAG IGN, MISC IGN, ans SEO/ALC Fuses
G102 and G108
G400
B+ Bus - 1 of 3
Figure
2:
Pressure Controls
Master Electrical Component List
Automatic Level Control Description and Operation
Control Module References
Compressor Controls
B+ Bus - 1 of 3
AMP, ELEC RUN BOARD, ESC/ALC EXH, EXP/BRK MDL, INFO, and TREC Fuses