GM Service Manual Online
For 1990-2009 cars only
Figure 1:

Front


Object Number: 1701144  Size: FS
Master Electrical Component List
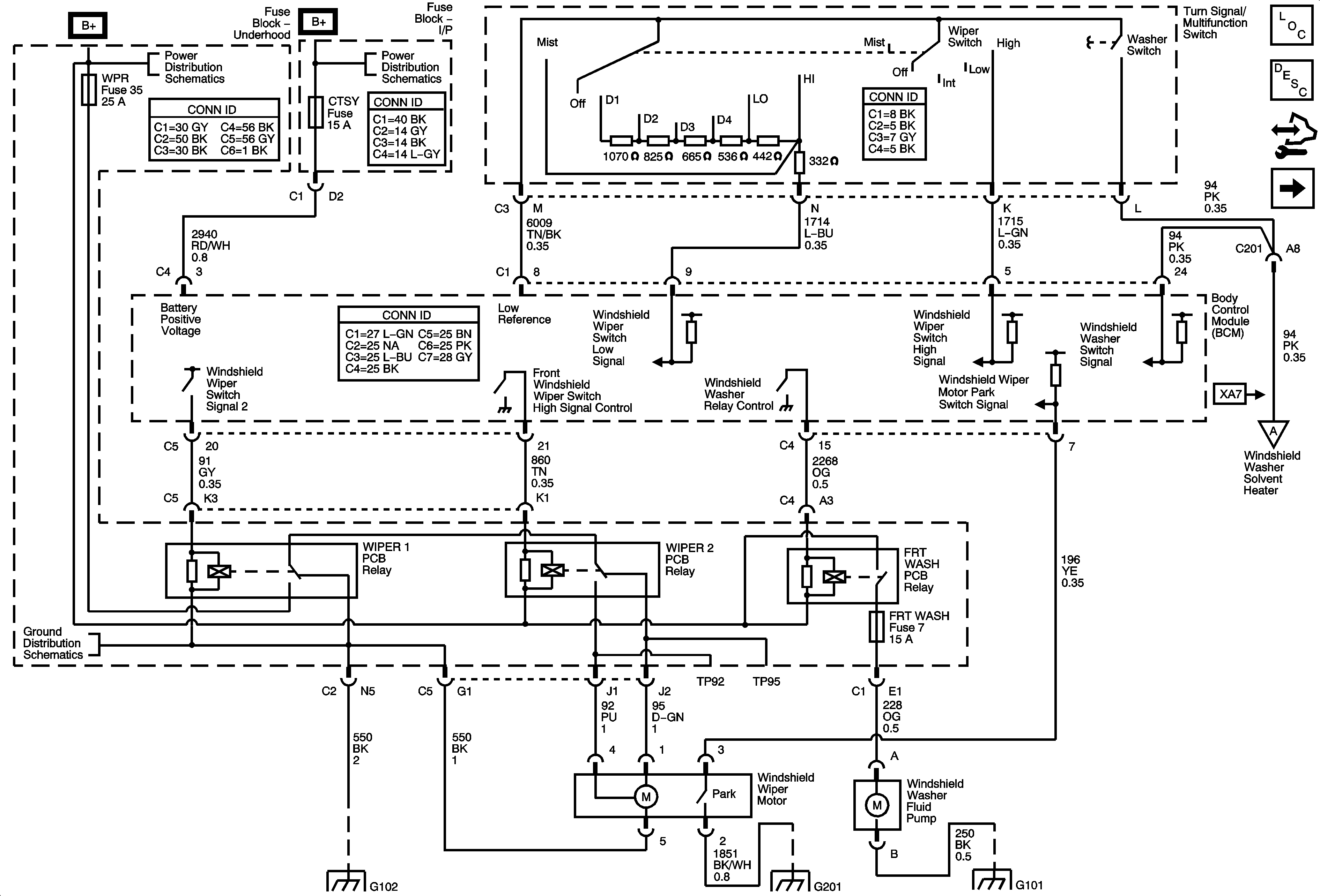
Wiper/Washer System Description and Operation
Control Module References
Rear
B+ Bus - 1 of 3
BCM, COOLED SEATS, CTSY, DDM, DIM, DSM, LBEC 2, MBEC 1, REAR HVAC, and RT STOP TRN Fuses and DRIVER SEAT 2, PASS SEAT 1, and RT DOORS Circuit Breakers
G102 and G108
G102 and G108
G201
G101
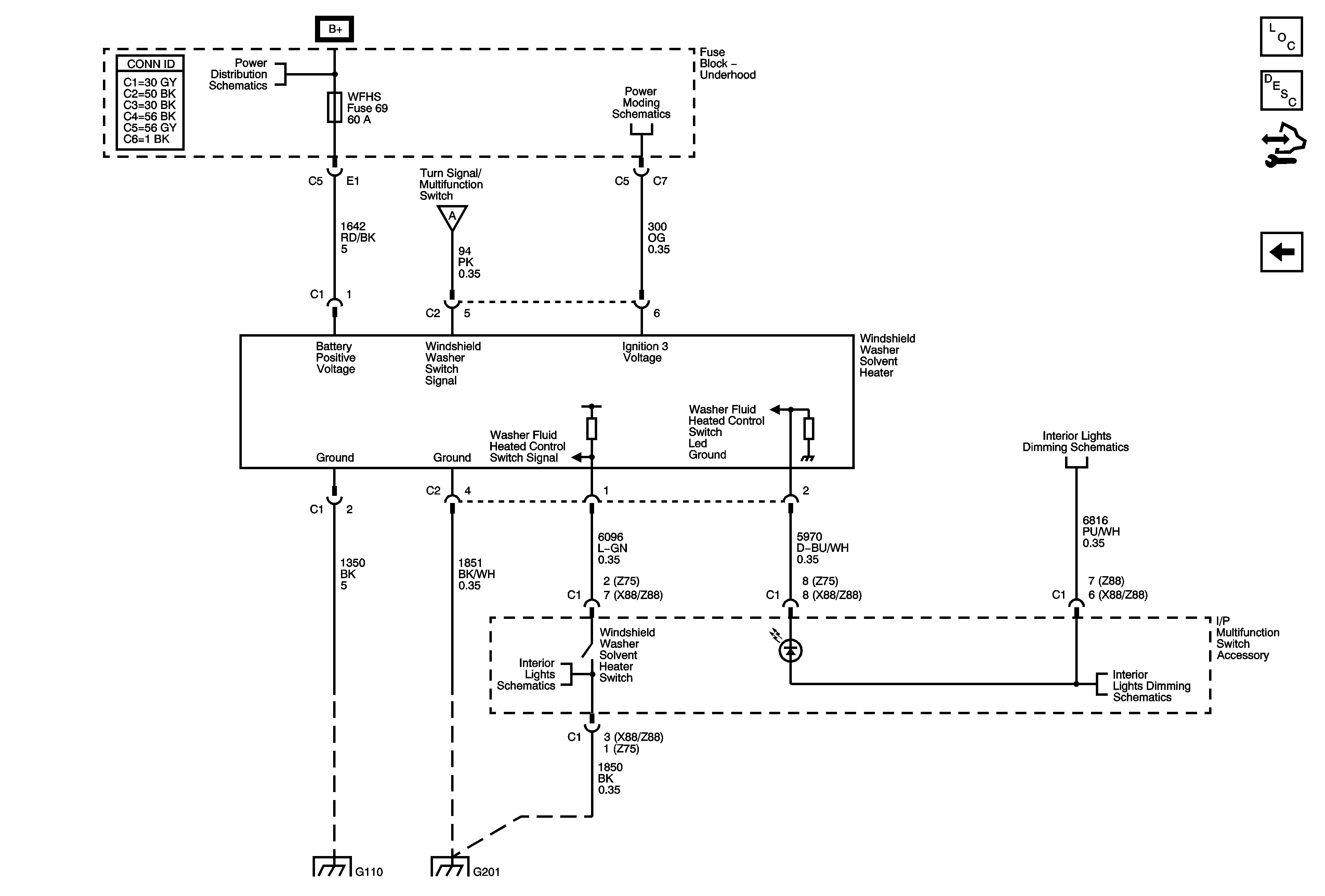
Heated Washer System
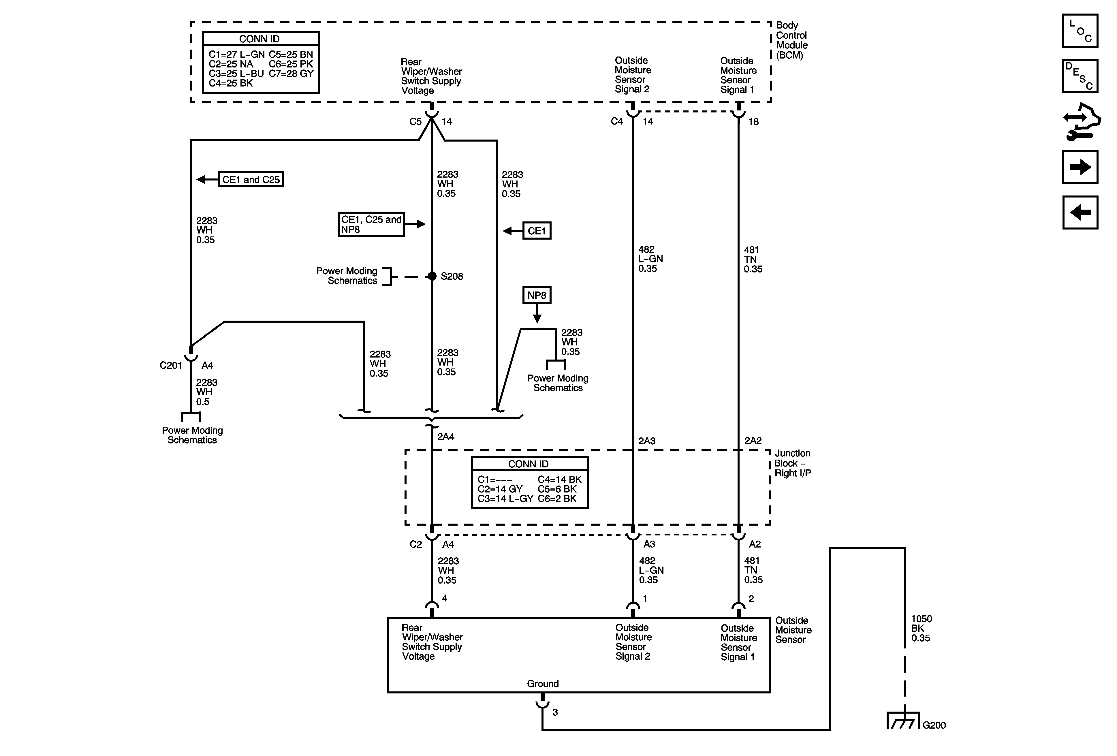
Figure 2:

Rear (E52)


Object Number: 1701153  Size: FS
Master Electrical Component List
Rear Wiper/Washer System Description and Operation
Control Module References
Outside Moisture Sensor
Front
AUX PWR, AUX PWR 2, LBEC 1, PDM, and REAR WPR Fuses
G402 - E52
G102 and G108
G102 and G108
G101
B+ Bus - 1 of 3
Ignition 1 Voltage
Figure 3:

Outside Moisture Sensor


Object Number: 1701155  Size: FS
Master Electrical Component List
Wiper/Washer System Description and Operation
Control Module References
Heated Washer System
Rear
G200 - 1 of 2
Ignition 1 Voltage
Ignition 1 Voltage
Ignition 1 Voltage
Figure 4:

Heated Washer System


Object Number: 1701158  Size: FS
Master Electrical Component List
Wiper/Washer System Description and Operation
Control Module References
Outside Moisture Sensor
B+ Bus - 1 of 3
Ignition 3 and Accessory Voltage
Front
G103, G110, and G111
G201
LED Dimming - 3 of 3
LED Dimming - 3 of 3
Figure 5:

Headlamp Washers - Export


Object Number: 1701159  Size: FS
Master Electrical Component List
Wiper/Washer System Description and Operation
Control Module References
Heated Washer System