GM Service Manual Online
For 1990-2009 cars only
Makes
🢒
Chevrolet
🢒
2007
🢒
Chevy Suburban - 4WD
🢒
Suspension
🢒
Electronic Suspension Control
🢒 Electronic Suspension Control Schematics
Figure
1:
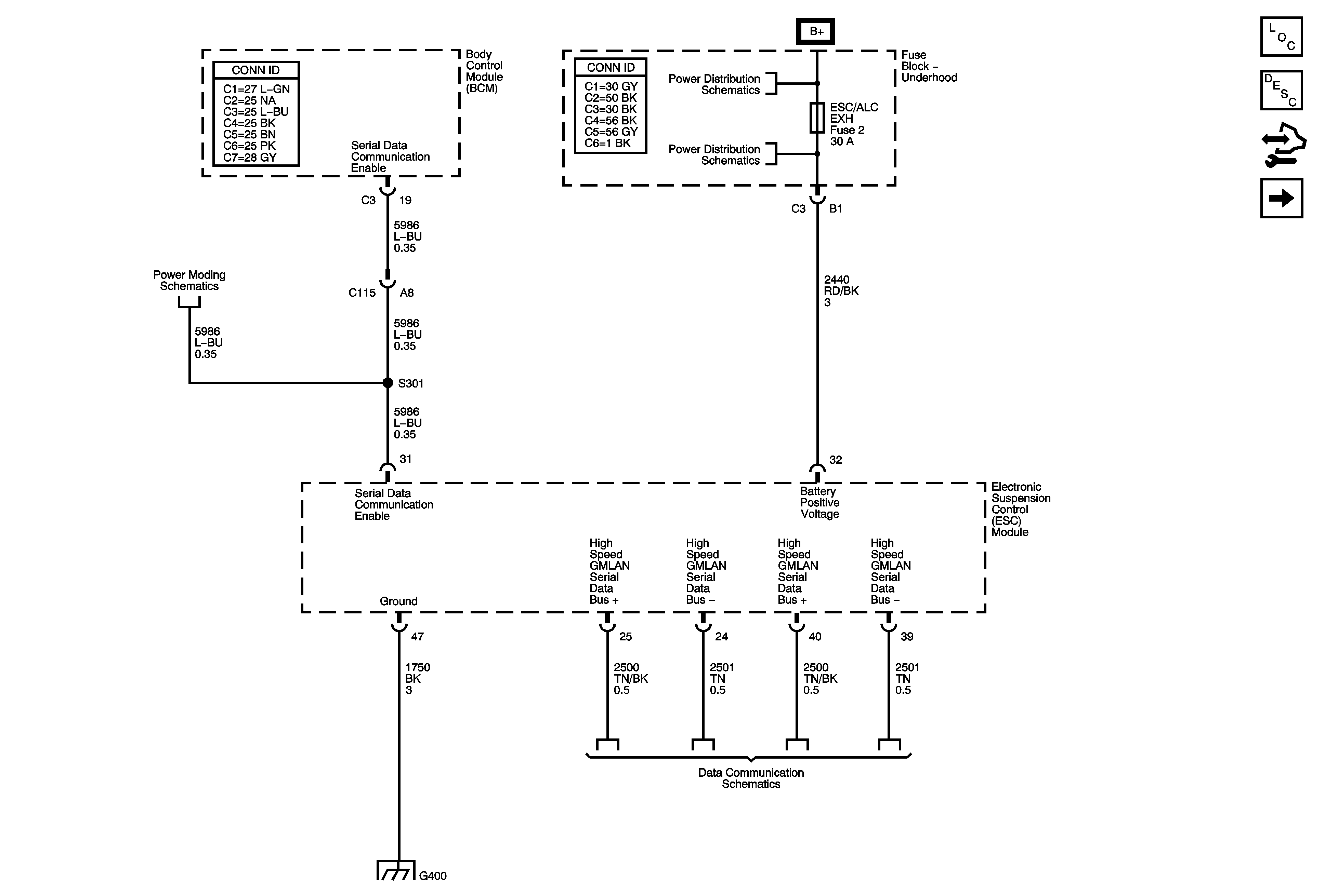
Module Power, Ground, and Serial Data
Master Electrical Component List
Electronic Suspension Control Description and Operation
Control Module References
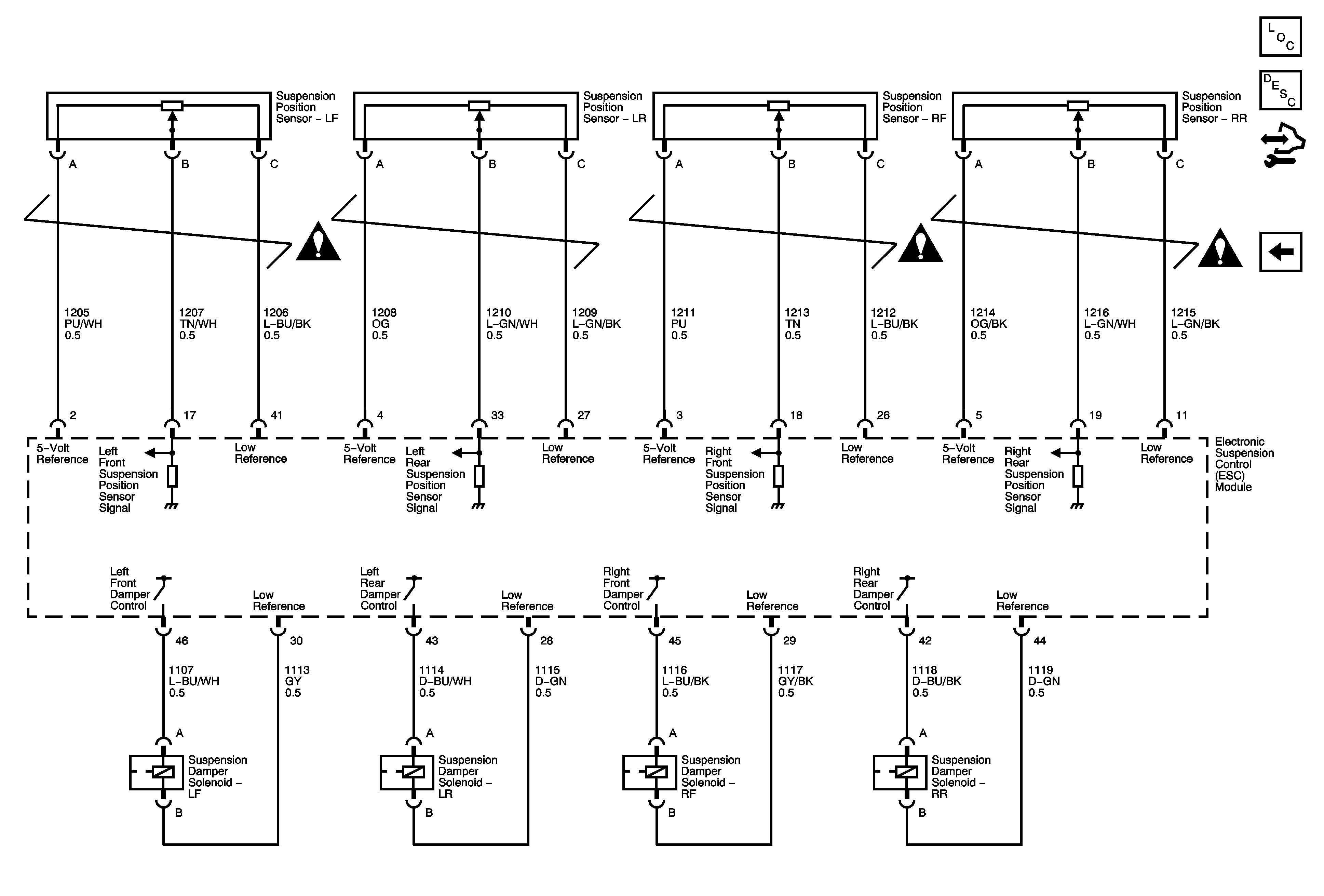
Position Sensors and Solenoids
Module Power, Ground, and Serial Data, Pump Motor and Brake Switch - JD9 Under 8600 GVW
G400
B+ Bus - 1 of 3
AMP, ELEC RUN BOARD, ESC/ALC EXH, EXP/BRK MDL, INFO, and TREC Fuses
High Speed Bus - 2 of 2
Figure
2:
Position Sensors and Solenoids
Master Electrical Component List
Electronic Suspension Control Description and Operation
Control Module References
Module Power, Ground, and Serial Data