GM Service Manual Online
For 1990-2009 cars only
Makes
🢒
Chevrolet
🢒
2007
🢒
Chevy Suburban - 4WD
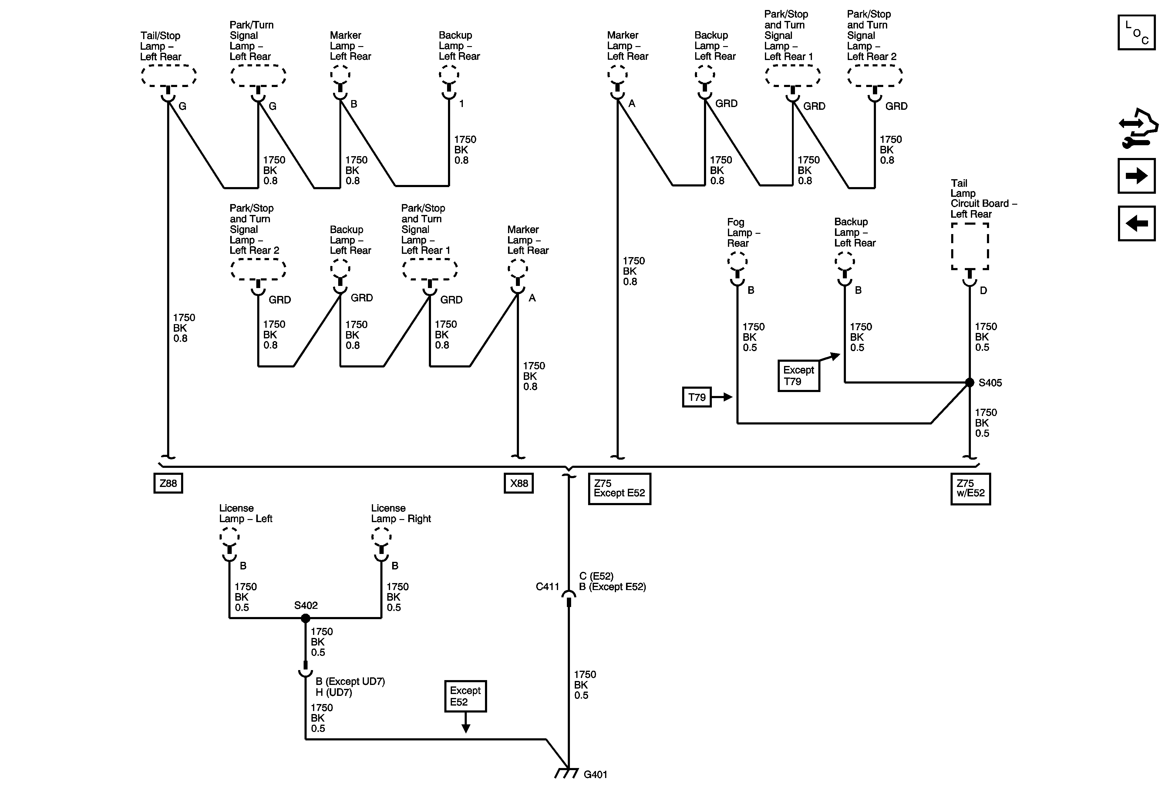
🢒 G401
G401
G401
Master Electrical Component List
Control Module References
G402 - E52
G400