GM Service Manual Online
For 1990-2009 cars only
Makes
🢒
Chevrolet
🢒
2007
🢒
Chevy Suburban - 4WD
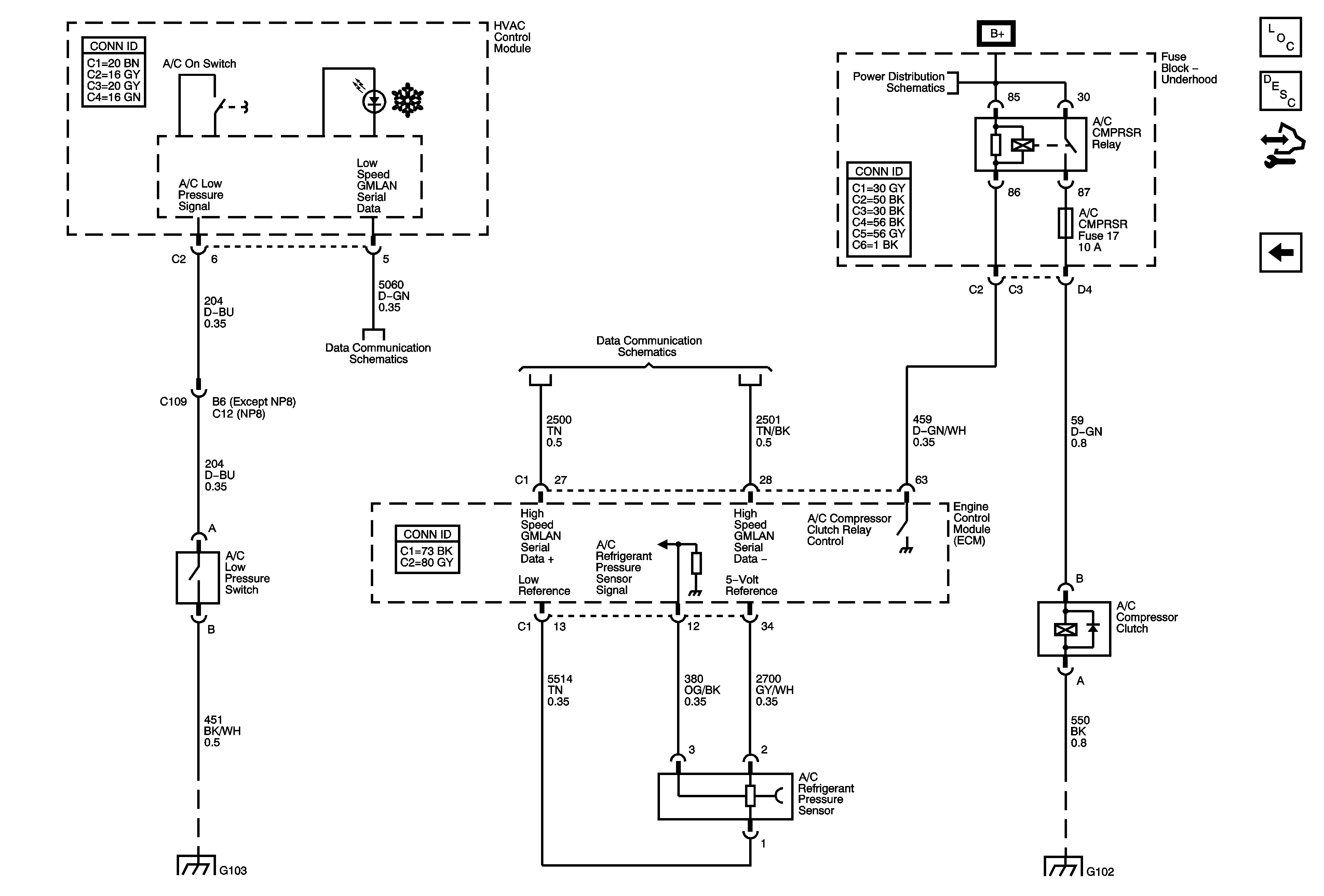
🢒 A/C Compressor Controls
A/C Compressor Controls
A/C Compressor Controls
Master Electrical Component List
Air Delivery Description and Operation
Control Module References
Auxiliary Temperature Controls
Low Speed Bus - SP200 - 1 of 3
High Speed Bus - 1 of 2
G103, G110, and G111
B+ Bus - 1 of 3
G102 and G108