GM Service Manual Online
For 1990-2009 cars only
Makes
🢒
Chevrolet
🢒
2007
🢒
Chevy Suburban - 4WD
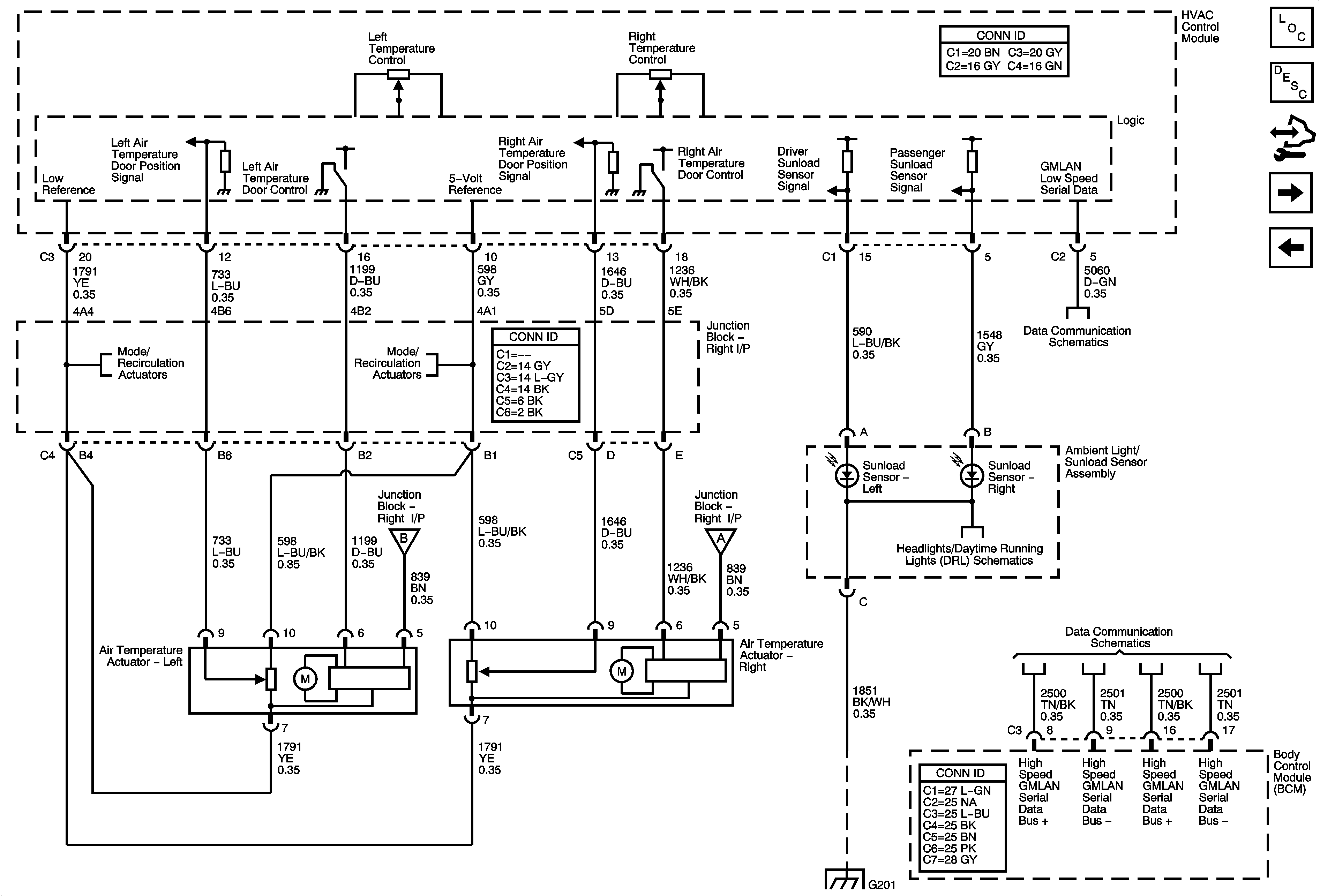
🢒 Front Temperature Controls
Front Temperature Controls
Front Temperature Controls
Master Electrical Component List
Air Delivery Description and Operation
Control Module References
Front Temperature Sensors
Front Mode Controls
Front Mode Controls
Front Mode Controls
Low Speed Bus - SP200 - 1 of 3
Headlamp and Daytime Running Lamp Controls
High Speed Bus - 1 of 2
G201