GM Service Manual Online
For 1990-2009 cars only
Makes
🢒
Chevrolet
🢒
2007
🢒
Chevy Suburban - 4WD
🢒 Indicators
Indicators
Indicators
Master Electrical Component List
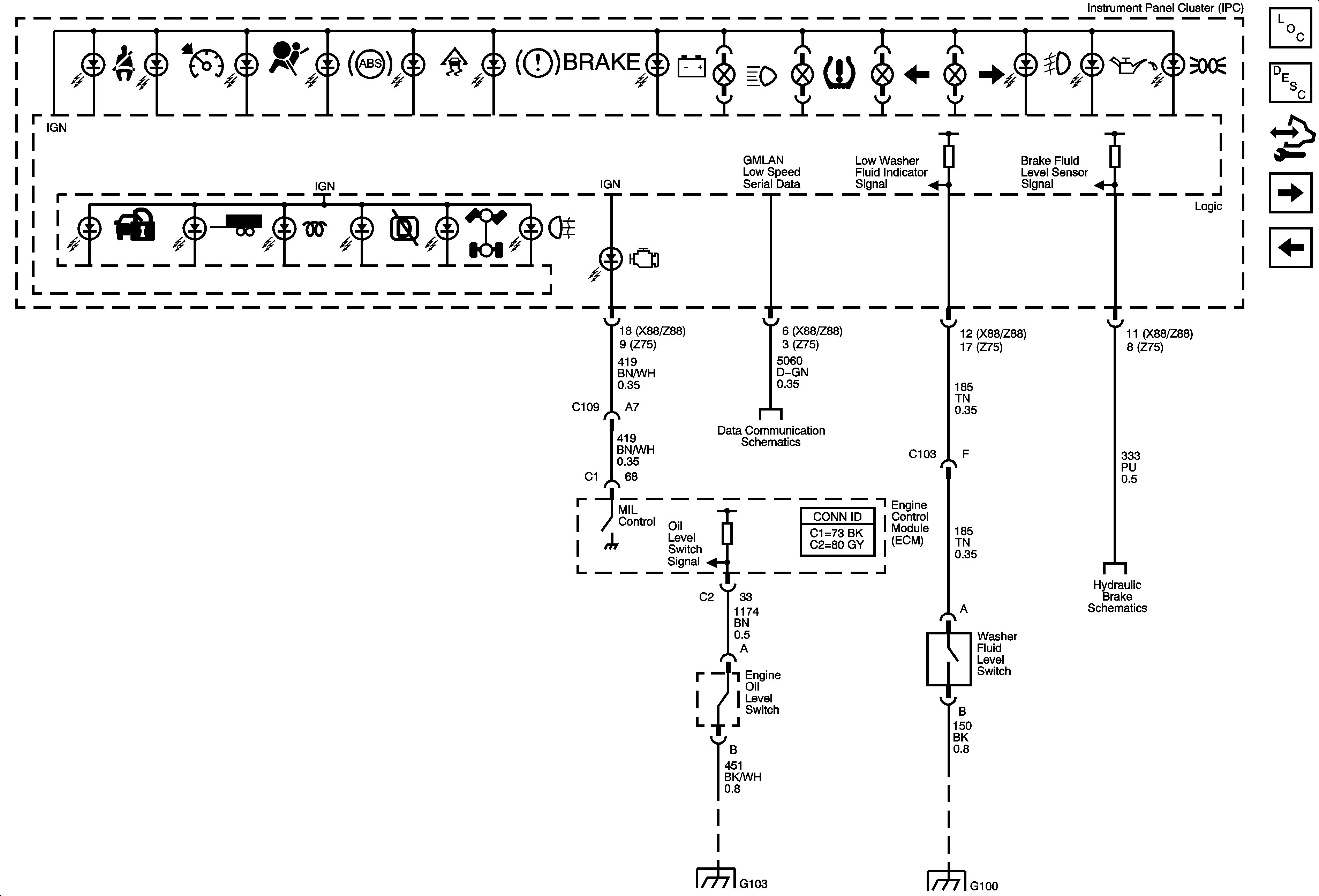
Instrument Cluster Description and Operation
Control Module References
Gages
Power, Ground, and Driver Information Center Switch
Low Speed Bus - SP200 - 1 of 3
G103, G110, and G111
G100