GM Service Manual Online
For 1990-2009 cars only
Makes
🢒
Chevrolet
🢒
2007
🢒
Chevy Suburban - 4WD
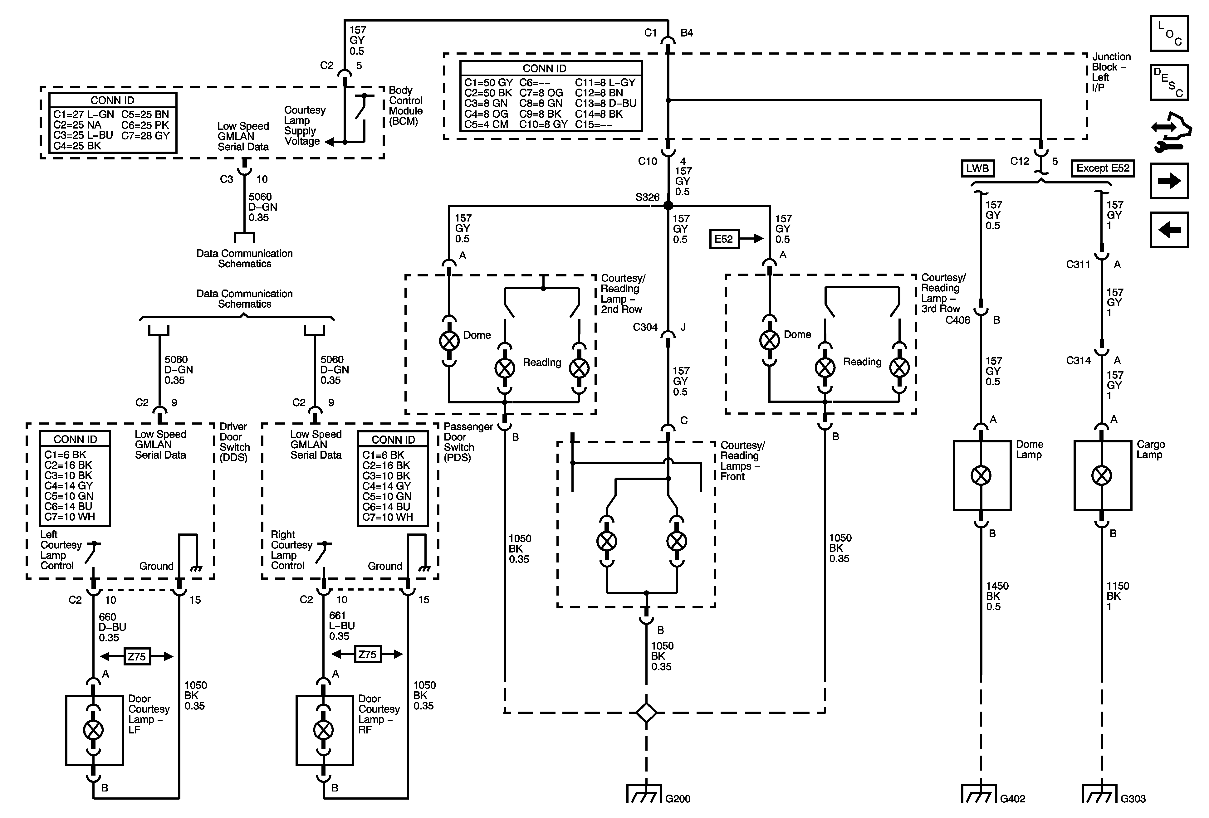
🢒 Courtesy Lamp Control
Courtesy Lamp Control
Courtesy Lamp Controls
Master Electrical Component List
Interior Lighting Systems Description and Operation
Control Module References
Door Jamb Switches
Inadvertent Lamp Control
Low Speed Bus - SP 200 - 2 of 3
Low Speed Bus - SP200 - 1 of 3
G200 - 1 of 2
G402 - E52
G303, G304, and G305