GM Service Manual Online
For 1990-2009 cars only
Makes
🢒
Chevrolet
🢒
2007
🢒
Chevy Suburban - 4WD
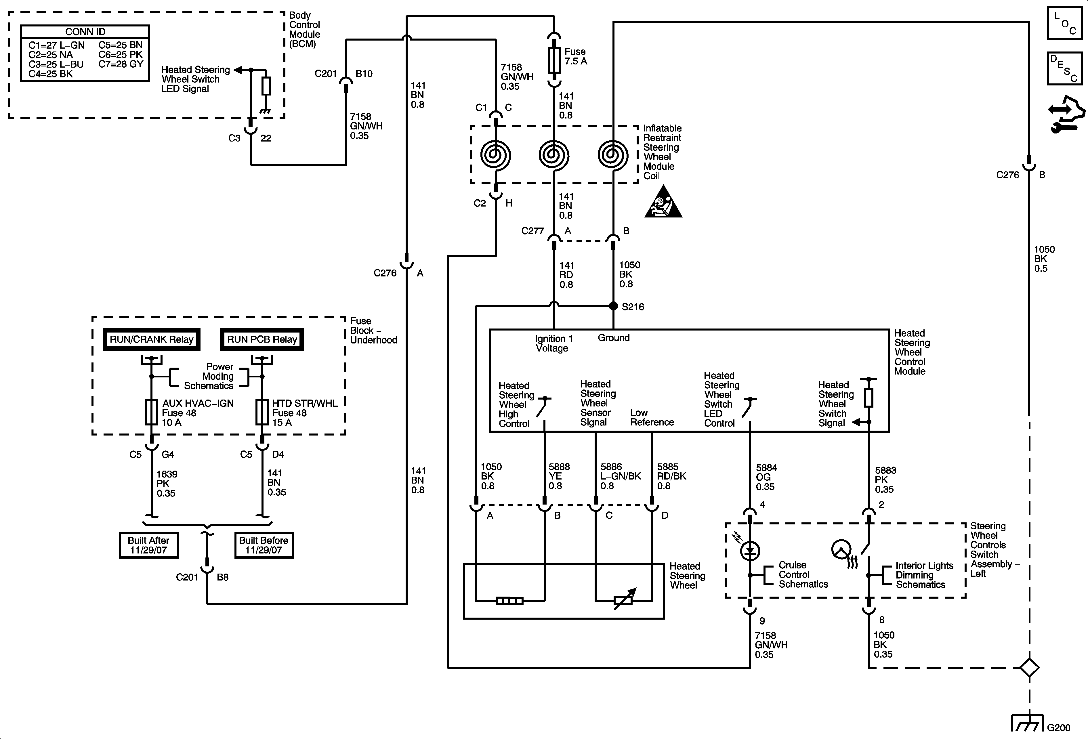
🢒 Heated Steering Wheel Schematics
Heated Steering Wheel Schematics
Heated Steering Wheel
Master Electrical Component List
Steering Wheel and Column Description and Operation
Control Module References
B+ Bus - 1 of 3
Ignition 3 and Accessory Voltage
G102 and G108
FWD and HTD STR/WHL Fuses - Built Before 11/29
G102 and G108
G200 - 1 of 2