GM Service Manual Online
For 1990-2009 cars only
Makes
🢒
Chevrolet
🢒
2007
🢒
Chevy Suburban - 4WD
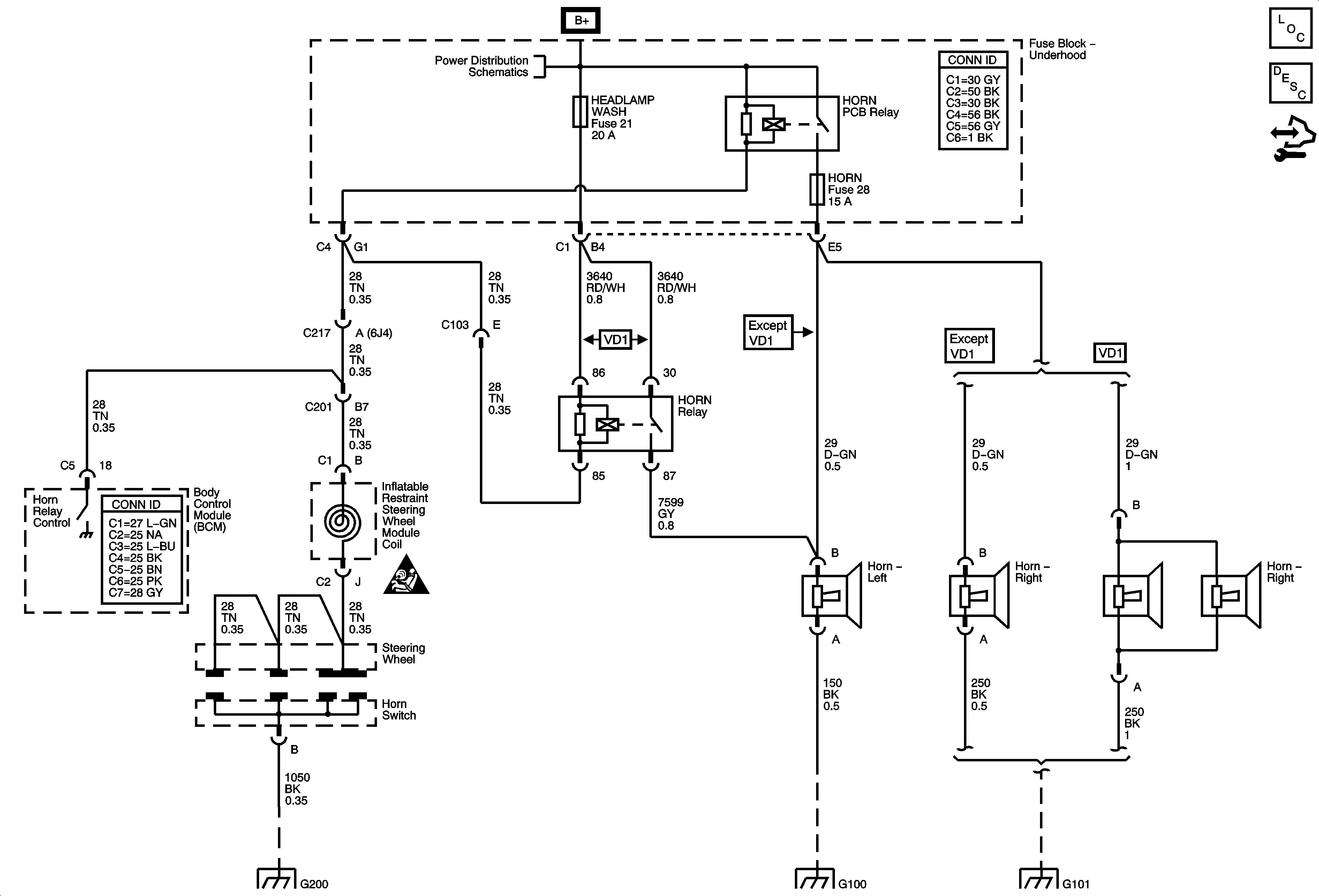
🢒 Horn Schematics
Horn Schematics
Master Electrical Component List
Horns System Description and Operation
Control Module References
B+ Bus - 1 of 3
G100
G101
G200 - 1 of 2