GM Service Manual Online
For 1990-2009 cars only
Makes
🢒
Chevrolet
🢒
2008
🢒
Chevy Suburban - 4WD
🢒
Diagnostic Navigation
🢒
Vehicle Diagnostic Information
🢒 Outside Rearview Mirror Schematics
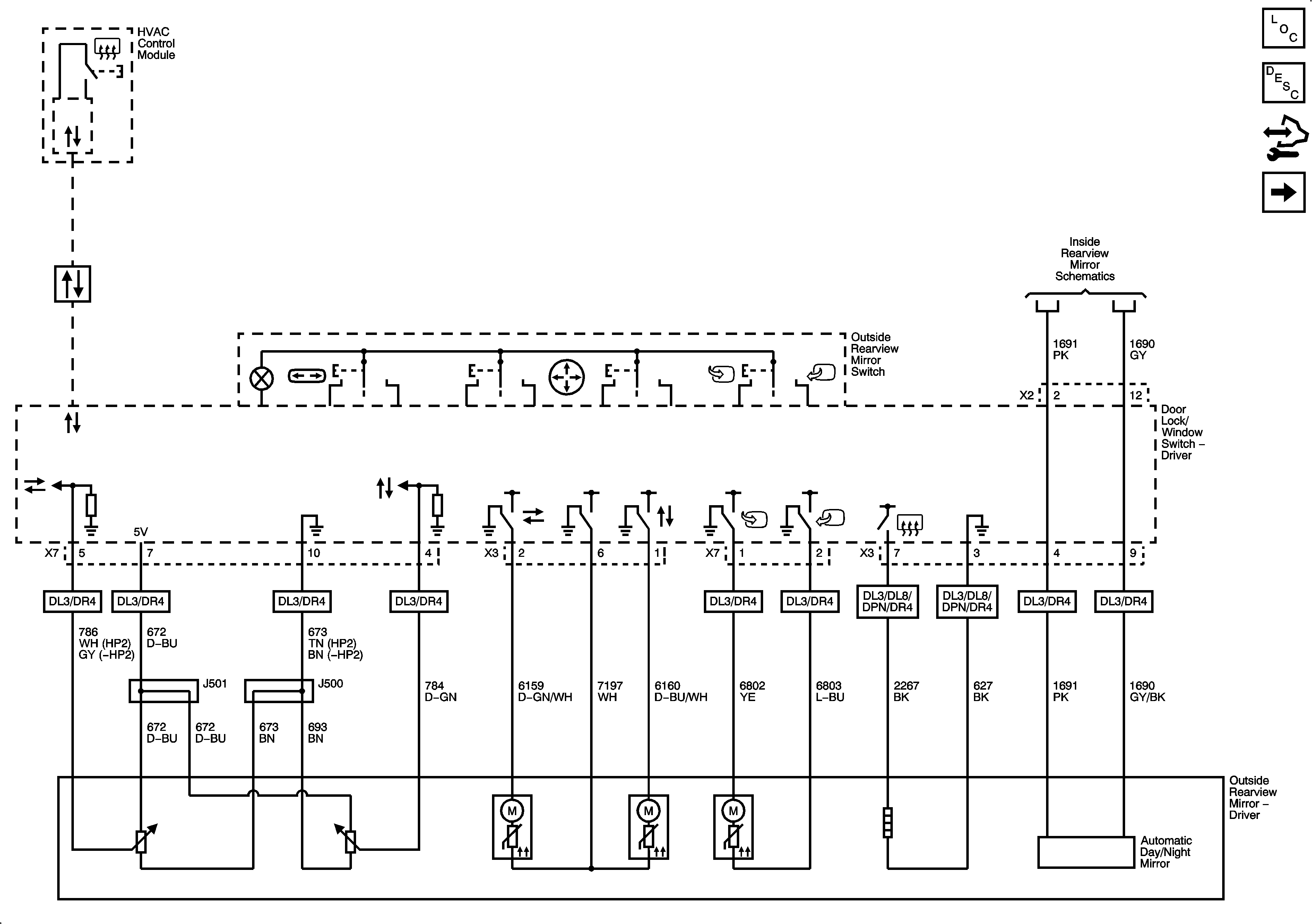
Figure
1:
Driver
Master Electrical Component List
Outside Mirror Description and Operation (Power Mirrors)
Control Module References
Passenger
Data Communication Schematics
Inside Rearview Mirror Schematics
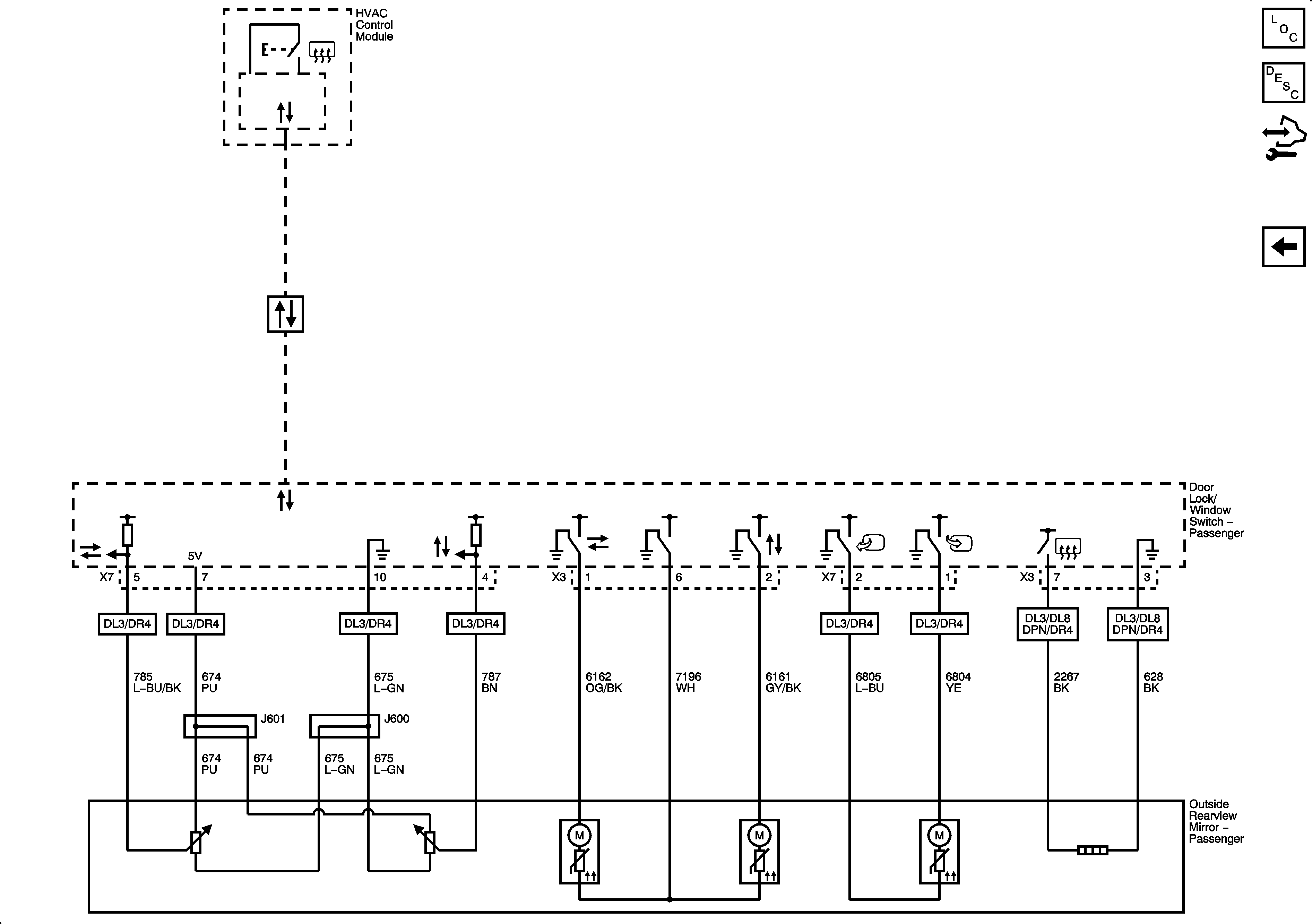
Figure
2:
Passenger
Master Electrical Component List
Outside Mirror Description and Operation (Power Mirrors)
Control Module References
Driver
Data Communication Schematics