GM Service Manual Online
For 1990-2009 cars only
Makes
🢒
Chevrolet
🢒
2008
🢒
Chevy Suburban - 4WD
🢒
Diagnostic Navigation
🢒
Vehicle Diagnostic Information
🢒 Moveable Window Schematics
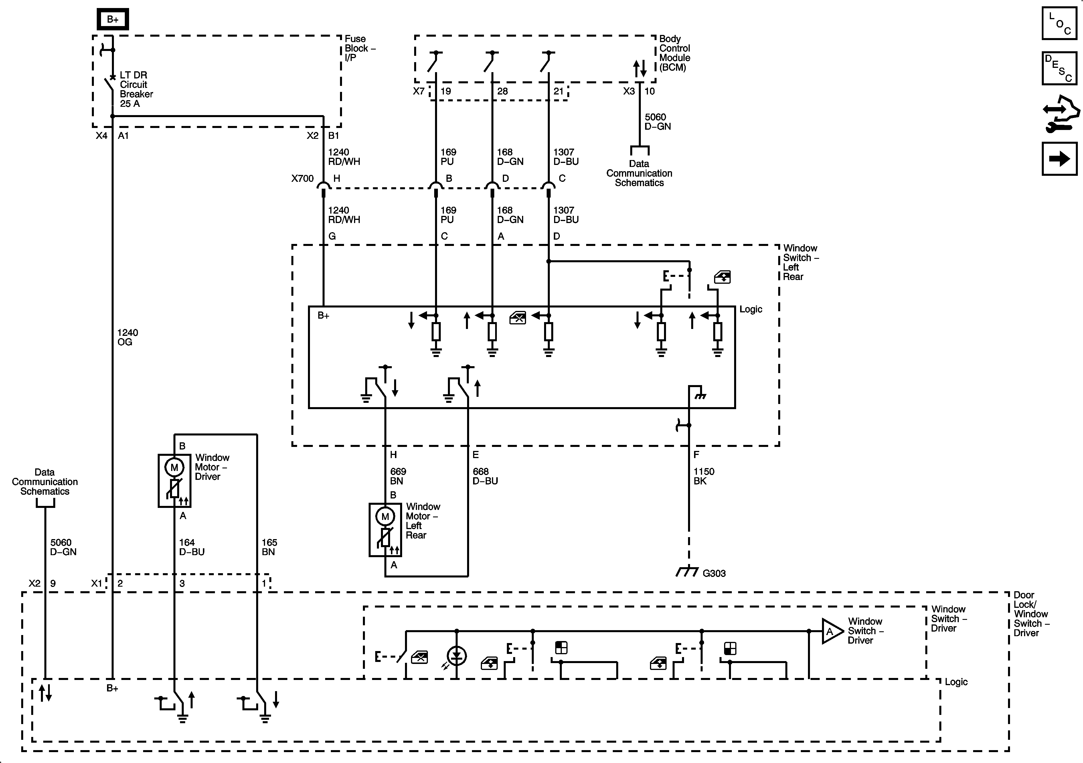
Figure
1:
Left
Master Electrical Component List
Power Windows Description and Operation
Control Module References
Right
IS LAMPS, LT STOP TRN, OBS DET, REAR SEAT, and STOP LAMPS Fuses and LT DR Circuit Breaker
Low Speed Bus - JX200 - 2 of 3
Low Speed Bus - JX200 - 1 of 3
G303, G304, and G305
Right
Figure
2:
Right
Master Electrical Component List
Power Windows Description and Operation
Control Module References
Left
Low Speed Bus - JX200 - 1 of 3
BCM, COOLED SEATS, CTSY, DDM, DIM, DSM, LBEC 1, MBEC 1, REAR HVAC, and RT STOP TRN Fuses and DRIVER SEAT 2, PASS SEAT 1, and RT DOORS Circuit Breakers
Low Speed Bus - JX200 - 1 of 3
G303, G304, and G305
Low Speed Bus - JX200 - 2 of 3
Left