GM Service Manual Online
For 1990-2009 cars only
Makes
🢒
Chevrolet
🢒
2008
🢒
Chevy Suburban - 4WD
🢒
Diagnostic Navigation
🢒
Vehicle Diagnostic Information
🢒 Antilock Brake System Schematics
Figure
1:
Module Power, Ground, and Serial Data, Pump Motor and Brake Switch - JD9 Under 8600 GVW
Master Electrical Component List
ABS Description and Operation W JD9
Control Module References
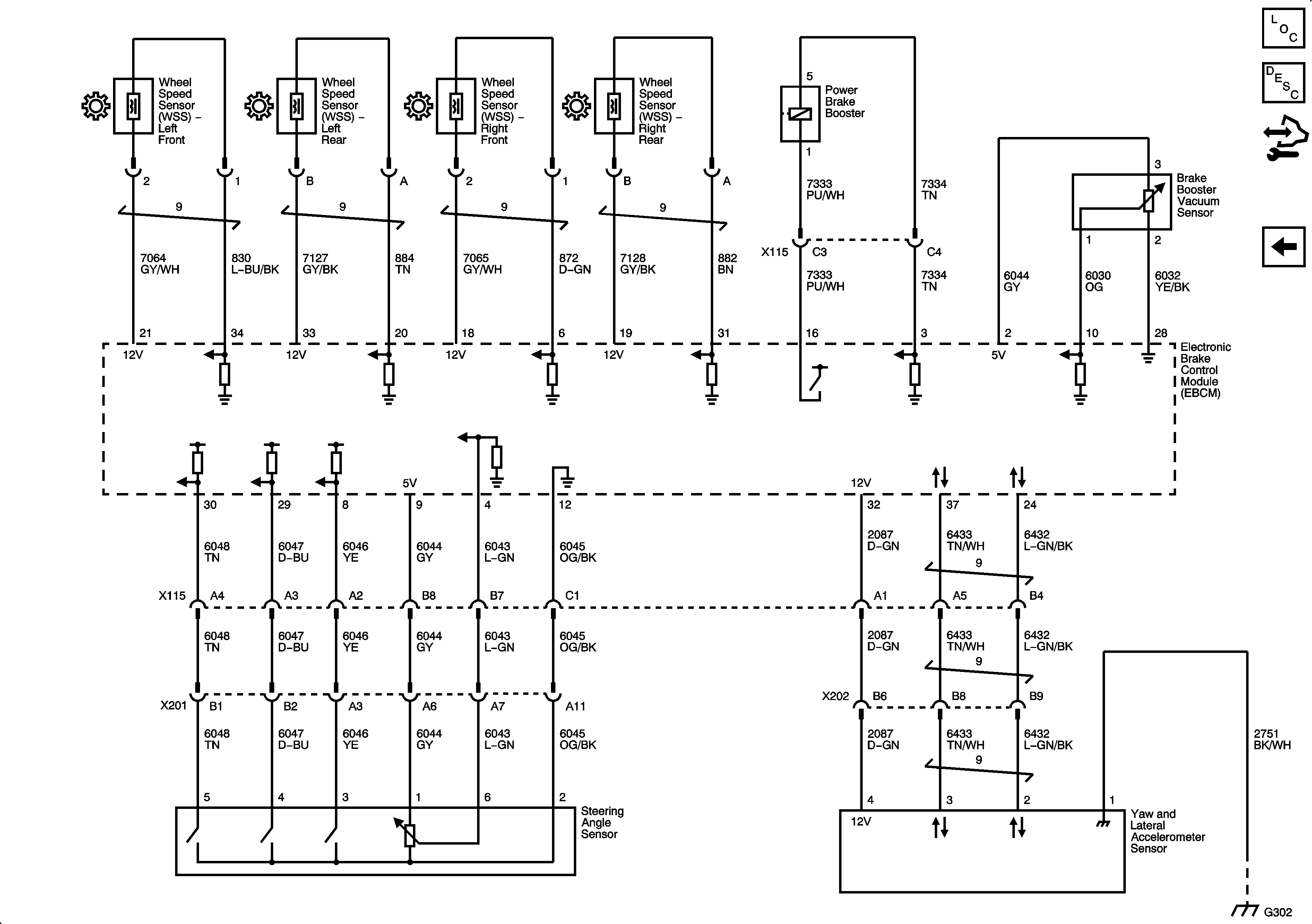
Sensors - JD9 Under 8600 GVW
Figure
2:
Sensors - JD9 Under 8600 GVW
Master Electrical Component List
ABS Description and Operation
Control Module References
Module Power, Ground, and Serial Data, Pump Motor and Brake Switch - JD9 Under 8600 GVW
G300, G302, G311, G312, G313, and G314