GM Service Manual Online
For 1990-2009 cars only
Figure 1:

Display Power and Ground


Object Number: 1907272  Size: FS
Master Electrical Component List
Video Entertainment System Description and Operation (Non-Headrest DVD Systems)
Control Module References
Video Signals
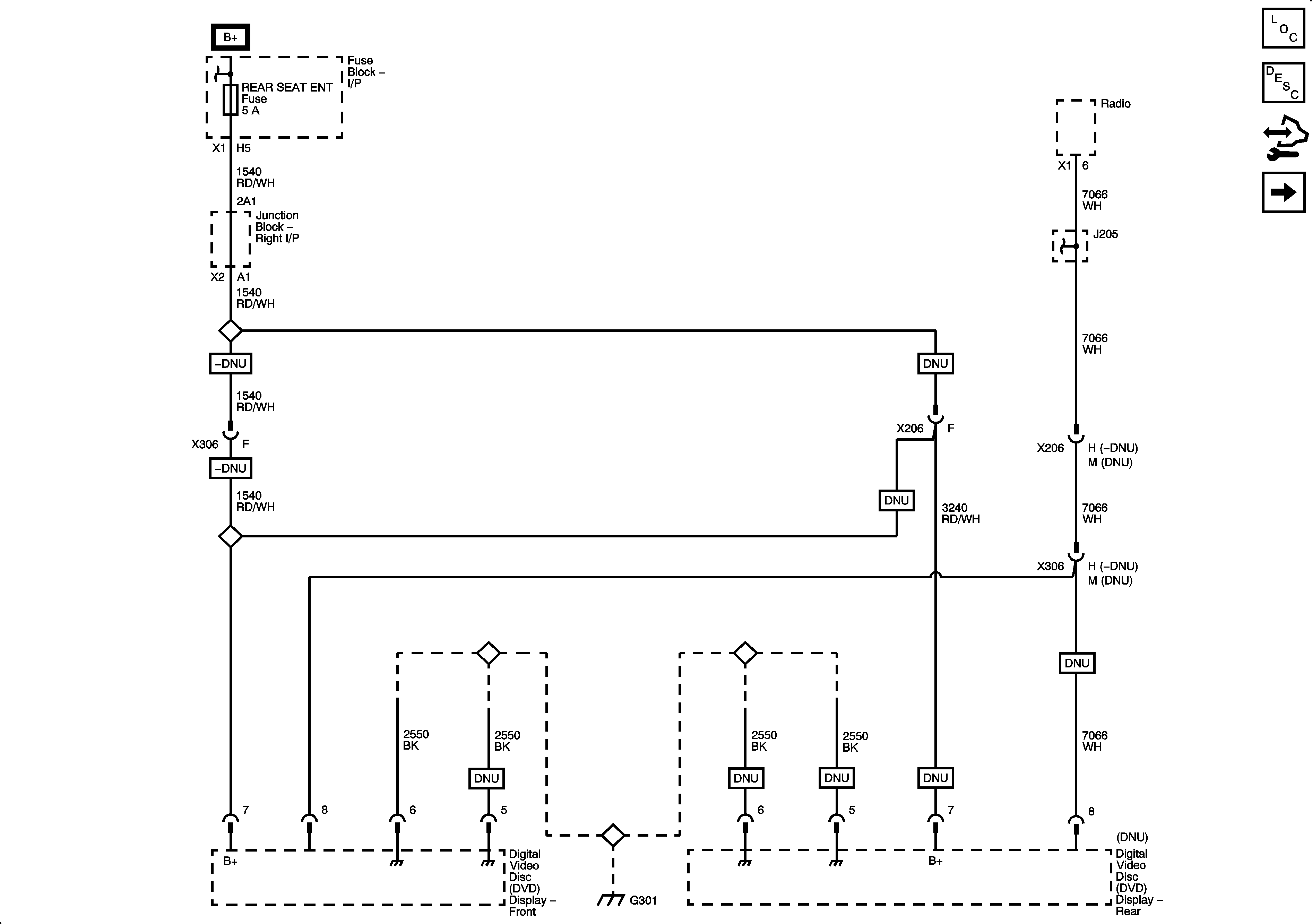
LCK 1, LCK 2, UNLCK 1, UNLCK 2, INFO, and REAR SEAT ENT Fuses
G301
Figure 2:

Video Signals


Object Number: 1907277  Size: FS
Master Electrical Component List
Video Entertainment System Description and Operation (Non-Headrest DVD Systems)
Control Module References
Audio Signals
Display Power and Ground
Amplifier Inputs - UQA or UQS
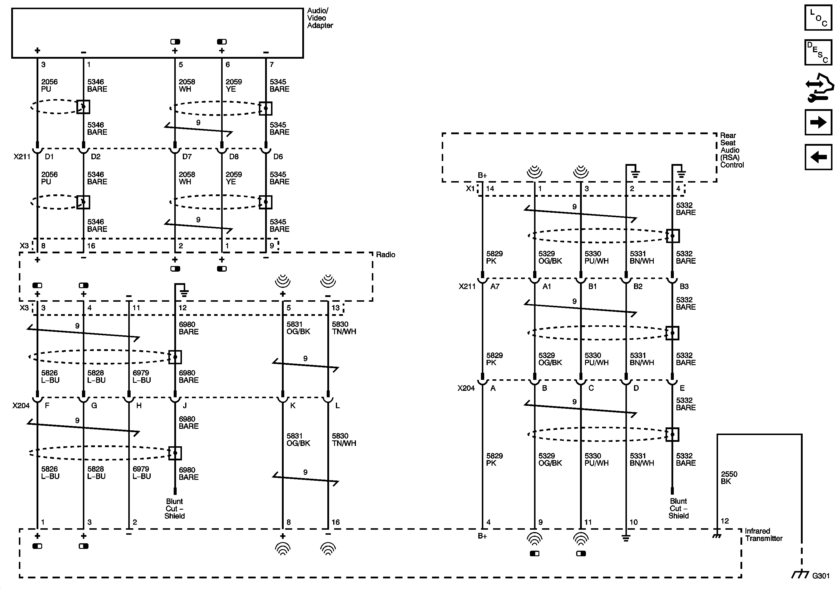
Figure 3:

Audio Signals


Object Number: 1907281  Size: FS
Master Electrical Component List
Video Entertainment System Description and Operation (Non-Headrest DVD Systems)
Control Module References
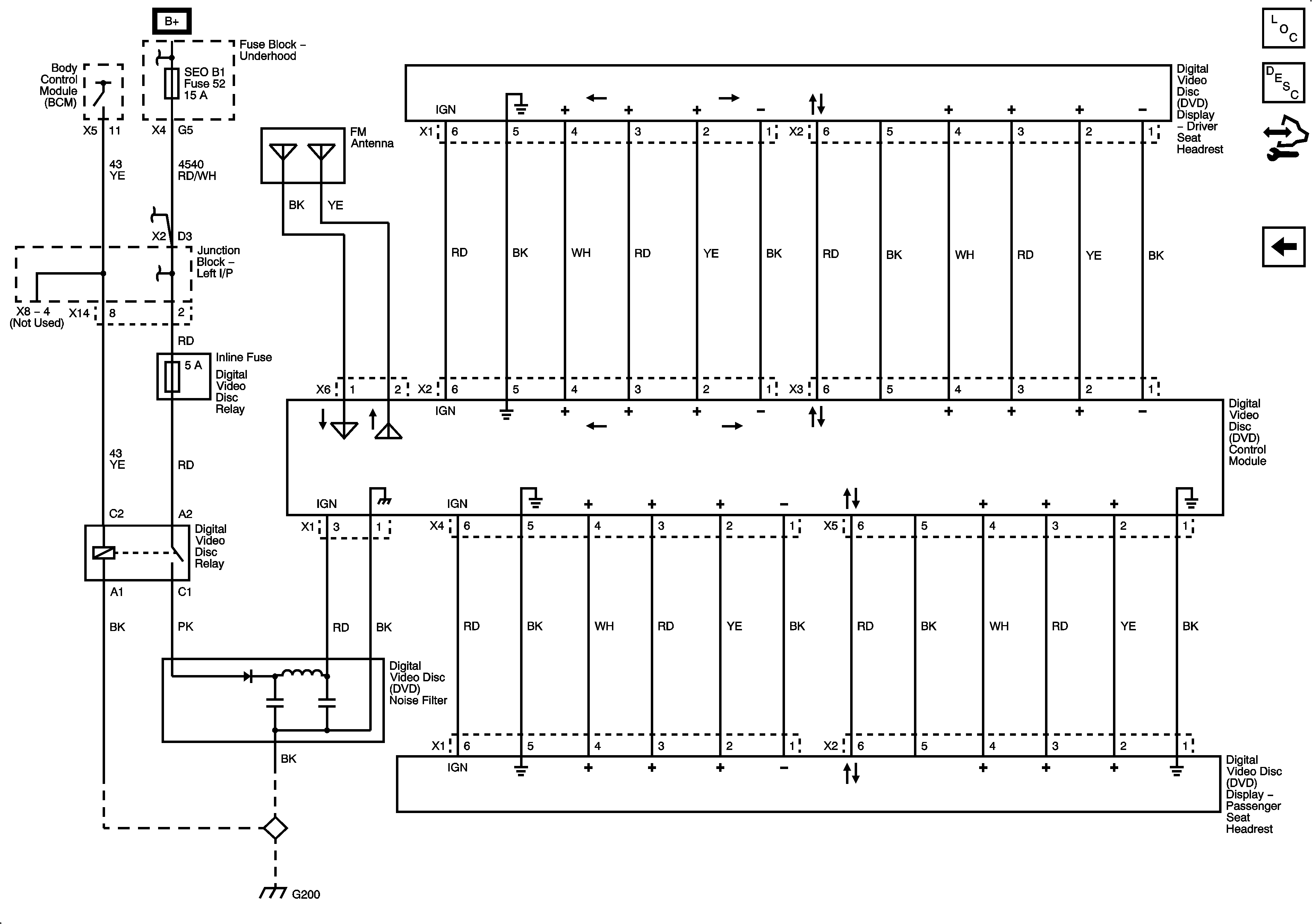
Dual DVD Headrest System
Video Signals
Figure 4:

Dual DVD Headrest System


Object Number: 1907284  Size: FS
Master Electrical Component List
Video Entertainment System Description and Operation (Non-Headrest DVD Systems)
Control Module References
Module Power, Ground, and Serial Data
Audio Signals
RUN/CRANK Bus - AIRBAG IGN, MISC IGN and SEO/ALC Fuses
G200 - 1 of 2
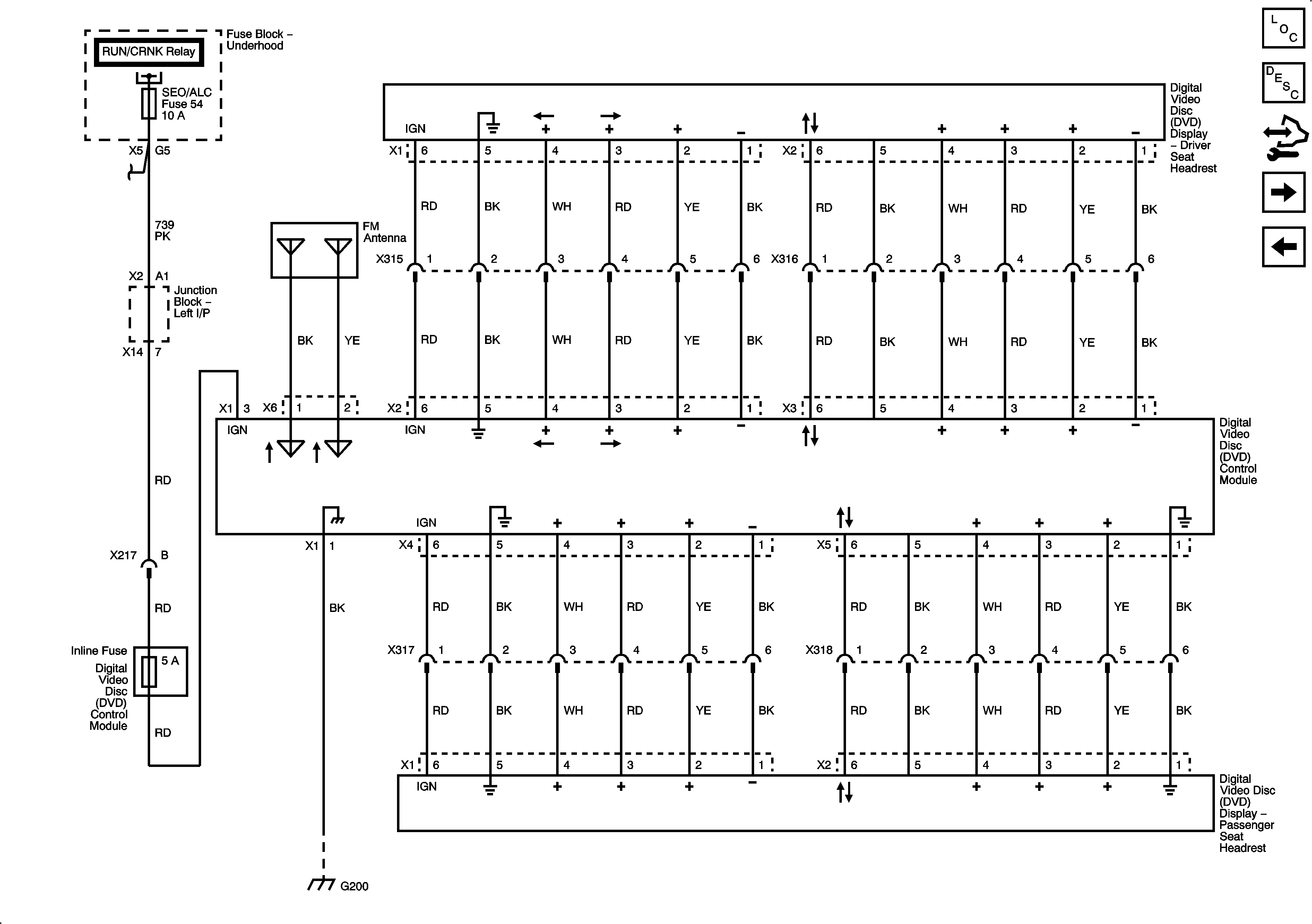
Figure 5:

Dual DVD Headrest System - AYE


Object Number: 2087976  Size: FS
Master Electrical Component List
Video Entertainment System Description and Operation (Non-Headrest DVD Systems)
Control Module References
Dual DVD Headrest System
AIRBAG, SEO B1, and SEO B2 Fuses
G200 - 1 of 2