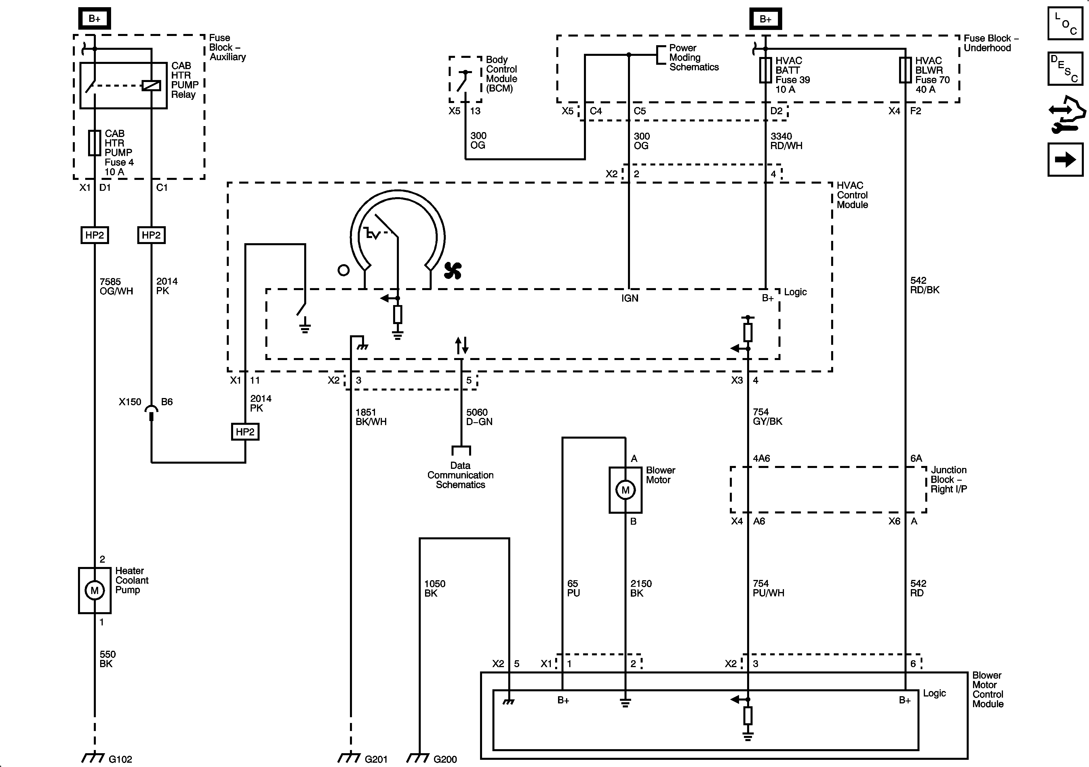
GM Service Manual Online
For 1990-2009 cars only
Figure 1:

Module Power, Ground, Serial Data, Front Blower Controls and Hybrid Cabin Heating


Object Number: 1906923  Size: FS
Master Electrical Component List
Air Temperature Description and Operation
Control Module References
Front Mode Controls
ACCM, ACPO, BECM, BECM FAN, CAB HTR PUMP, COOL PUMP, EPS, PIM 1 and PIM 2 Fuses
Ignition 3 and Accessory Voltage
ECM-BATT, HEADLAMP WASH, HVAC BATT, IPC, LTR, S/ROOF, and TCM-BATT Fuses
ABS-1, ABS 2, HEAVY DUTY ABS, HVAC BLWR, STUD 1, STUD 2, and WFHS Fuses
Low Speed Bus - JX200 - 1 of 3
G102, G104, and G108
G201
G200 - 1 of 2
Figure 2:

Front Mode Controls


Object Number: 1906927  Size: FS
Master Electrical Component List
Air Delivery Description and Operation
Control Module References
Front Temperature Controls
Module Power, Ground, Serial Data, Front Blower Controls, and Hybrid Cabin Heating
Front Temperature Controls
Front Temperature Controls
Front Temperature Controls
G102, G104, and G108
Front Temperature Controls
Figure 3:

Front Temperature Controls


Object Number: 1906930  Size: FS
Master Electrical Component List
Air Temperature Description and Operation
Control Module References
Auxiliary Blower Controls
Front Mode Controls
Front Mode Controls
Front Mode Controls
Front Mode Controls
Front Mode Controls
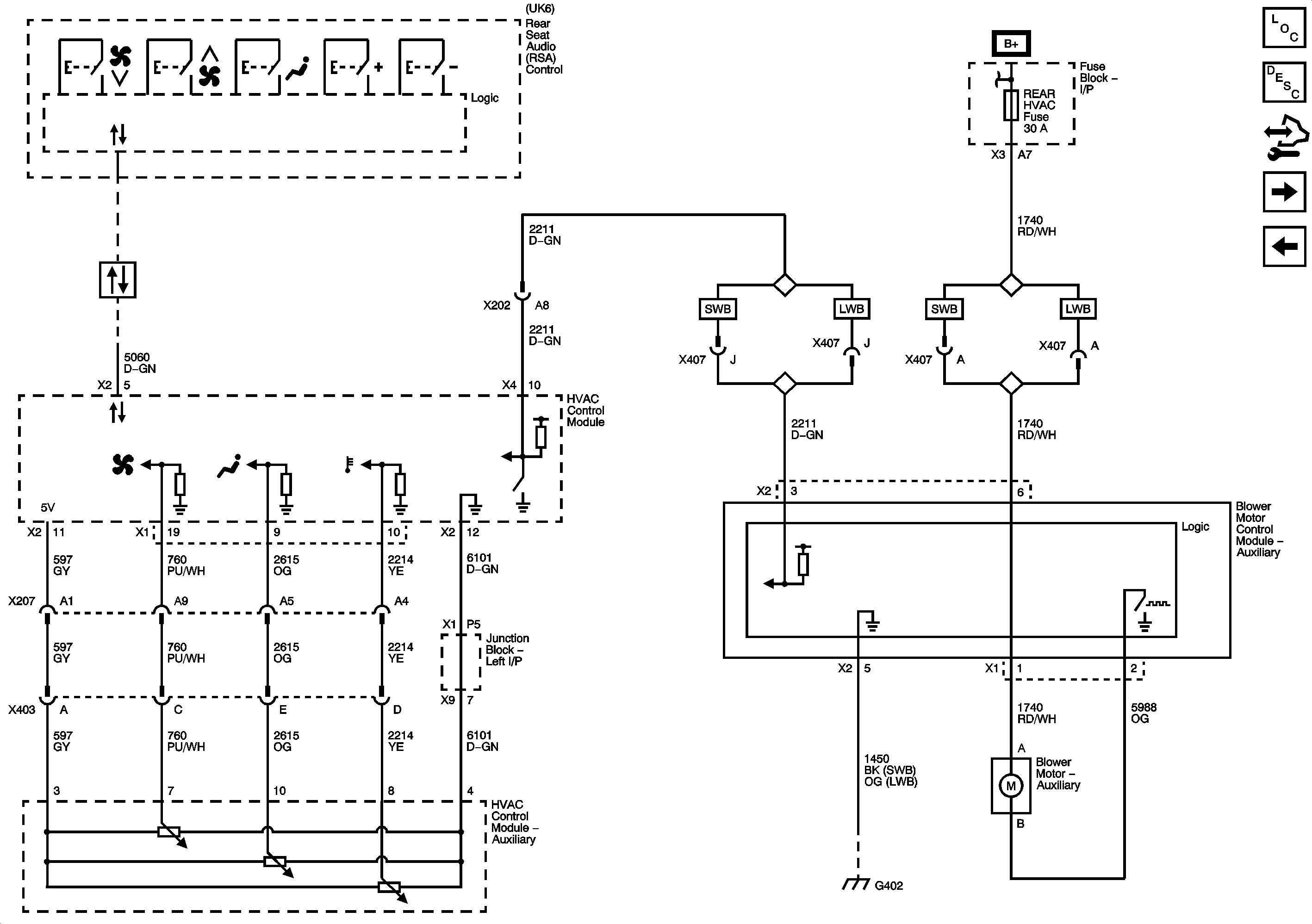
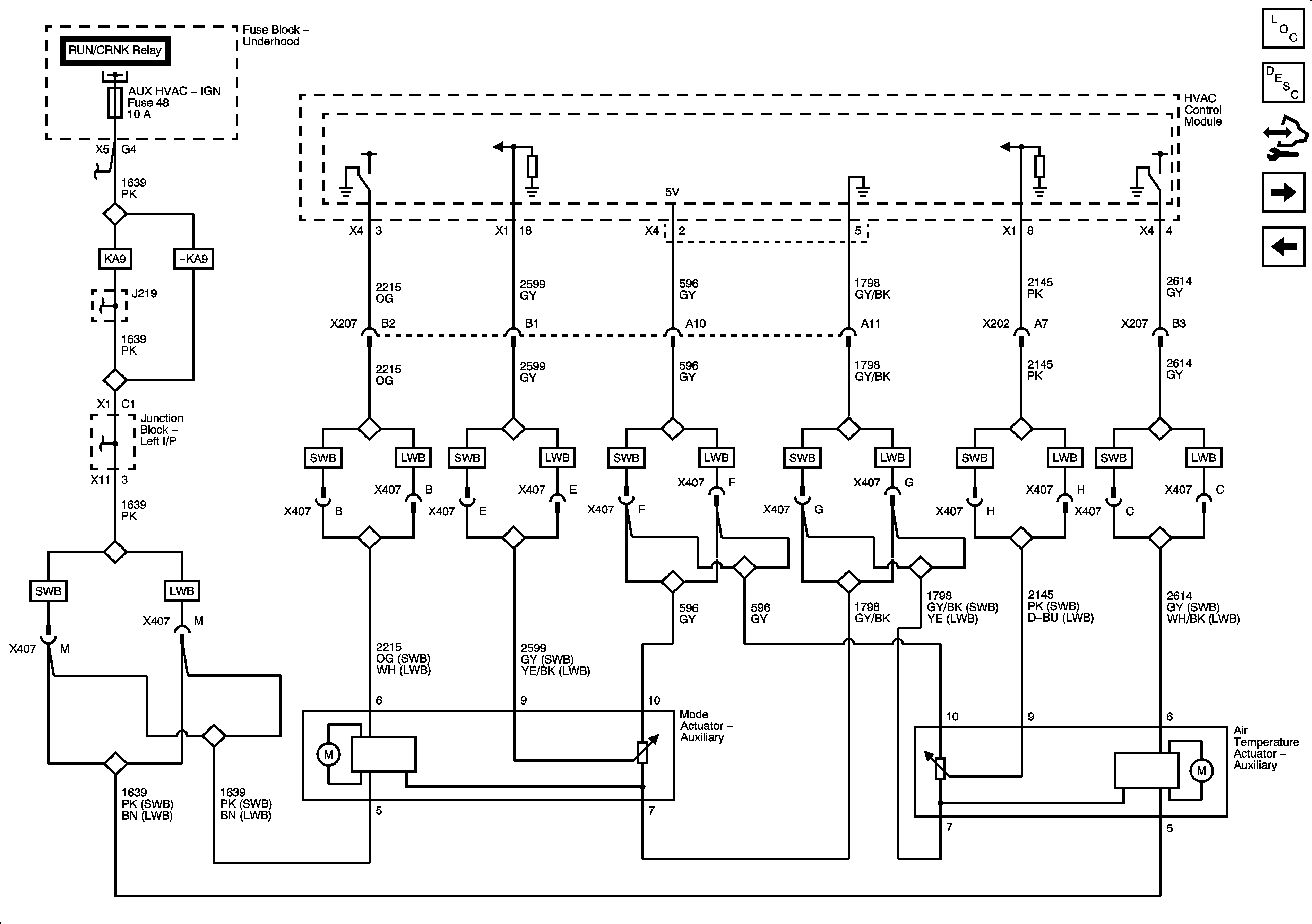
Figure 4:

Auxiliary Blower Controls


Object Number: 1906936  Size: FS
Master Electrical Component List
Air Delivery Description and Operation
Control Module References
Auxiliary Temperature Controls
Front Temperature Controls
Data Communication Schematics
BCM, COOLED SEATS, CTSY, DDM, DIM, DSM, LBEC 1, MBEC 1, REAR HVAC, and RT STOP TRN Fuses and DRIVER SEAT 2, PASS SEAT 1, and RT DOORS Circuit Breakers
G402 - E52
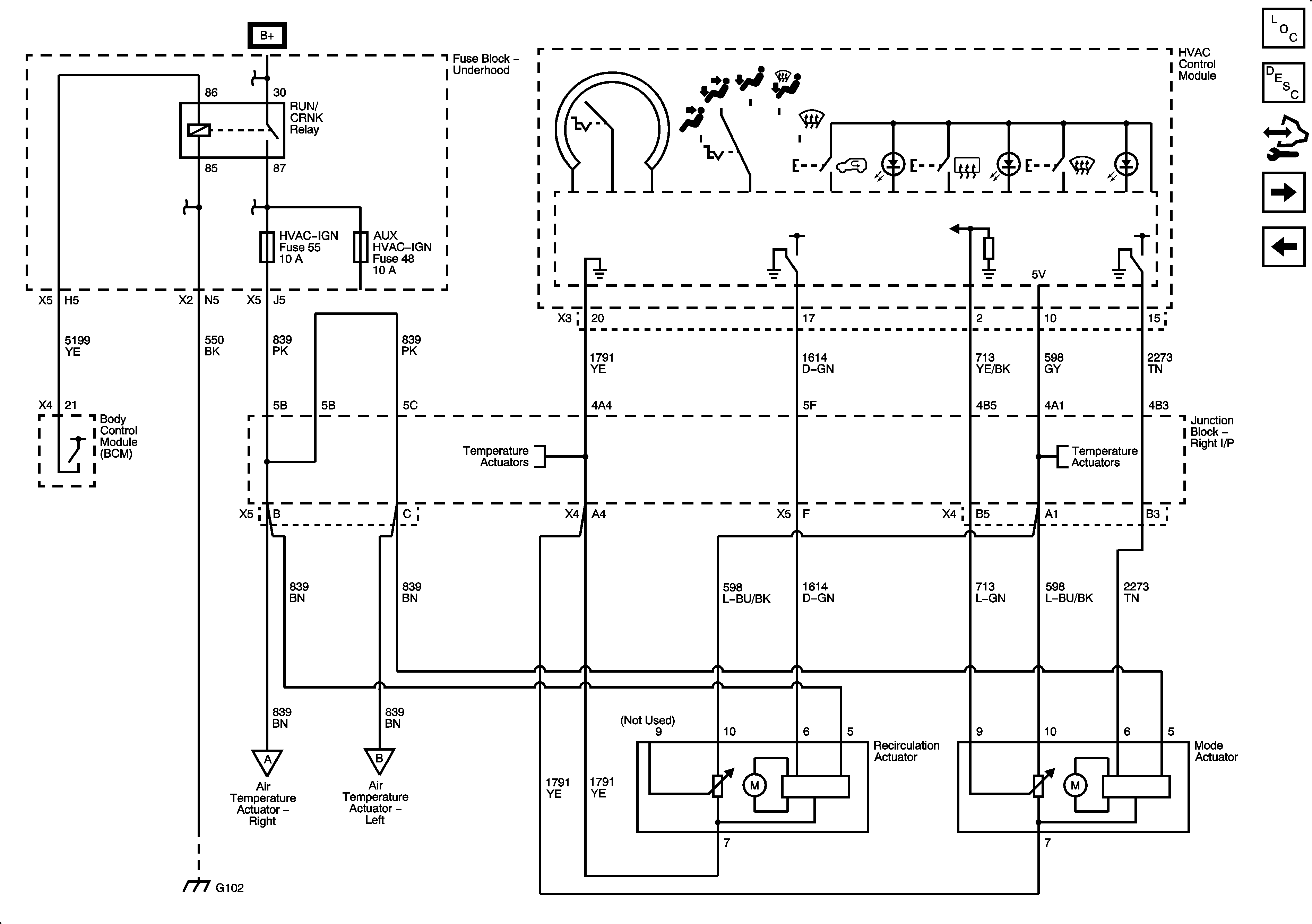
Figure 5:

Auxiliary Temperature Controls


Object Number: 1906942  Size: FS
Master Electrical Component List
Air Temperature Description and Operation
Control Module References
A/C Compressor Controls
Auxiliary Blower Controls
RUN/CRANK Bus - AUX HVAC - IGN and HVAC - IGN Fuses
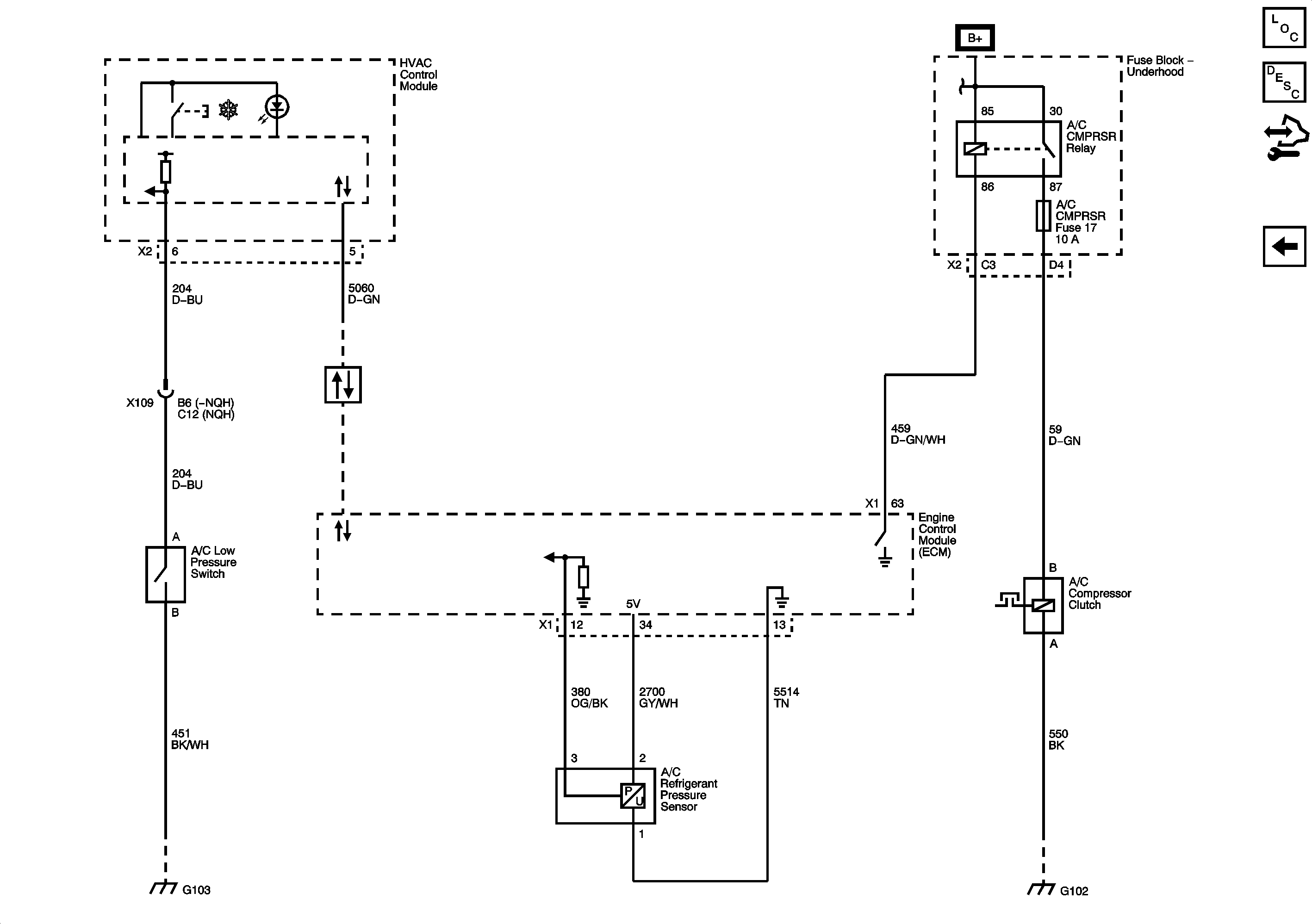
Figure 6:

A/C Compressor Controls


Object Number: 1906945  Size: FS
Master Electrical Component List
Air Temperature Description and Operation
Control Module References
Auxiliary Temperature Controls
G103, G110 and G111
Data Communication Schematics
A/C CMPRSR, FRT WASH, FUEL PUMP, HORN, and REAR DEFOG and REAR WASH Fuses
G103, G110 and G111
G102, G104, and G108