GM Service Manual Online
For 1990-2009 cars only
Makes
🢒
Chevrolet
🢒
2008
🢒
Chevy Suburban - 4WD
🢒
Diagnostic Navigation
🢒
Vehicle Diagnostic Information
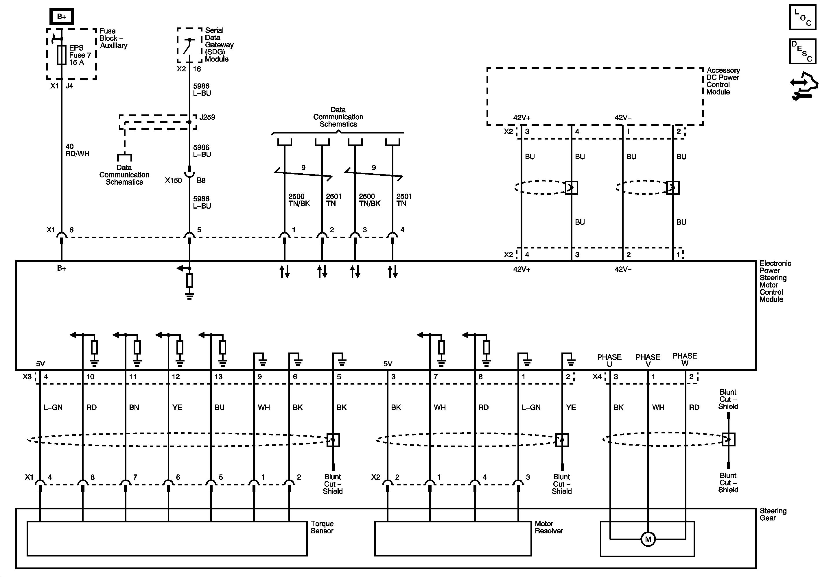
🢒 Power Steering Schematics
Hybrid Power Steering System
Master Electrical Component List
Power Steering System Description and Operation (EPS)
Control Module References
ACCM, ACPO, BECM, BECM FAN, CAB HTR PUMP, COOL PUMP, EPS, PIM 1 and PIM 2 Fuses
High Speed Bus (HP2)
Serial Data Communication Enable and Wake-up Circuits