GM Service Manual Online
For 1990-2009 cars only

Removal Procedure

    Danger: Always perform the High Voltage Disabling procedure prior to servicing any High Voltage component or connection. Personal Protection Equipment (PPE) and proper procedures must be followed.

    The High Voltage Disabling procedure will perform the following tasks:

       • Identify how to disable high voltage.
       • Identify how to test for the presence of high voltage.
       • Identify condition under which high voltage is always present and personal protection equipment (PPE) and proper procedures must be followed.
    Failure to follow the procedures exactly as written may result in serious injury or death.

  1. Perform the High Voltage Disabling procedure. Refer to High Voltage Disabling.

  2. Object Number: 1971276  Size: SH
  3. Remove the air cleaner. Refer to Air Cleaner Assembly Replacement.
  4. Disconnect the drive motor generator control module assembly connector (1).
  5. Drain the power electronics cooling system. Refer to Generator Control Module Cooling System Draining and Filling.

  6. Object Number: 1971277  Size: SH

    Caution: Always remove and install the High Voltage terminal fasteners with a magnet tipped socket. Never touch the exposed electronic circuit board surface or components. Dropped fasteners or physical contact may result in electronic circuit board damage.

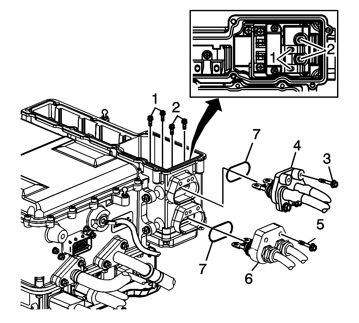
  7. Remove the drive motor generator power inverter control module (PIM) 3 phase cable terminal fasteners (1).
  8. Caution: High Voltage (HV) cables should never be removed from the mounting block. Removal of the individual HV cable from the mounting block may result in HV cable and/or component damage from improper:

       • Cable sealing
       • Electrical shielding
       • Terminal position assurance

  9. Remove the PIM 3 phase cable mounting fasteners (2, 4).
  10. Remove the PIM 3 phase cables (3, 5) from the PIM distribution box.
  11. Remove and discard the seals (6).

  12. Object Number: 1971278  Size: SH

    Caution: Always remove and install the High Voltage terminal fasteners with a magnet tipped socket. Never touch the exposed electronic circuit board surface or components. Dropped fasteners or physical contact may result in electronic circuit board damage.

  13. Remove the HV dc electric air conditioning compressor module (ACCM) cable terminal fasteners (1).
  14. Remove the HV dc electric ACCM cable mounting fasteners (3).
  15. Remove the HV dc electric ACCM cable (4) from the PIM distribution box.
  16. Remove the HV dc battery cable terminal fasteners (2).
  17. Remove the HV dc battery cable mounting fasteners (5).
  18. Remove the HV dc battery cable (6) from the PIM distribution box.
  19. Inspect and retain the seals (7).

  20. Object Number: 1971281  Size: SH
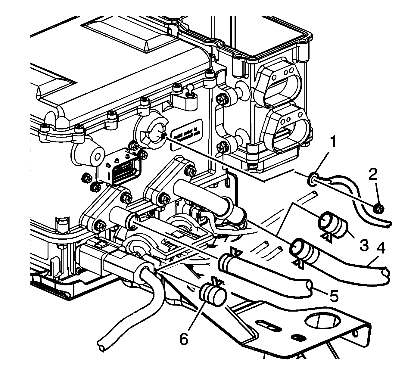
  21. Remove the drive motor generator position sensor shield circuit fastener (2).
  22. Remove the shield circuit harness (1).
  23. Remove the PIM cooling inlet (5) and outlet (4) hoses.
  24. Cap the coolant pipes (3, 6) to prevent coolant spillage when lifting the drive motor generator control module assembly from the vehicle.

  25. Object Number: 1971280  Size: SH

    Important: The gray side tabs on the accessory dc power control module (APM) assembly connector (2) must be pressed in before rotating the lever.

  26. Disconnect the APM assembly connector (2) using the following procedure:
  27. 20.1. Push the green tab.
    20.2. Squeeze the gray side tabs, then rotate the lever.
  28. Disconnect the APM assembly connector (3) using the following procedure:
  29. 21.1. Remove the locking tab.
    21.2. Insert a small flat blade screwdriver into the locking tab area and raise the tab while pulling on the connector.
  30. Disconnect the remaining APM assembly connector (1).

  31. Object Number: 1971283  Size: SH
  32. Remove the sight shield circuit breaker fasteners (1).
  33. Remove the sight shield circuit breaker (2).

  34. Object Number: 1971286  Size: SH
  35. Remove the APM ground strap fastener (2) and ground strap (1).
  36. Remove the drive motor generator control module assembly mounting fasteners (3) and retainers (4).

  37. Object Number: 1971288  Size: SH
  38. Remove the ball studs (1) from the drive motor generator control module.
  39. Attach a lifting device (2 and 3) to the drive motor generator control module assembly at the three identified locations.
  40. Lift the drive motor generator control module assembly from the vehicle.
  41. To replace the drive motor generator power inverter module (PIM) assembly, refer to Drive Motor Generator Power Inverter Module Removal and Installation. To replace the accessory DC power control module, refer to Accessory DC Power Control Module Removal and Installation.

Installation Procedure


    Object Number: 1971288  Size: SH
  1. Attach a lifting device (2 and 3) to the drive motor generator control module assembly at the three identified locations.
  2. Lift the drive motor generator control module assembly into the vehicle.
  3. Notice: Refer to Fastener Notice in the Preface section.

  4. Remove the lifting device and install the ball studs (1).
  5. Tighten
    Tighten the ball studs to 10 N·m (89 lb in).


    Object Number: 1971286  Size: SH
  6. Install the drive motor generator control module assembly retainers (4) and mounting nuts (3).
  7. Tighten
    Tighten the mounting nuts to 9 N·m (80 lb in).

  8. Install the ground strap (1) and nut (2).
  9. Tighten
    Tighten the ground strap nut to 9 N·m (80 lb in).


    Object Number: 1971283  Size: SH
  10. Install the sight shield circuit breaker (2) and secure with bolts (1).
  11. Tighten
    Tighten the bolts to 5 N·m (44 lb in).


    Object Number: 1971280  Size: SH
  12. Connect the APM assembly connectors (1 and 3) and install any removed locking tabs.
  13. Connect the APM assembly connector (2) using the following procedure:
  14. 8.1. Push the lever up.

            Important: Install the connector (2) without disturbing the position of the lever. DO NOT use the lever to install the connector in place.

    8.2. Install the connector (2) onto the terminals by pushing on the connector only.
    8.3. Rotate the lever after the terminals are engaged.
    8.4. Push the green tab to lock the lever.

    Object Number: 1971281  Size: SH
  15. Remove the caps (3, 6) from the drive motor generator power inverter coolant pipes.
  16. Connect the drive motor generator power inverter module (PIM) cooling inlet and outlet hoses (4, 5).
  17. Install the shield circuit harness (1) and terminal fastener (2).
  18. Tighten
    Tighten the terminal fastener to 9 N·m (80 lb in).


    Object Number: 1971277  Size: SH
  19. Install the PIM 3 phase cables (3, 5) into the PIM distribution box with new seals (6).
  20. Install the PIM 3 phase cable mounting fasteners (2, 4).
  21. Tighten
    Tighten the mounting fastener to 9 N·m (80 lb in).

    Caution: Always remove and install the High Voltage terminal fasteners with a magnet tipped socket. Never touch the exposed electronic circuit board surface or components. Dropped fasteners or physical contact may result in electronic circuit board damage.

  22. Install the PIM 3 phase cable terminal fasteners (1).
  23. Tighten
    Tighten the terminal fastener to 9 N·m (80 lb in).


    Object Number: 1971278  Size: SH
  24. Install the HV dc battery cable (6) with seal (7) into the PIM distribution box.
  25. Install the HV dc battery cable mounting fasteners (5).
  26. Tighten
    Tighten the mounting fastener to 9 N·m (80 lb in).

    Caution: Always remove and install the High Voltage terminal fasteners with a magnet tipped socket. Never touch the exposed electronic circuit board surface or components. Dropped fasteners or physical contact may result in electronic circuit board damage.

  27. Install the high voltage (HV) dc battery cable terminal fasteners (2).
  28. Tighten
    Tighten the terminal fastener to 9 N·m (80 lb in).

  29. Install the HV dc electric air conditioning compressor module (ACCM) cable (4) with seal (7) into the PIM distribution box.
  30. Install the HV dc electric ACCM cable mounting fasteners (3).
  31. Tighten
    Tighten the mounting fasteners to 9 N·m (80 lb in).

    Caution: Always remove and install the High Voltage terminal fasteners with a magnet tipped socket. Never touch the exposed electronic circuit board surface or components. Dropped fasteners or physical contact may result in electronic circuit board damage.

  32. Install the HV dc electric ACCM cable terminal fasteners (1).
  33. Tighten
    Tighten the terminal fastener to 9 N·m (80 lb in).


    Object Number: 1971289  Size: SH
  34. Install a new seal (3) on the PIM distribution box.
  35. Position the terminal cover (2) onto the PIM distribution box ensuring the seal remains in place.
  36. Tighten the terminal cover fasteners (1).
  37. Tighten
    Tighten the fasteners to 9 N·m (80 lb in).


    Object Number: 2008827  Size: SH
  38. Connect the drive motor generator control module assembly connector (1).
  39. Fill the power electronics cooling system and test for leaks at all serviced connections. Refer to Generator Control Module Cooling System Draining and Filling.
  40. Install the sight shield. Refer to Drive Motor Generator Control Module Sight Shield Replacement.
  41. Install the fender cross brace. Refer to Front Fender Rear Upper Bracket Replacement.
  42. Perform the High Voltage Enabling procedure. Refer to High Voltage Enabling.
  43. Install the air cleaner. Refer to Air Cleaner Assembly Replacement.
  44. For control module programming and setup procedures, refer to Control Module References.