GM Service Manual Online
For 1990-2009 cars only
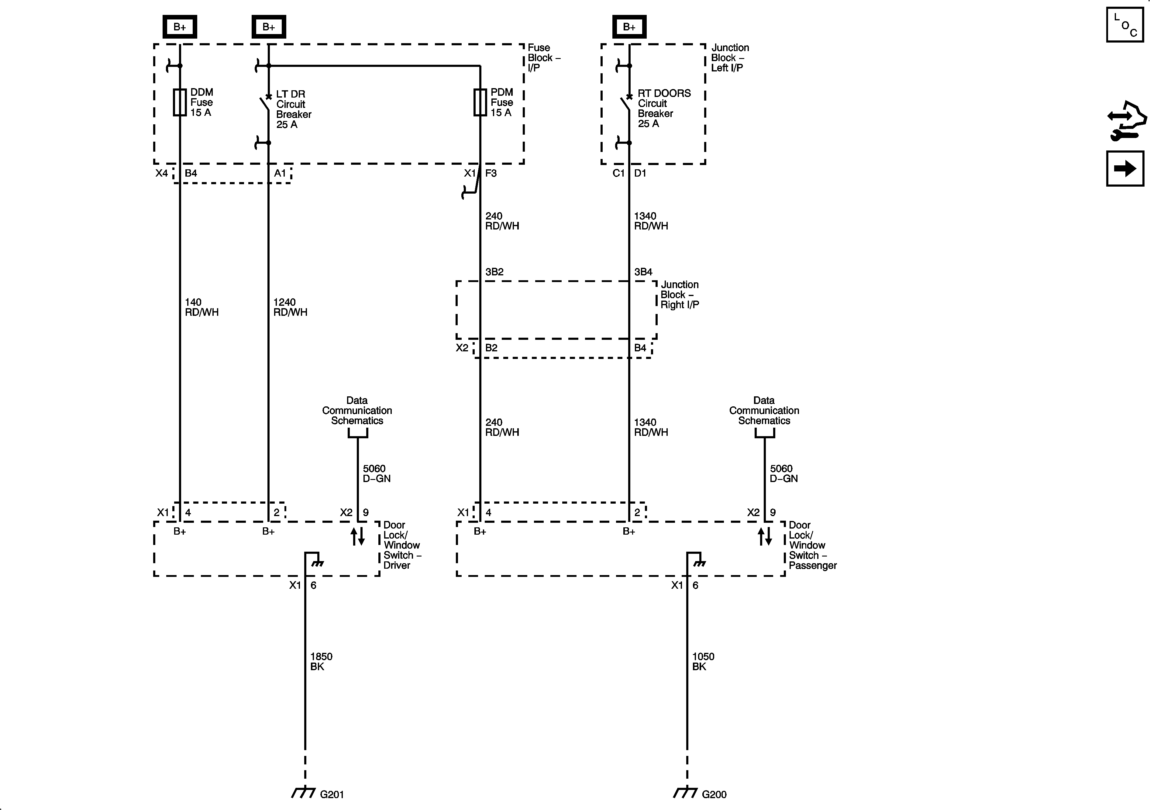
Figure 1:

Module Power, Ground, and Serial Data


Object Number: 1907220  Size: FS
Master Electrical Component List
Power Door Locks Description and Operation
Control Module References
Outside Rearview Mirror References
BCM, COOLED SEATS, CTSY, DDM, DIM, DSM, LBEC 1, MBEC 1, REAR HVAC, and RT STOP TRN Fuses and DRIVER SEAT 2, PASS SEAT 1, and RT DOORS Circuit Breakers
IS LAMPS, LT STOP TRN, OBS DET, REAR SEAT, and STOP LAMPS Fuses and LT DR Circuit Breaker
AUX PWR, AUX PWR 2, LBEC 2, PDM, and REAR WPR Fuses
BCM, COOLED SEATS, CTSY, DDM, DIM, DSM, LBEC 1, MBEC 1, REAR HVAC, and RT STOP TRN Fuses and DRIVER SEAT 2, PASS SEAT 1, and RT DOORS Circuit Breakers
Low Speed Bus - JX200 - 1 of 3
Low Speed Bus - JX200 - 1 of 3
G201
G200 - 1 of 2
Figure 2:

Outside Rearview Mirror References


Object Number: 1907222  Size: FS
Master Electrical Component List
Power Door Locks Description and Operation
Control Module References
Door Lock, Window, and Lighting System References
Power, Ground, and Serial Data
Inside Rearview Mirror Schematics
Driver
Inside Rearview Mirror Schematics
Passenger
Passenger
Figure 3:

Door Lock, Window, and Lighting System References


Object Number: 1907224  Size: FS
Master Electrical Component List
Power Door Locks Description and Operation
Control Module References
Heated Seat References
Outside Rearview Mirror References
Exterior Illumination Lamps
Front Turn Signal Lamps
Courtesy Lamp Control
Front
Door Jamb Switches
Left
Exterior Illumination Lamps
Front Turn Signal Lamps
Courtesy Lamp Control
Door Jamb Switches
Front
Right
Figure 4:

Heated Seat References


Object Number: 1907226  Size: FS
Master Electrical Component List
Power Door Locks Description and Operation
Control Module References
Door Lock, Window, and Lighting System References
Heated Seat - Driver - Except KB6
Heated Seat - Passenger - Except KB6
Heated Seat - Driver - Except KB6
Heated Seat - Passenger - Except KB6