GM Service Manual Online
For 1990-2009 cars only
Figure 1:

Radio Power, Ground, Serial Data, and Antenna Signals


Object Number: 1907246  Size: FS
Master Electrical Component List
Radio/Audio System Description and Operation
Control Module References
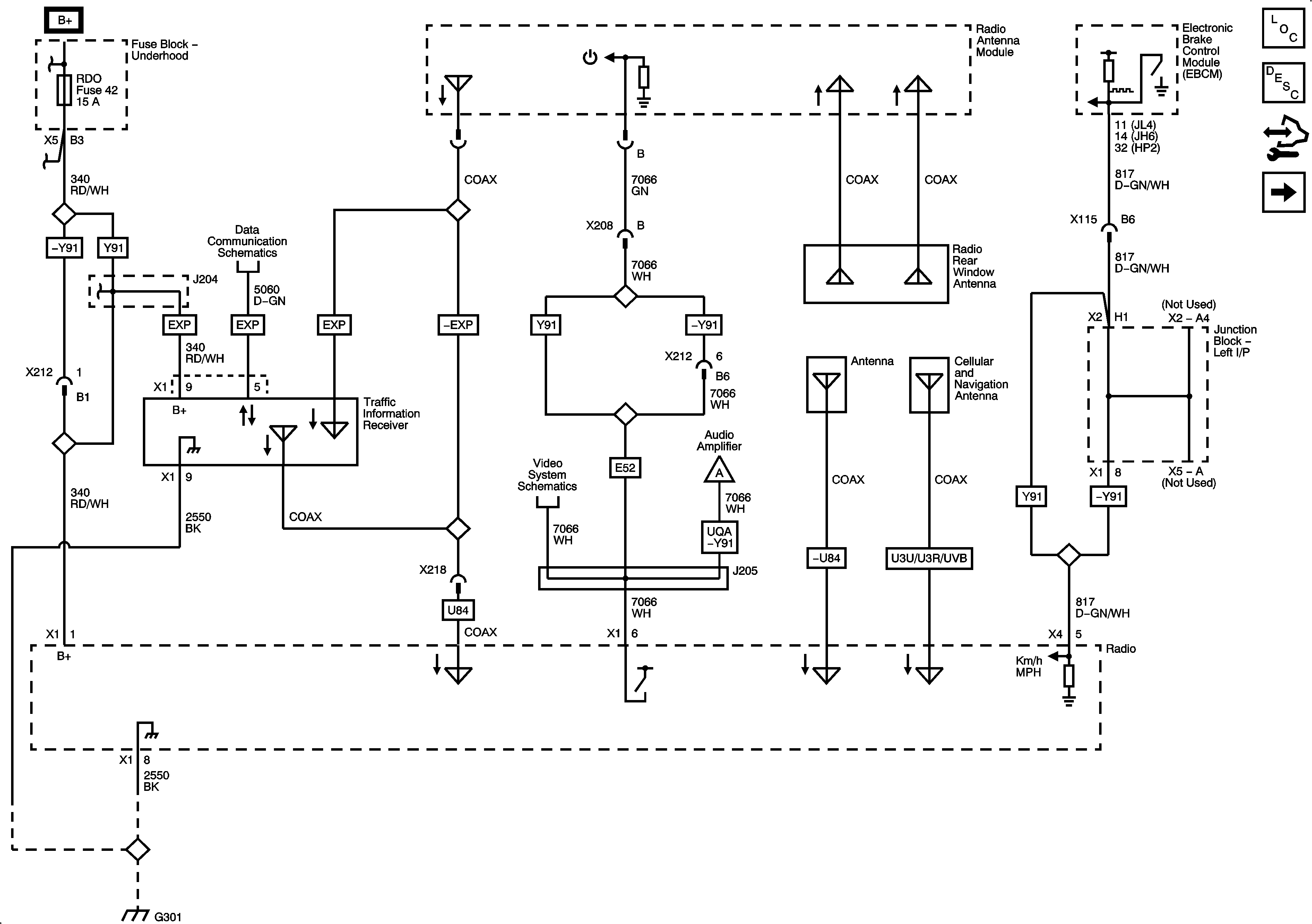
Amplifier (UQA or UQS) and Rear Seat Audio (UK6) Power, Ground, and Serial Data
RDO Fuse
Display Power and Ground
Amplifier (UQA or UQS) and Rear Seat Audio (UK6) Power, Ground, and Serial Data
G301
Figure 2:

Amplifier (UQA or UQS) and Rear Seat Audio (UK6) Power, Ground, and Serial Data


Object Number: 1907248  Size: FS
Master Electrical Component List
Radio/Audio System Description and Operation
Control Module References
Amplifier Inputs - UQA or UQS
Radio Power, Ground, Serial Data, and Antenna Signals
AMP, ELEC RUN BOARD, ESC/ALC EXH, EXP/BRK MDL, and TREC Fuses
Radio Power, Ground, Serial Data, and Antenna Signals
Data Communication Schematics
RDO Fuse
G301
Figure 3:

Amplifier Inputs - UQA/UQS


Object Number: 1907250  Size: FS
Master Electrical Component List
Radio/Audio System Description and Operation
Control Module References
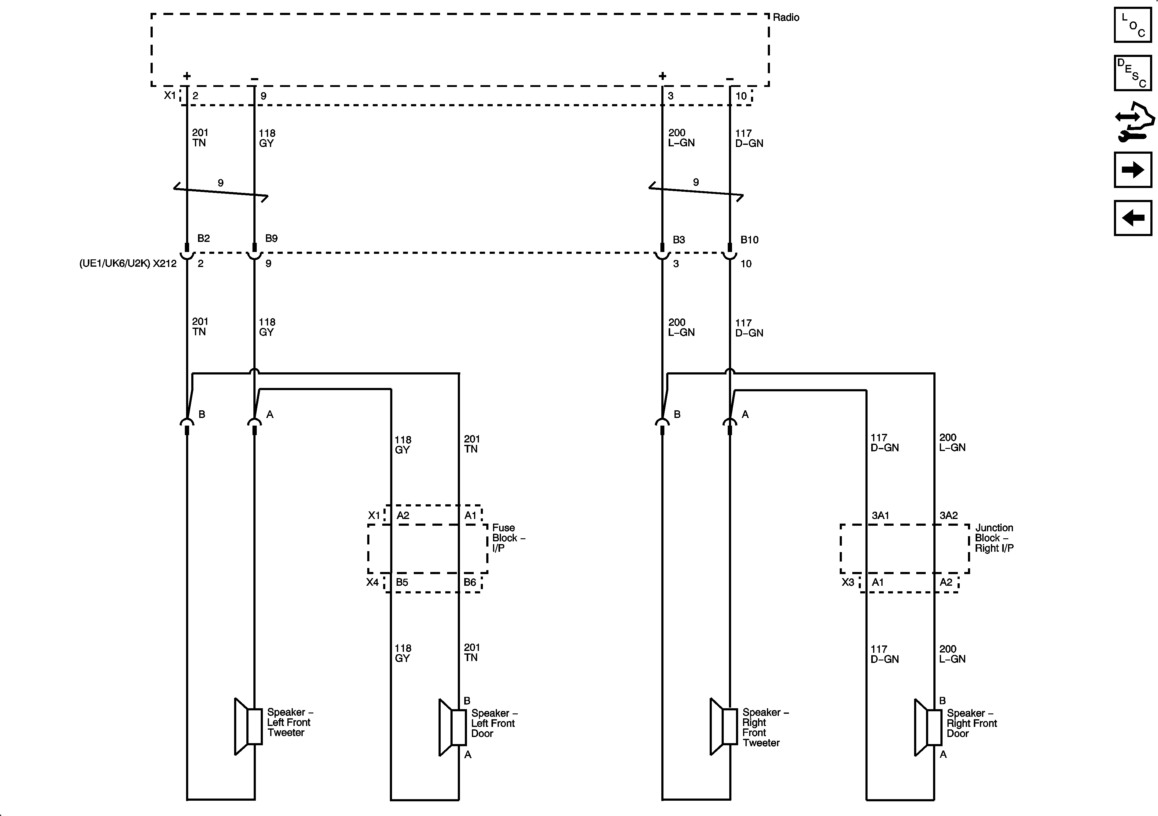
Front Speakers - UQ3
Amplifier (UQA or UQS) and Rear Seat Audio (UK6) Power, Ground, and Serial Data
Video Signals
Figure 4:

Front Speakers - UQ3


Object Number: 1907252  Size: FS
Master Electrical Component List
Radio/Audio System Description and Operation
Control Module References
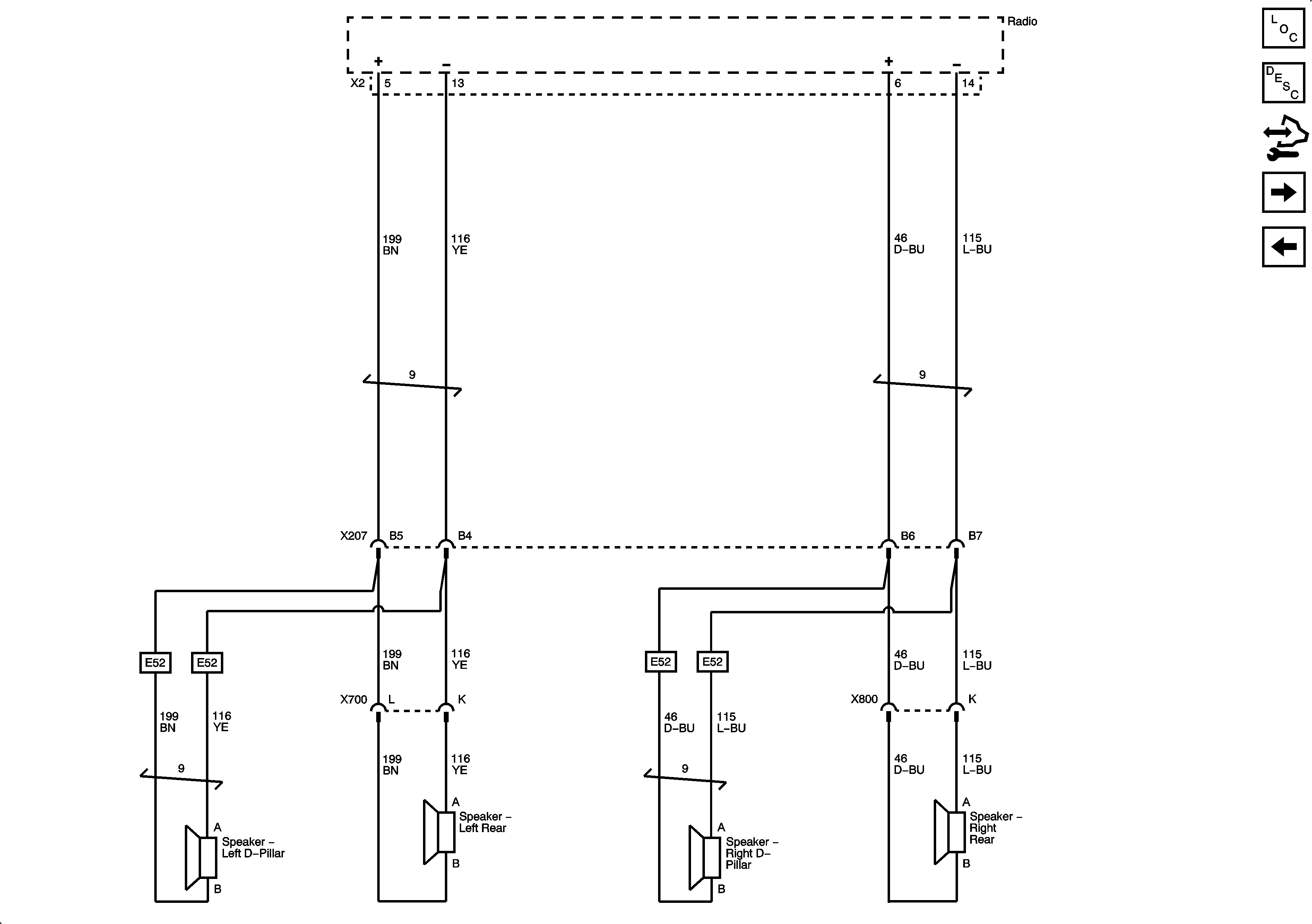
Rear Speakers UQ3 Except UK6
Amplifier Inputs - UQA or UQS
Figure 5:

Rear Speakers - UQ3 Except UK6


Object Number: 1907256  Size: FS
Master Electrical Component List
Radio/Audio System Description and Operation
Control Module References
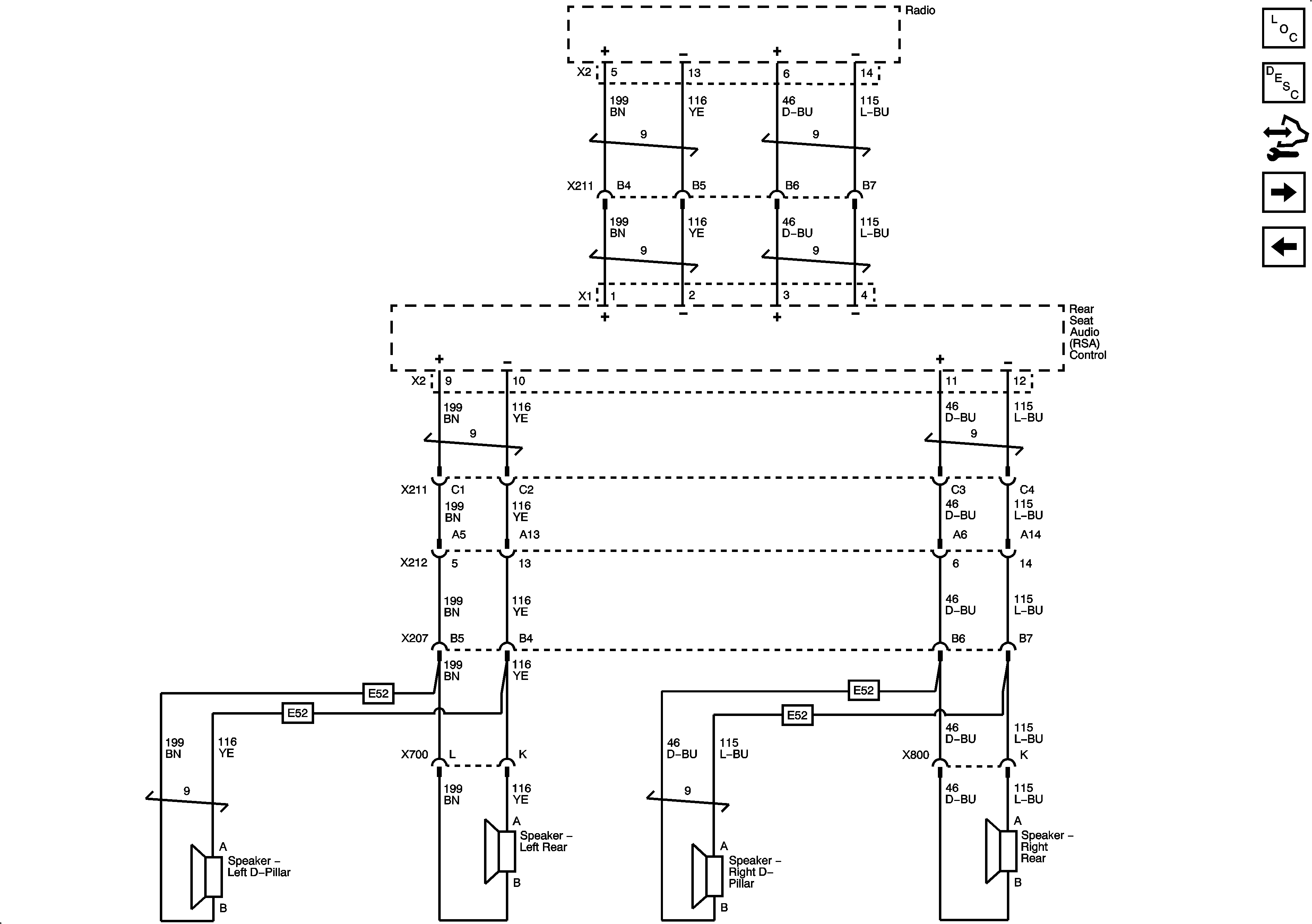
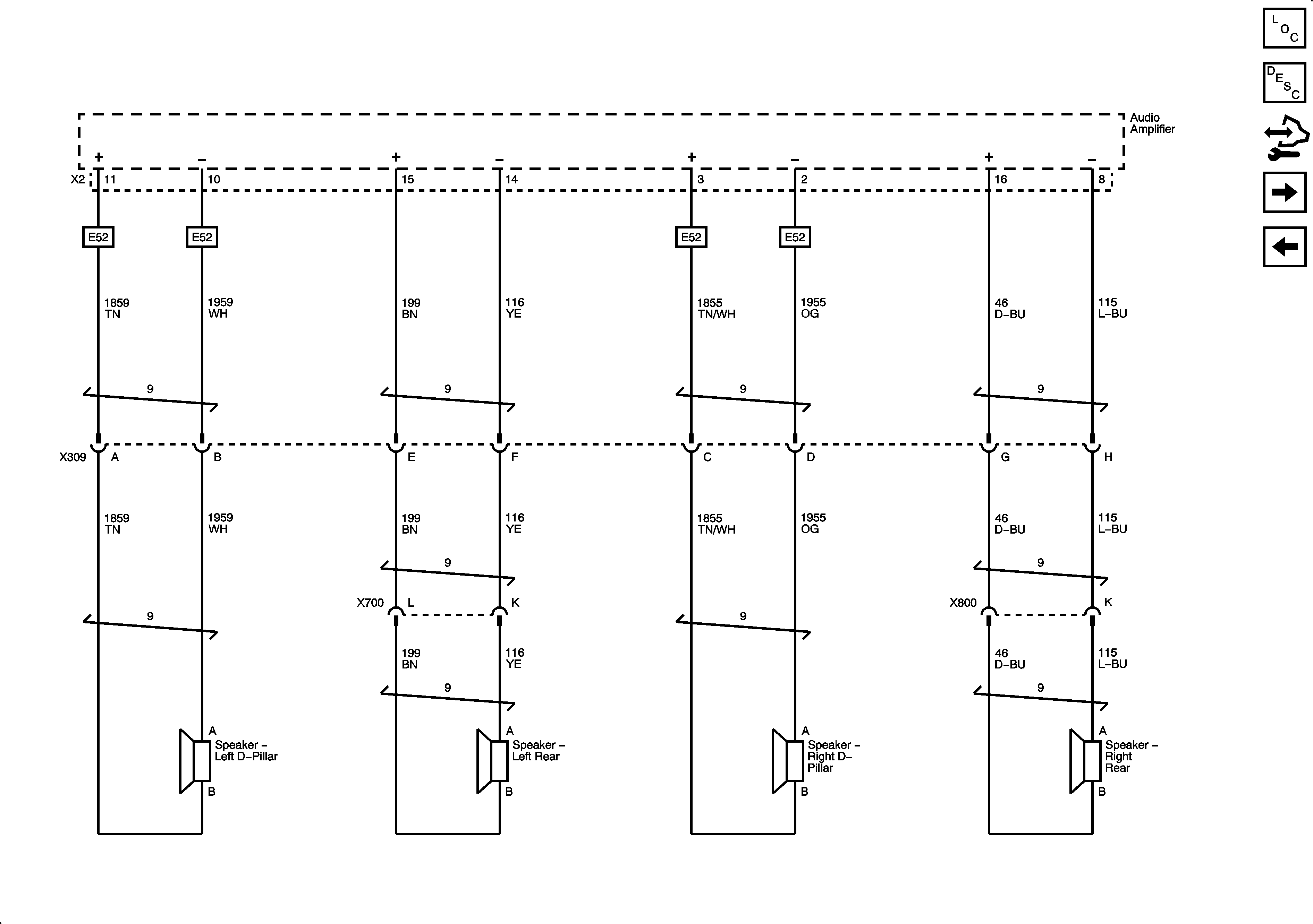
Rear Speakers - UQ3 with UK6
Front Speakers - UQ3
Figure 6:

Rear Speakers - UQ3 with UK6


Object Number: 1907258  Size: FS
Master Electrical Component List
Radio/Audio System Description and Operation
Control Module References
Front Speakers - UQA or UQS
Rear Speakers UQ3 Except UK6
Figure 7:

Front Speakers - UQA/UQS


Object Number: 1907261  Size: FS
Master Electrical Component List
Radio/Audio System Description and Operation
Control Module References
Rear Speakers UQA without Y91
Rear Speakers - UQ3 with UK6
Figure 8:

Rear Speakers - UQA without Y91


Object Number: 1907264  Size: FS
Master Electrical Component List
Radio/Audio System Description and Operation
Control Module References
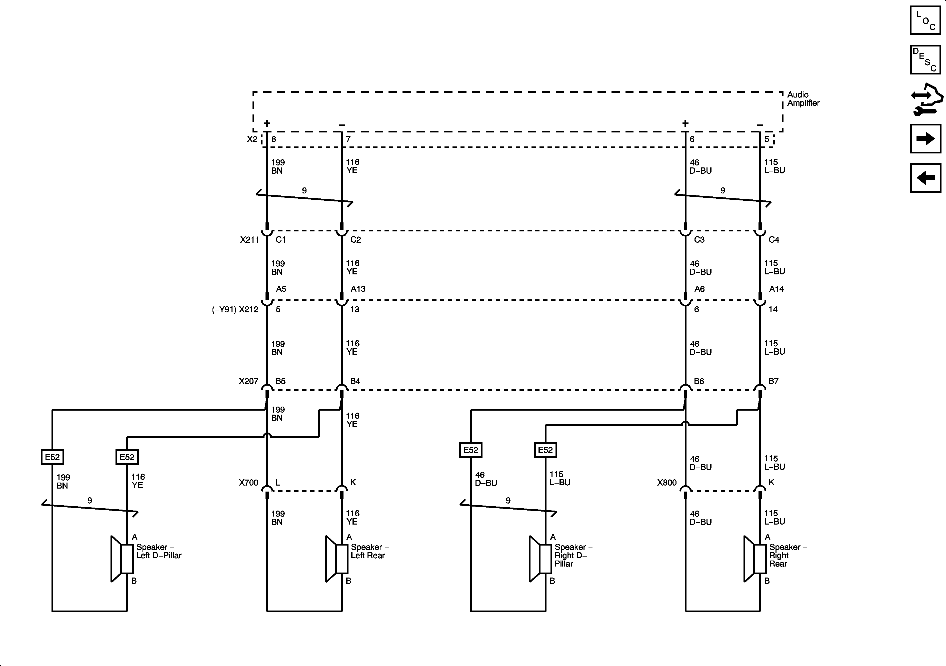
Rear Speakers UQS or UQA with Y91
Front Speakers - UQA or UQS
Figure 9:

Rear Speakers - UQS or UQA with Y91


Object Number: 1907266  Size: FS
Master Electrical Component List
Radio/Audio System Description and Operation
Control Module References
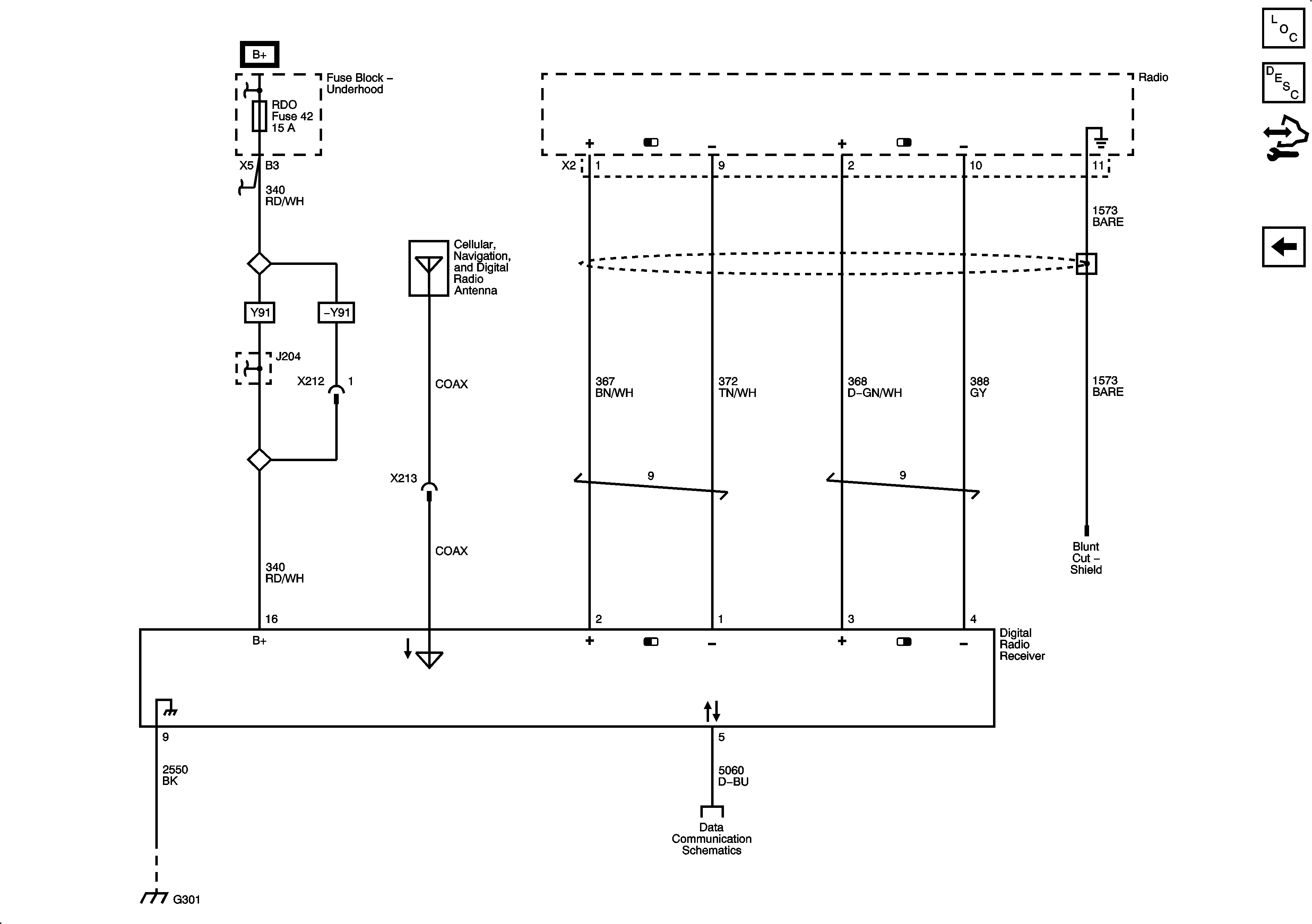
Digital Radio Receiver - U2K
Rear Speakers UQA without Y91
Figure 10:

Digital Radio Receiver - U2K


Object Number: 1907269  Size: FS
Master Electrical Component List
Radio/Audio System Description and Operation
Control Module References
Rear Speakers UQS or UQA with Y91
RDO Fuse
G301