GM Service Manual Online
For 1990-2009 cars only
Makes
🢒
Chevrolet
🢒
2008
🢒
Chevy Suburban - 4WD
🢒
Power and Signal Distribution
🢒
Data Communications
🢒 Automatic Transmission Controls Schematics
Figure
1:
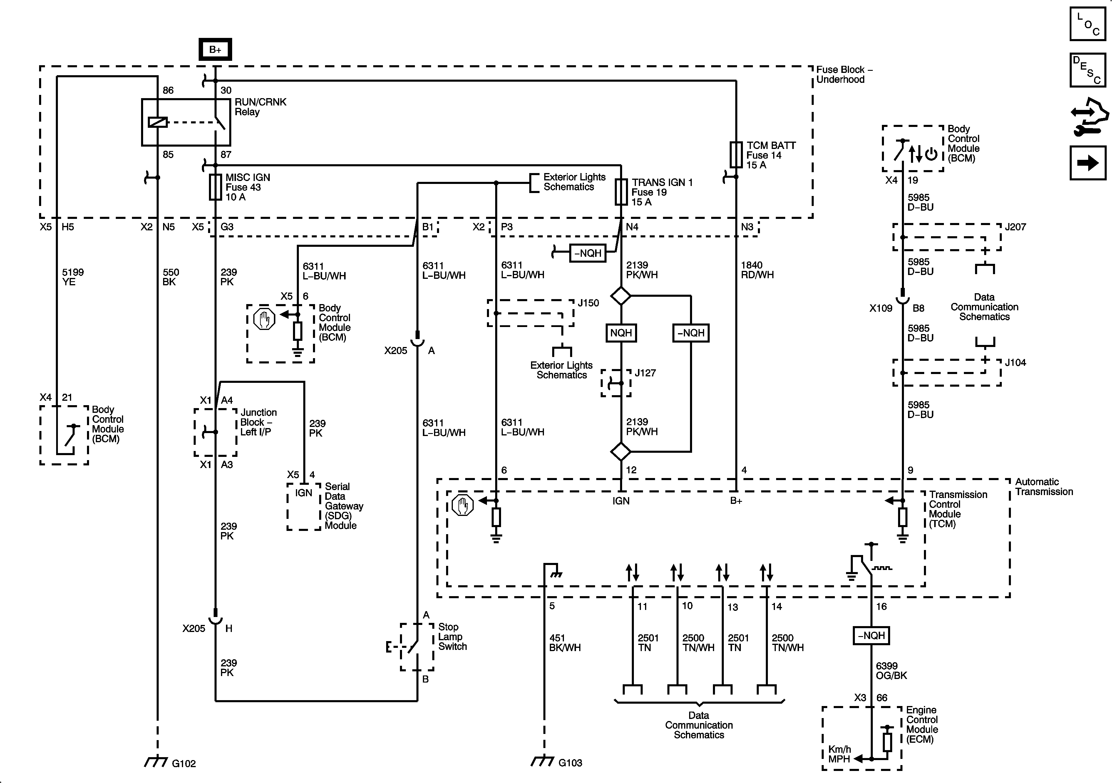
Module Power, Ground, Serial Data, and Stop Lamp Switch
Master Electrical Component List
Control Module References
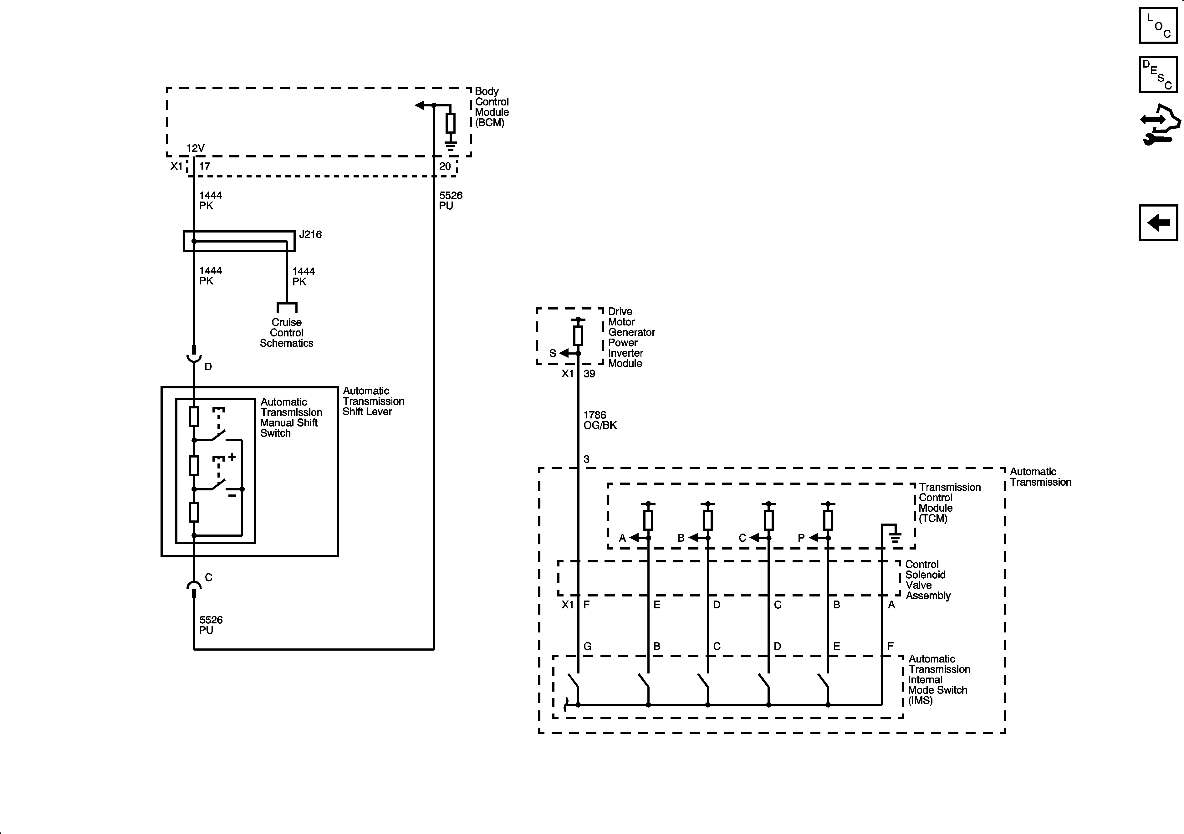
Pressure Controls - 1 of 2 and Shift Controls
RUN/CRANK Bus - AIRBAG IGN, MISC IGN and SEO/ALC Fuses
Stop Lamp Controls and CHMSL
RUN/CRANK Bus - ECM-IGN and TRANS IGN 1 Fuses
ECM-BATT, HEADLAMP WASH, HVAC BATT, IPC, LTR, S/ROOF, and TCM-BATT Fuses
Serial Data Communication Enable and Wake-up Circuits
Stop Lamp Controls and CHMSL
G102, G104, and G108
G103, G110 and G111
High Speed Bus (HP2)
Figure
2:
Pressure Controls - 1 of 2 and Shift Controls
Master Electrical Component List
Control Module References
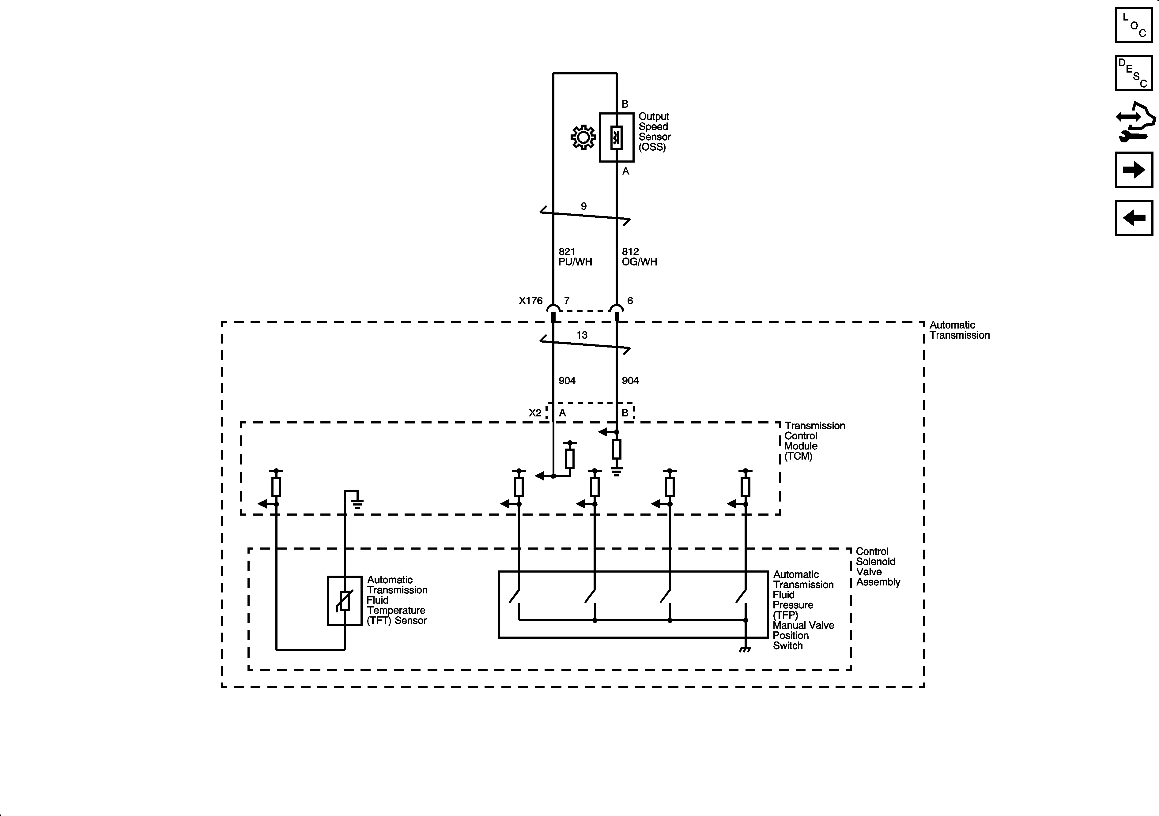
Pressure Controls - 2 of 2 and Output Speed Sensor (OSS)
Module Power, Ground, Serial Data, and Stop Lamp Switch
Figure
3:
Pressure Controls - 2 of 2 and Output Speed Sensor (OSS)
Master Electrical Component List
Control Module References
Transmission Range Signals
Pressure Controls - 1 of 2 and Shift Controls
Figure
4:
Transmission Range Signals
Master Electrical Component List
Control Module References
Pressure Controls - 2 of 2 and Output Speed Sensor (OSS)
Cruise Control Schematics