GM Service Manual Online
For 1990-2009 cars only
Makes
🢒
Chevrolet
🢒
2008
🢒
Chevy Suburban - 4WD
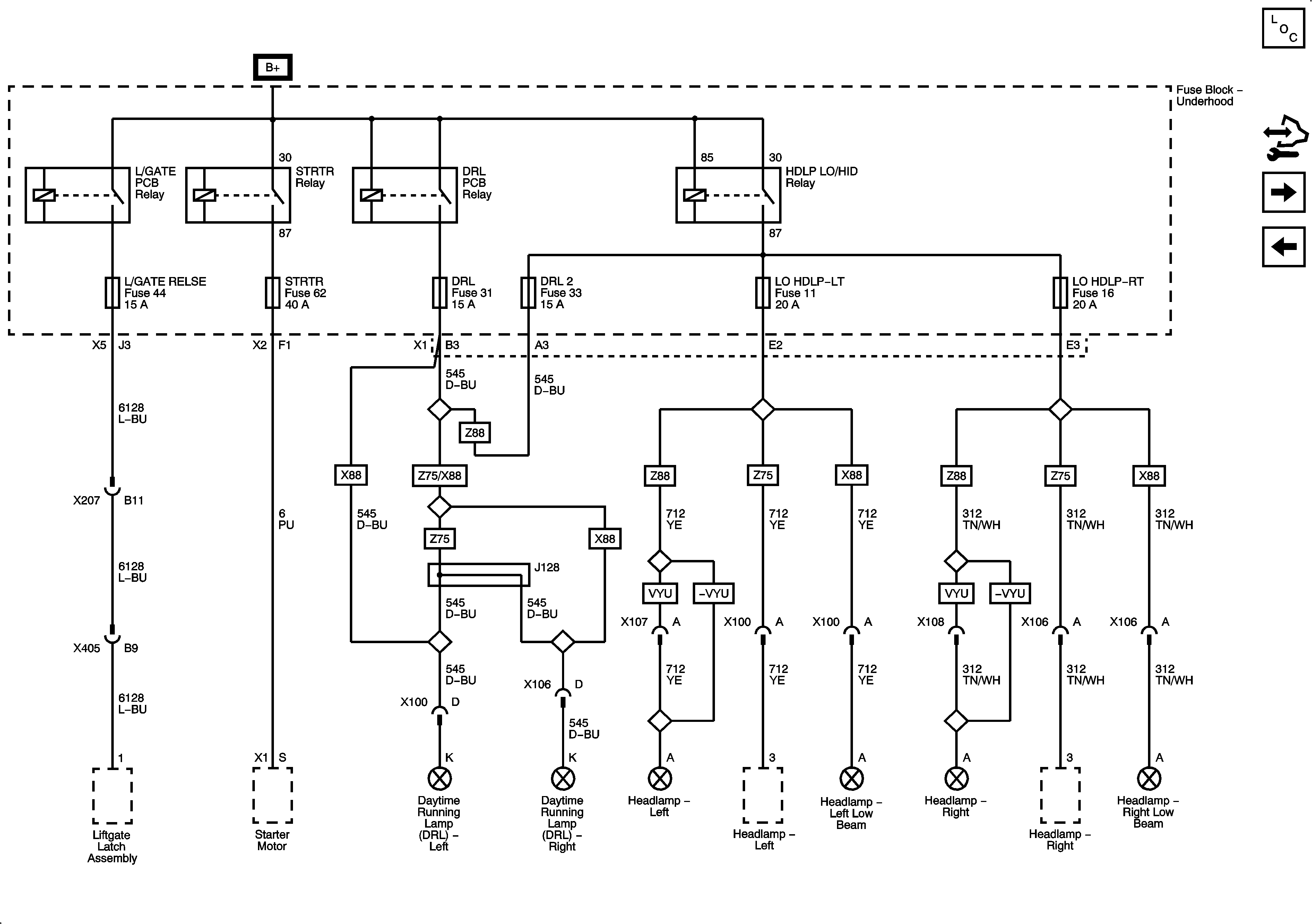
🢒 DRL, DRL 2, LO HDLP-LT, LO HDLP-RT, and STRTR Fuses
DRL, DRL 2, LO HDLP-LT, LO HDLP-RT, and STRTR Fuses
DRL, DRL 2, LO HDLP-LT, LO HDLP-RT, and STRTR Fuses
Master Electrical Component List
Control Module References
LT PRK Fuse
FOG LAMP, HI HEADLAMP - LT, and HI HEADLAMP -RT