GM Service Manual Online
For 1990-2009 cars only
Makes
🢒
Chevrolet
🢒
2008
🢒
Chevy Suburban - 4WD
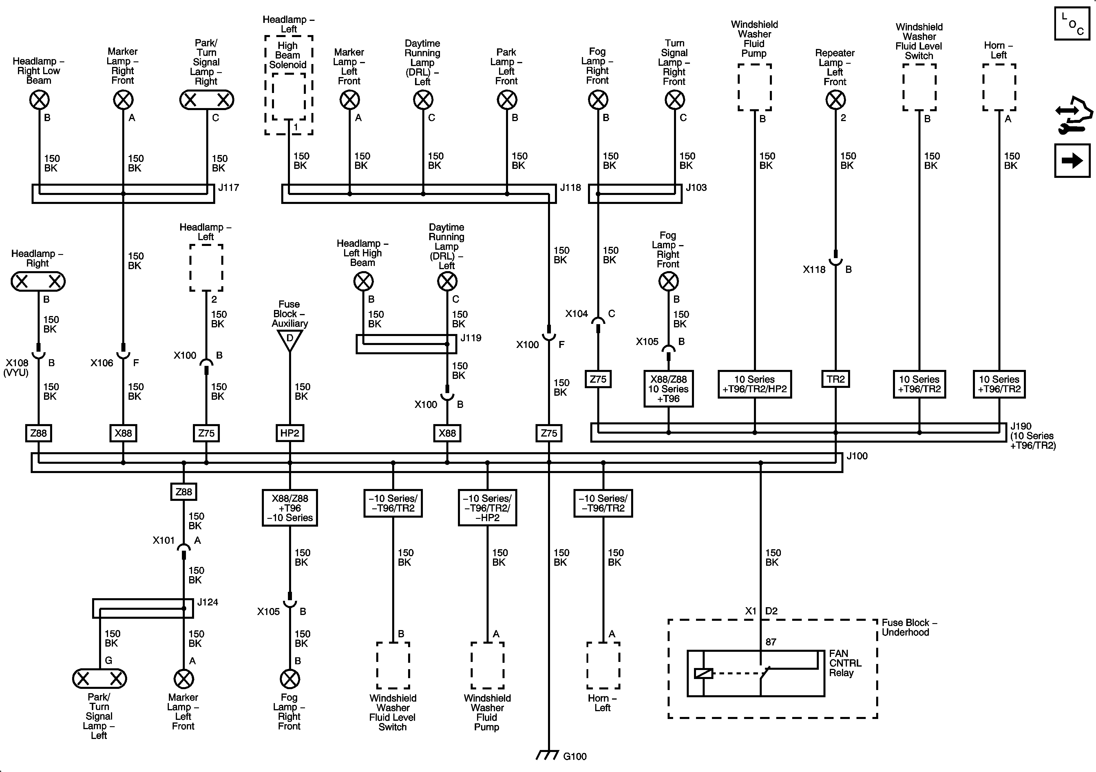
🢒 G100
G100
G100
Master Electrical Component List
Control Module References
G101
G103, G110 and G111