| Figure 1: |
Module Power, Ground, Serial Data, and MIL
|
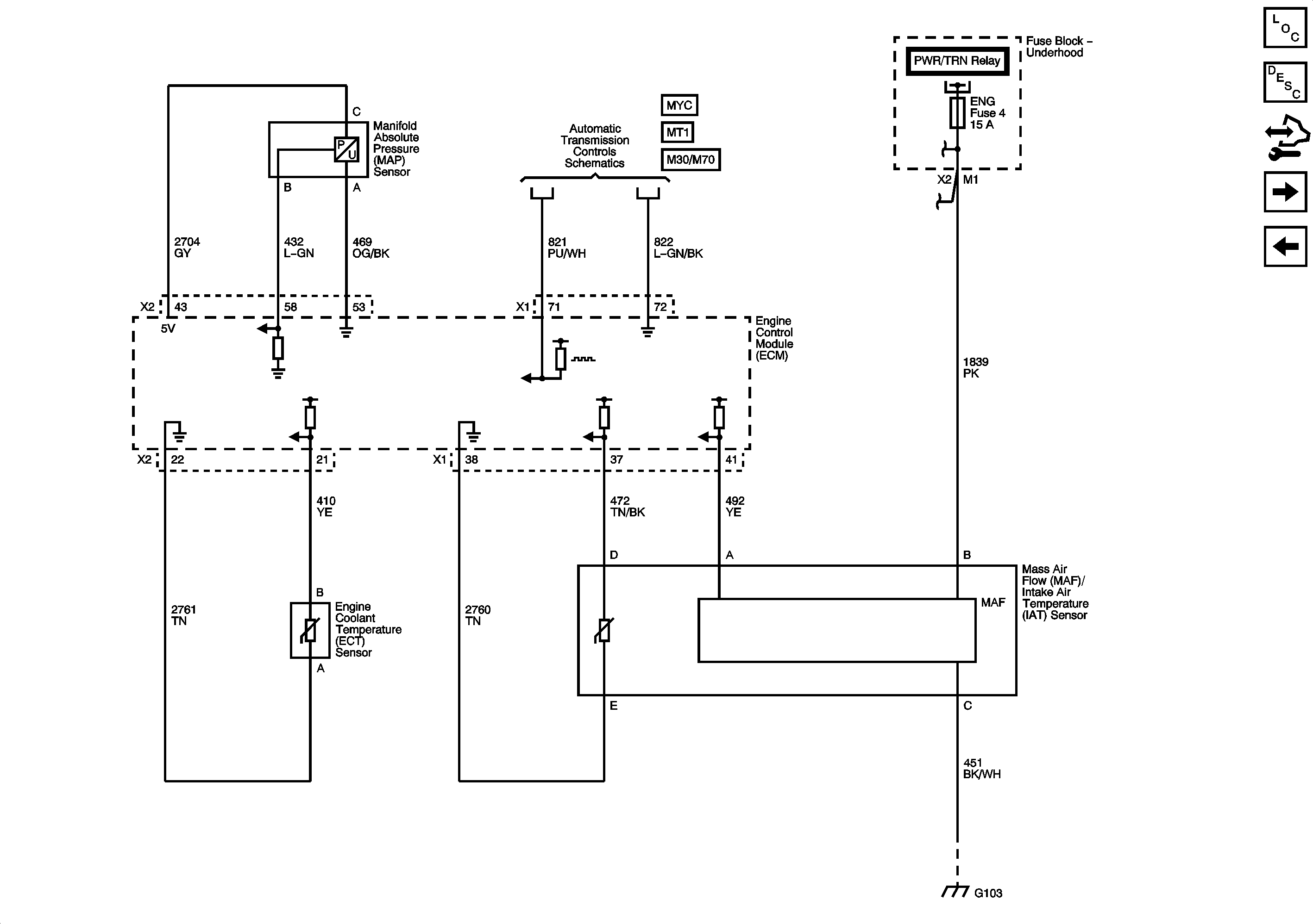
| Figure 2: |
Engine Data Sensors - 5-Volt and Low Reference
|
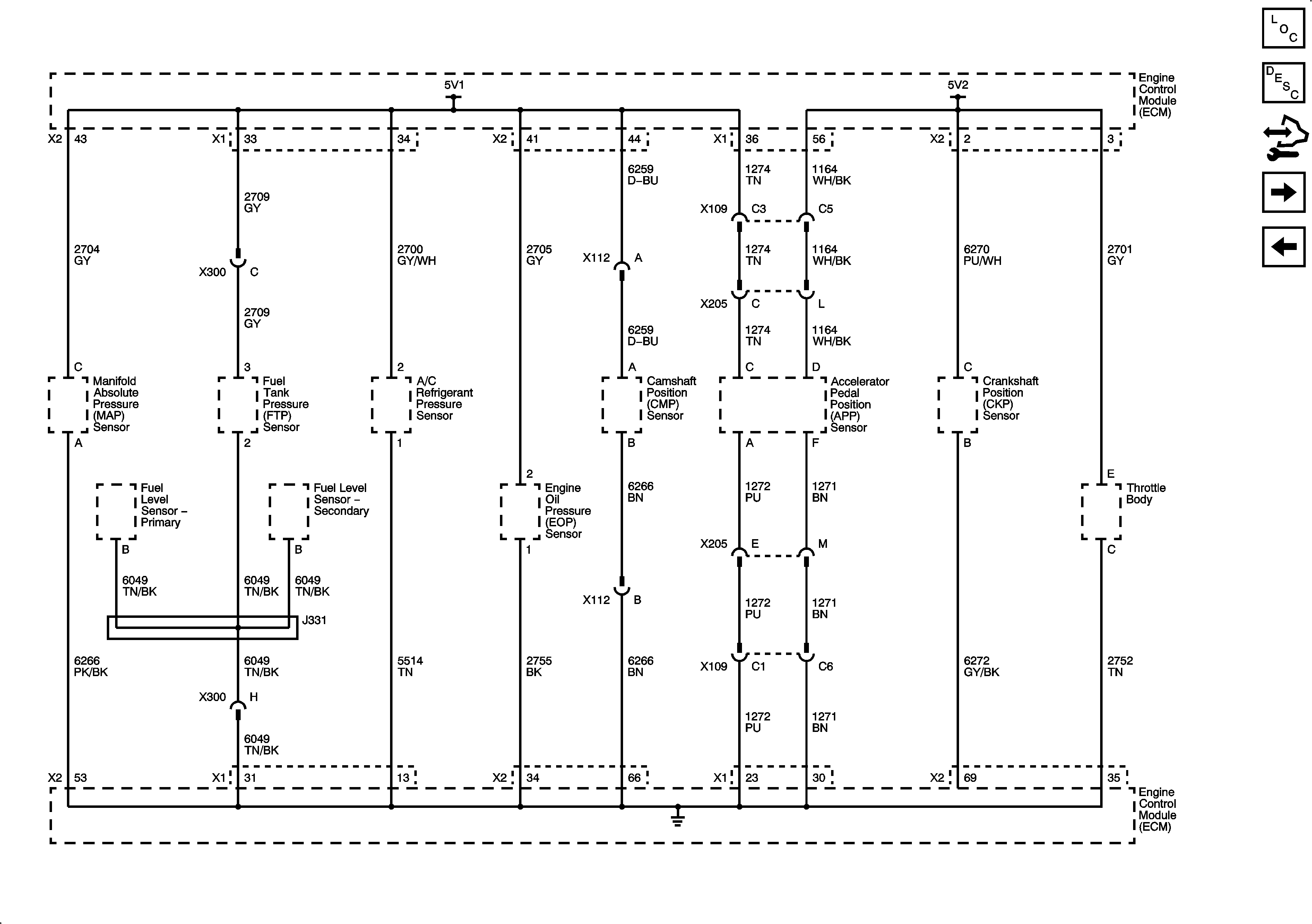
| Figure 3: |
Engine Data Sensors - Pressure and Temperature
|
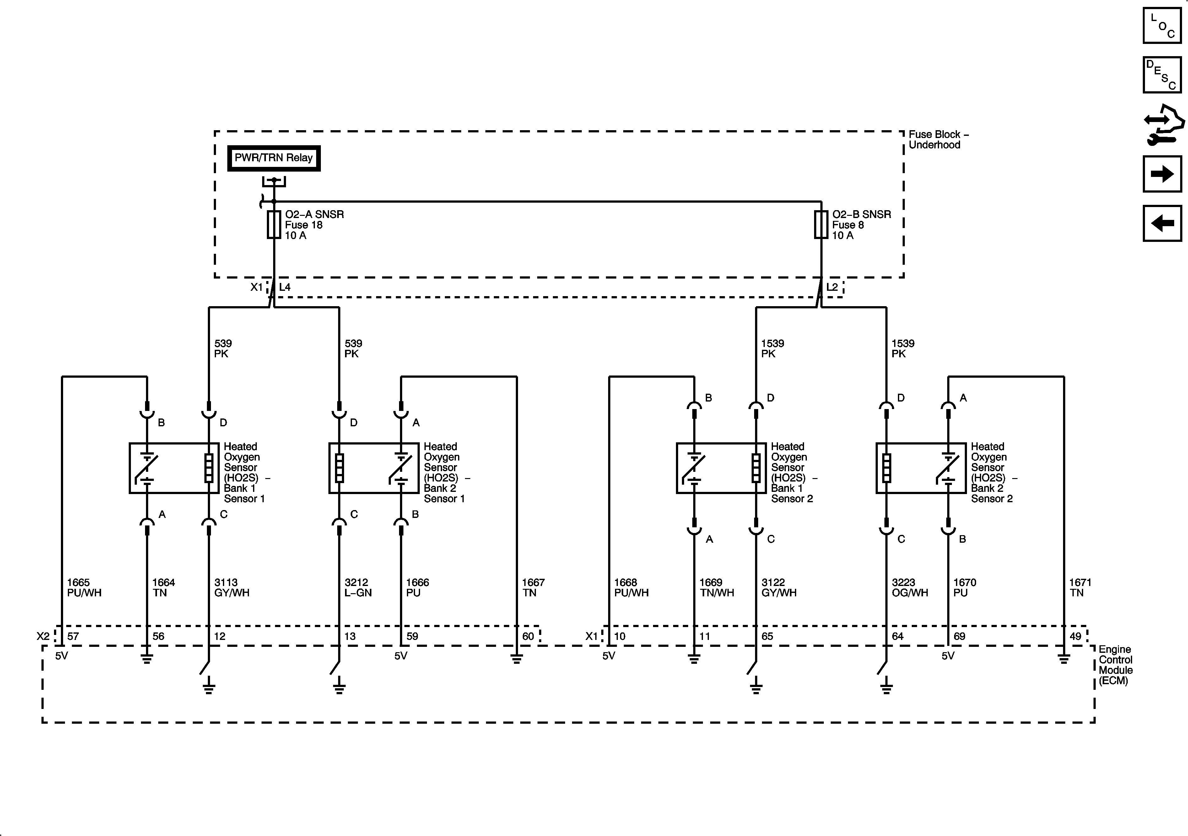
| Figure 4: |
Engine Data Sensors - Oxygen Sensors
|
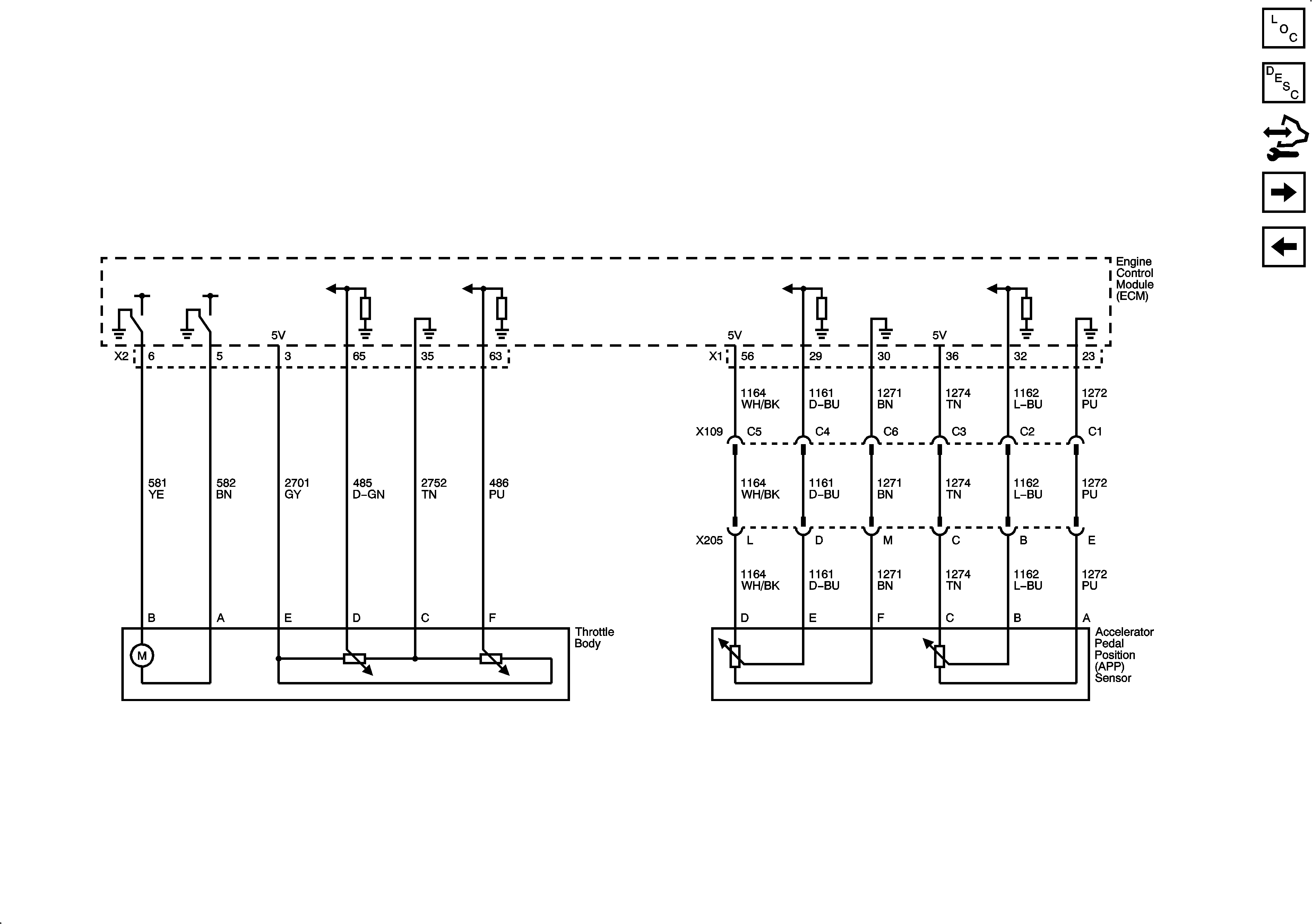
| Figure 5: |
Engine Data Sensors - Throttle Controls
|
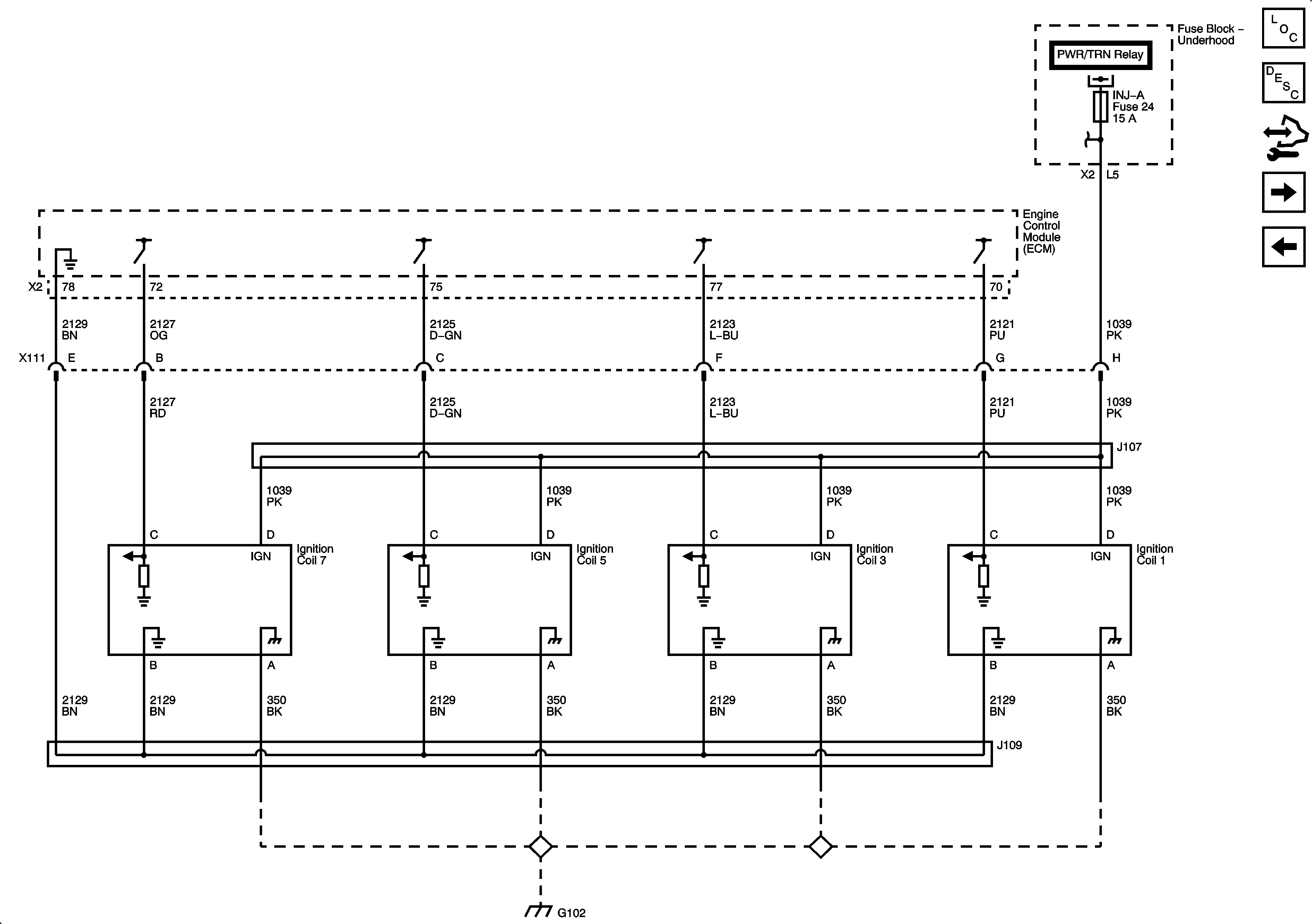
| Figure 6: |
Ignition Controls - Ignition System Coils 1, 3, 5, and 7
|
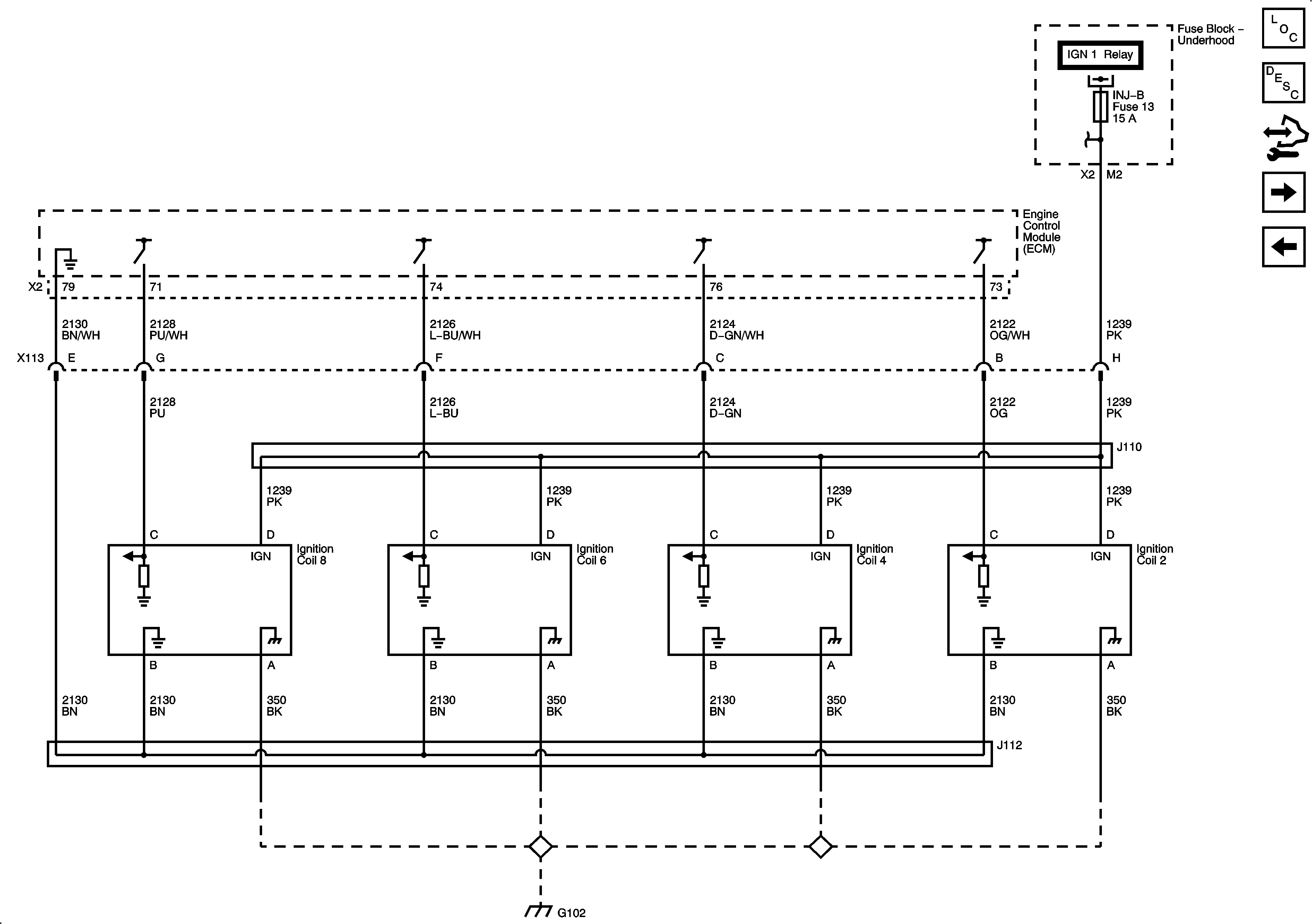
| Figure 7: |
Ignition Controls - Ignition System Coils 2, 4, 6, and 8
|
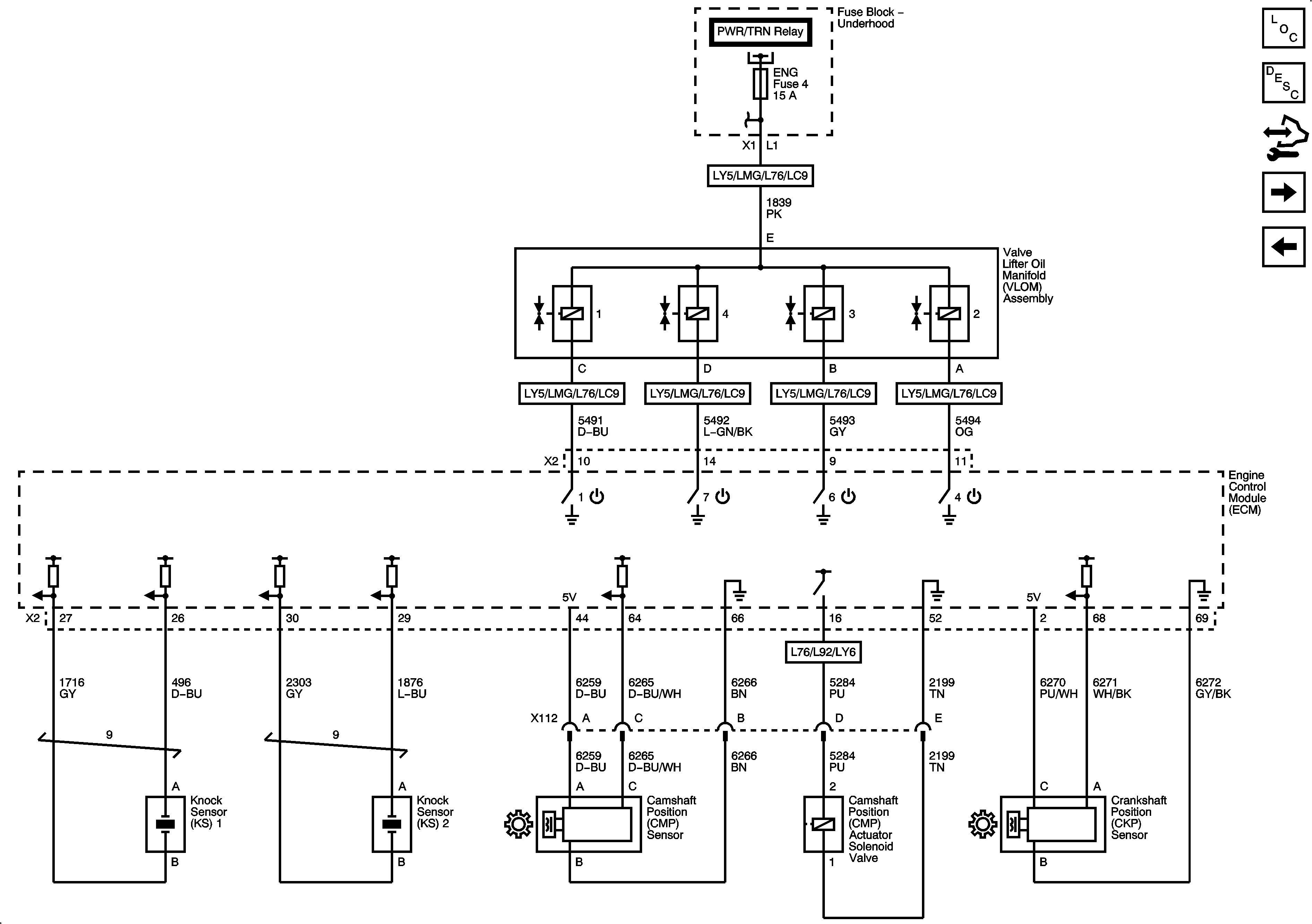
| Figure 8: |
Ignition Controls - Sensors and Active Fuel Management (AFM) Controls
|
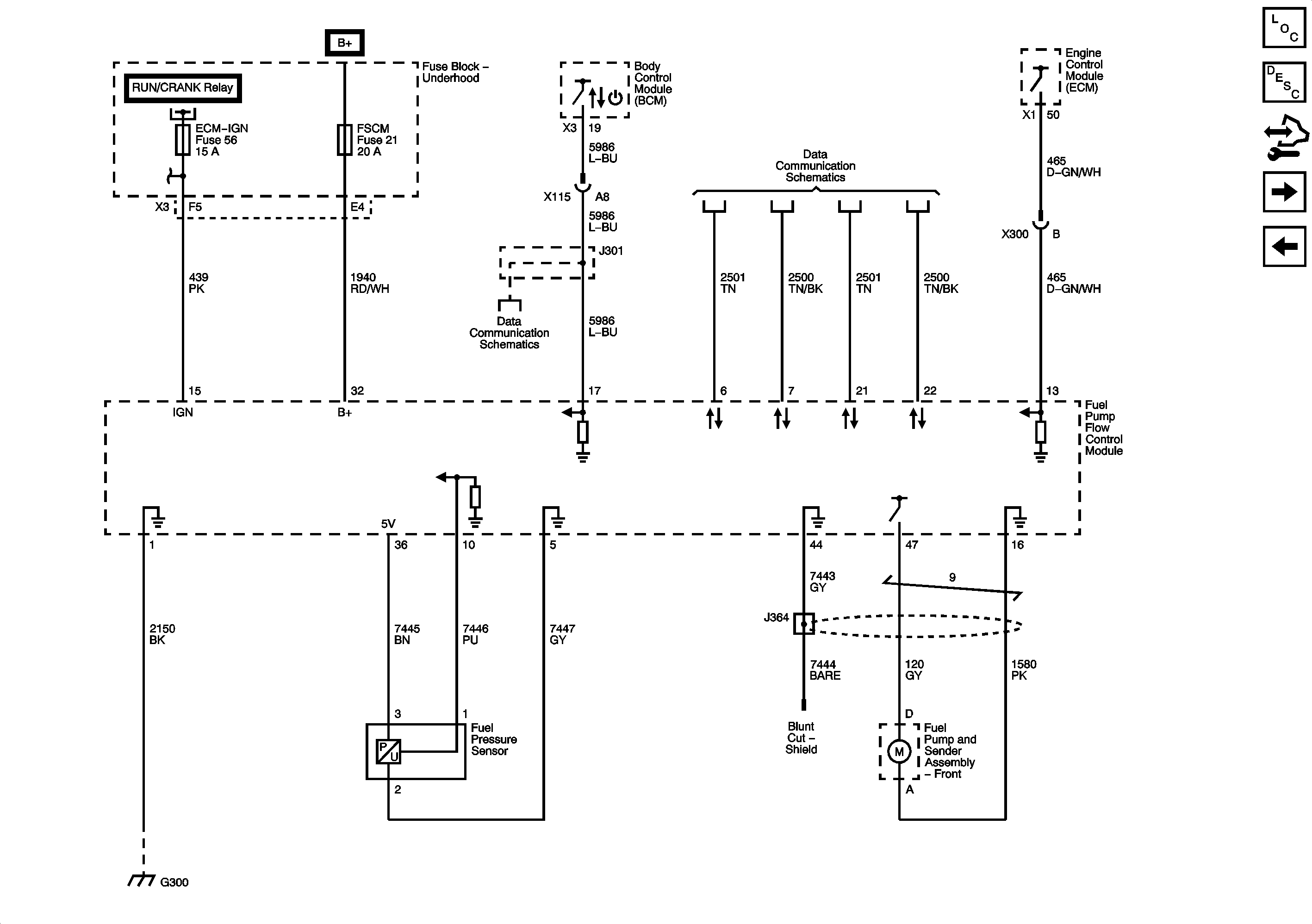
| Figure 9: |
Fuel Controls - Fuel Pump Controls (LY6)
|
| Figure 10: |
Fuel Pump Flow Control Module (except LY6)
|
| Figure 11: |
Fuel Controls - Fuel Injectors
|
| Figure 12: |
Fuel Controls - EVAP Controls
|
| Figure 13: |
Controlled/Monitored Subsystem References
|