GM Service Manual Online
For 1990-2009 cars only
Makes
🢒
Chevrolet
🢒
2009
🢒
Chevy Suburban - 4WD
🢒
Diagnostic Navigation
🢒
Vehicle Diagnostic Information
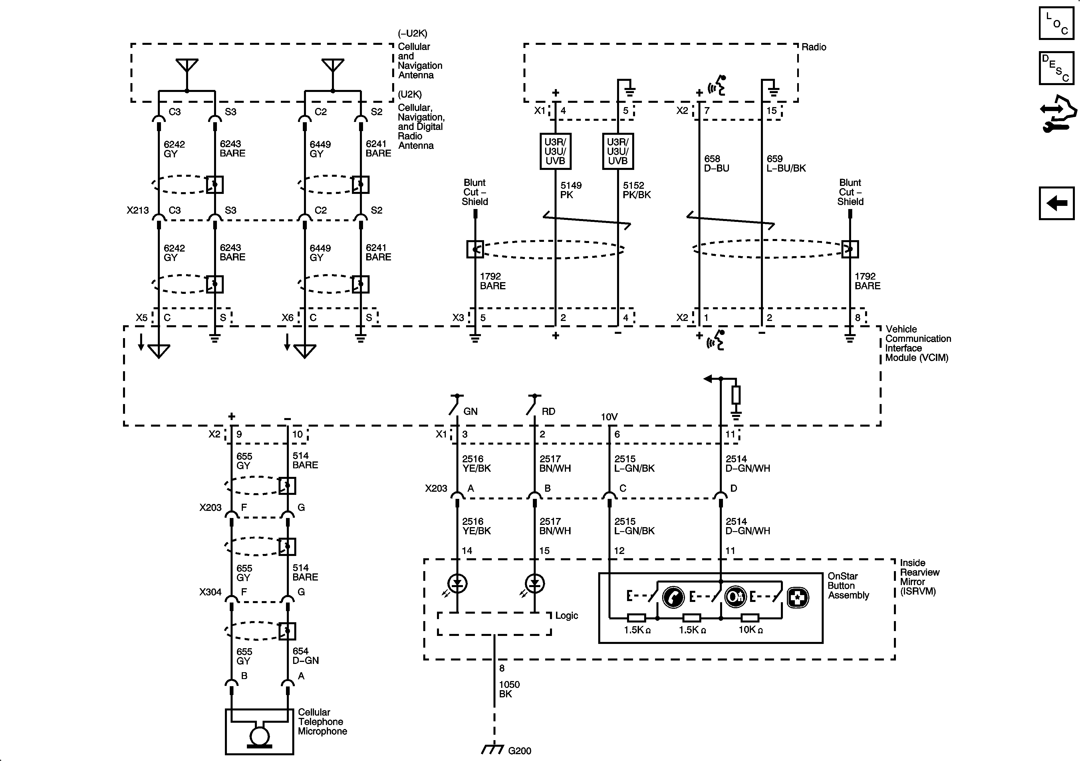
🢒 OnStar Schematics
Figure
1:
Module Power, Ground, and Serial Data
Figure
2:
Communication Signals and Control