GM Service Manual Online
For 1990-2009 cars only
Makes
🢒
Chevrolet
🢒
2009
🢒
Chevy Suburban - 4WD
🢒
Diagnostic Navigation
🢒
Vehicle Diagnostic Information
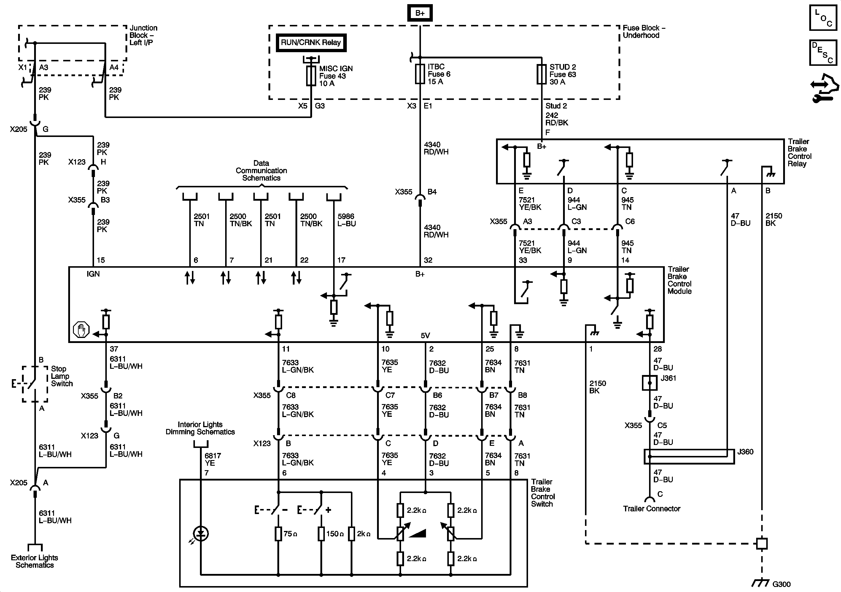
🢒 Trailer Brake Control Schematics
Figure
1:
Trailer Brake Control System - E52
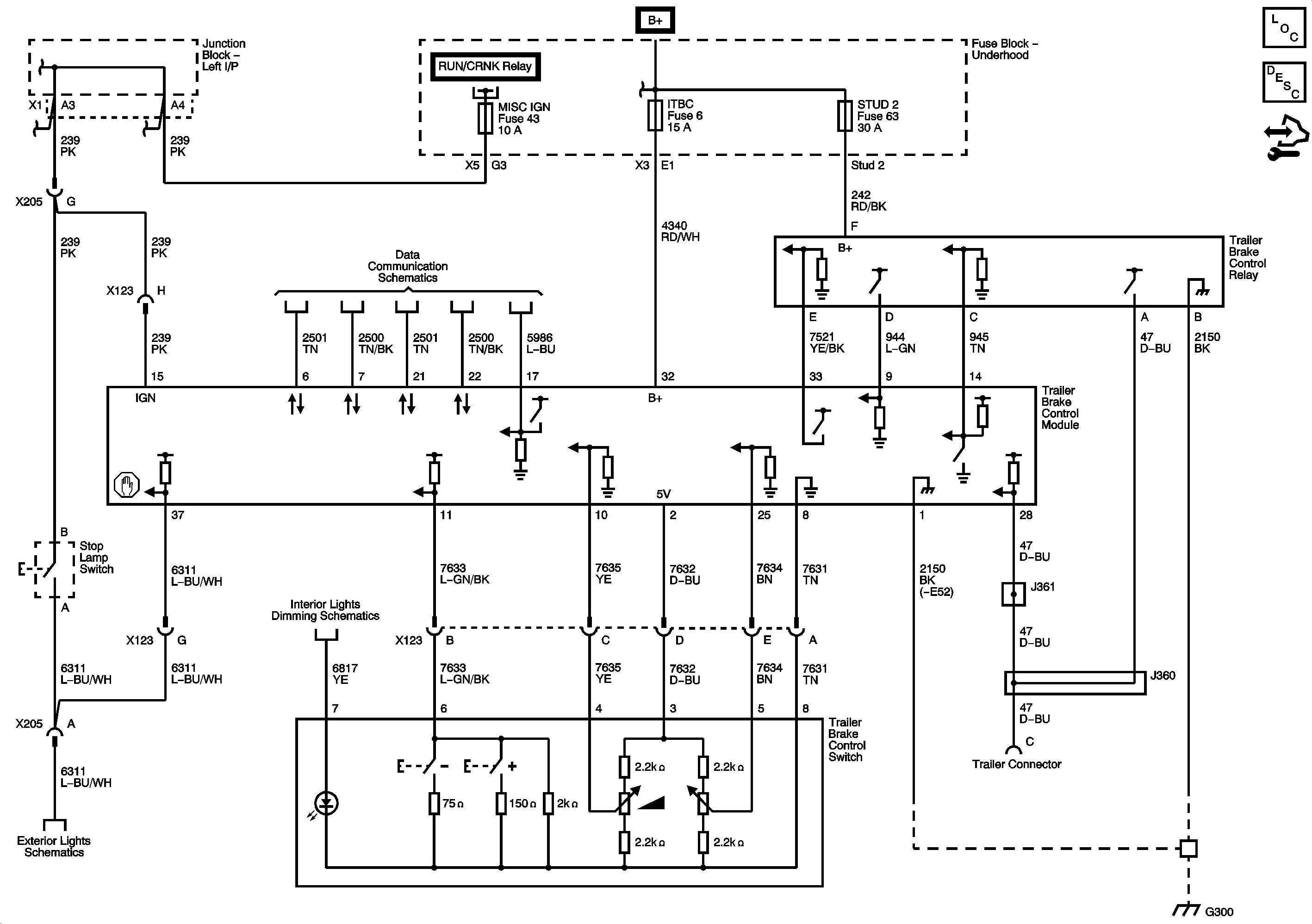
Figure
2:
Trailer Brake Control System - without E52