GM Service Manual Online
For 1990-2009 cars only
Makes
🢒
Chevrolet
🢒
2009
🢒
Chevy Suburban - 4WD
🢒
Diagnostic Navigation
🢒
Vehicle Diagnostic Information
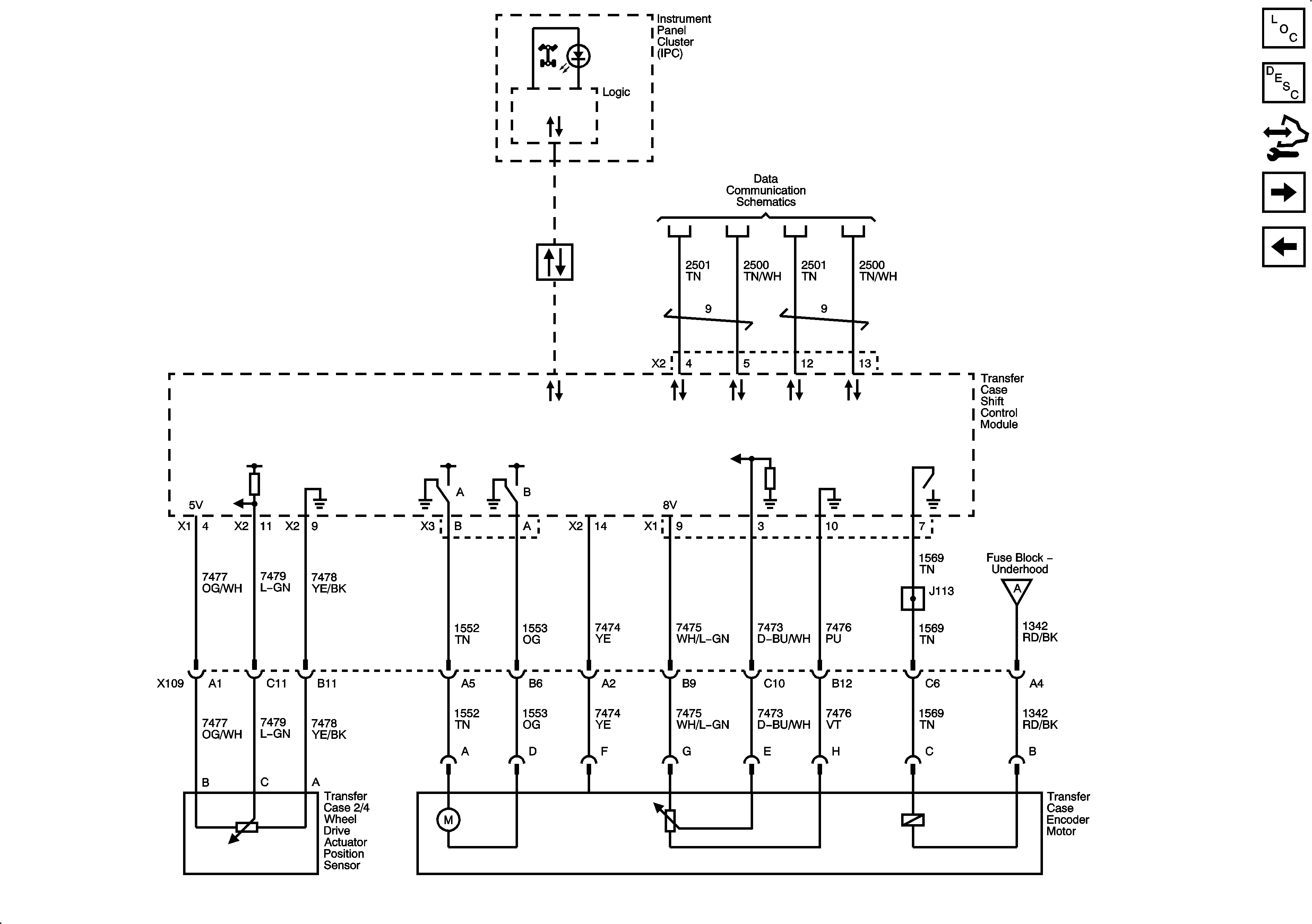
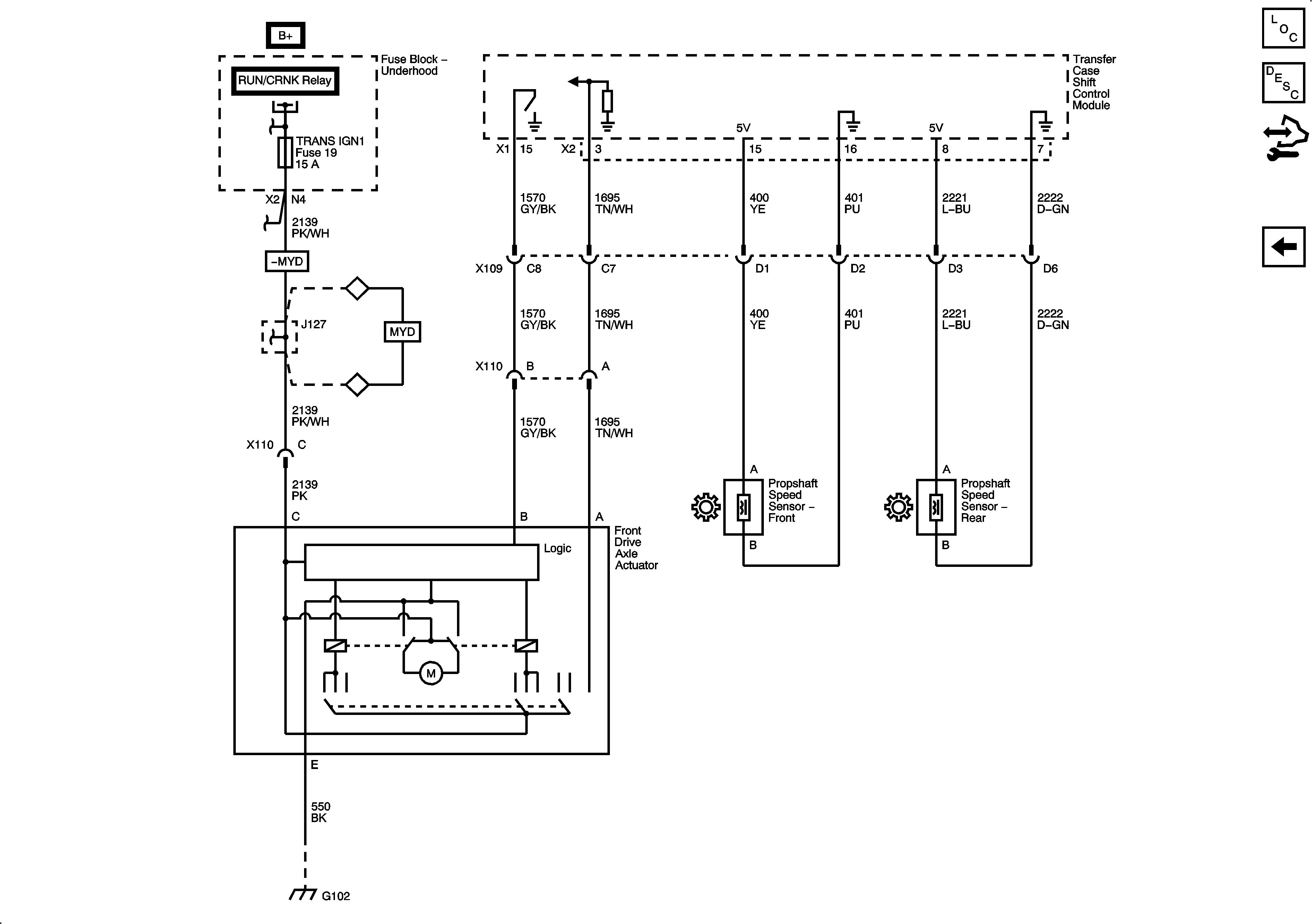
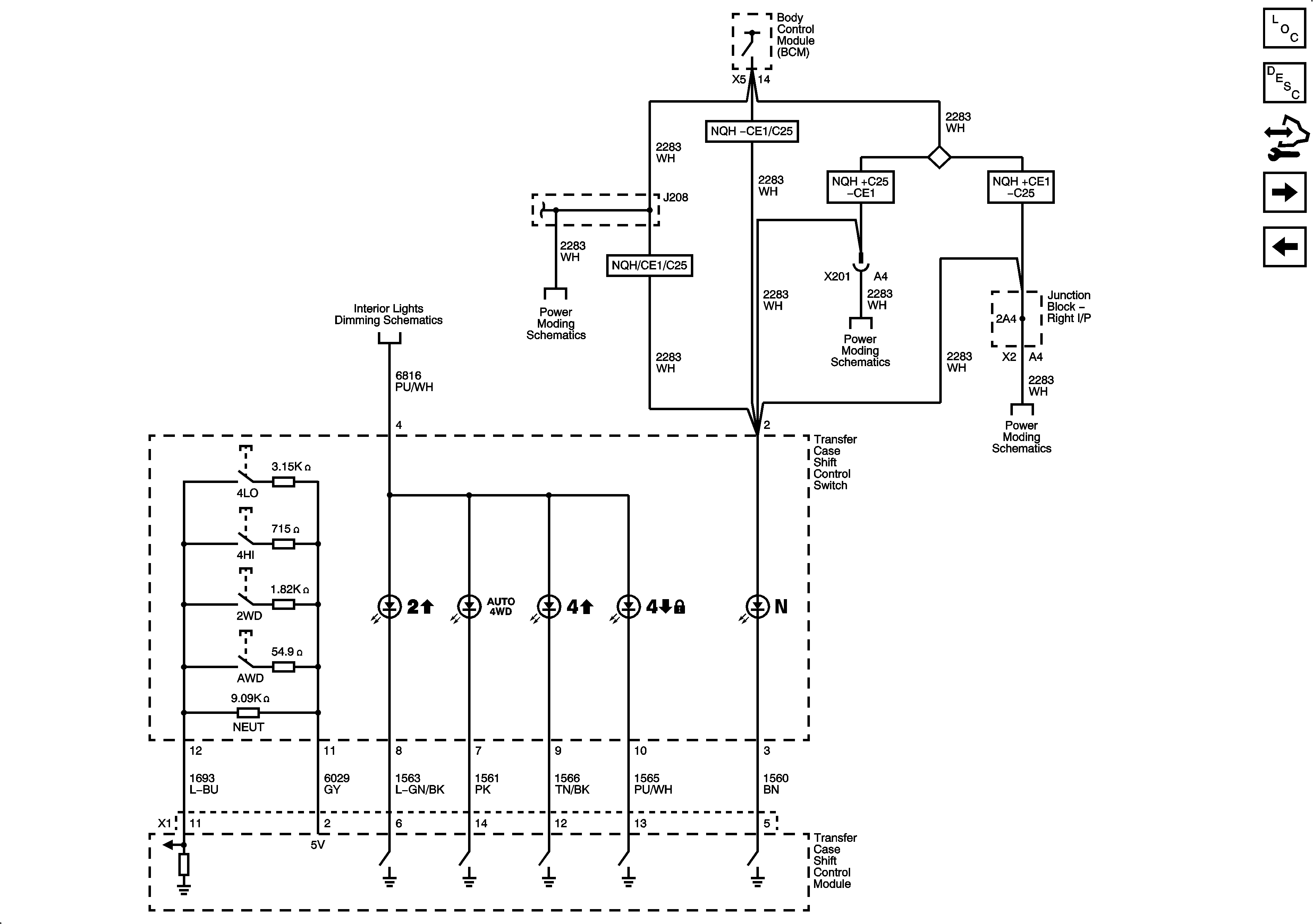
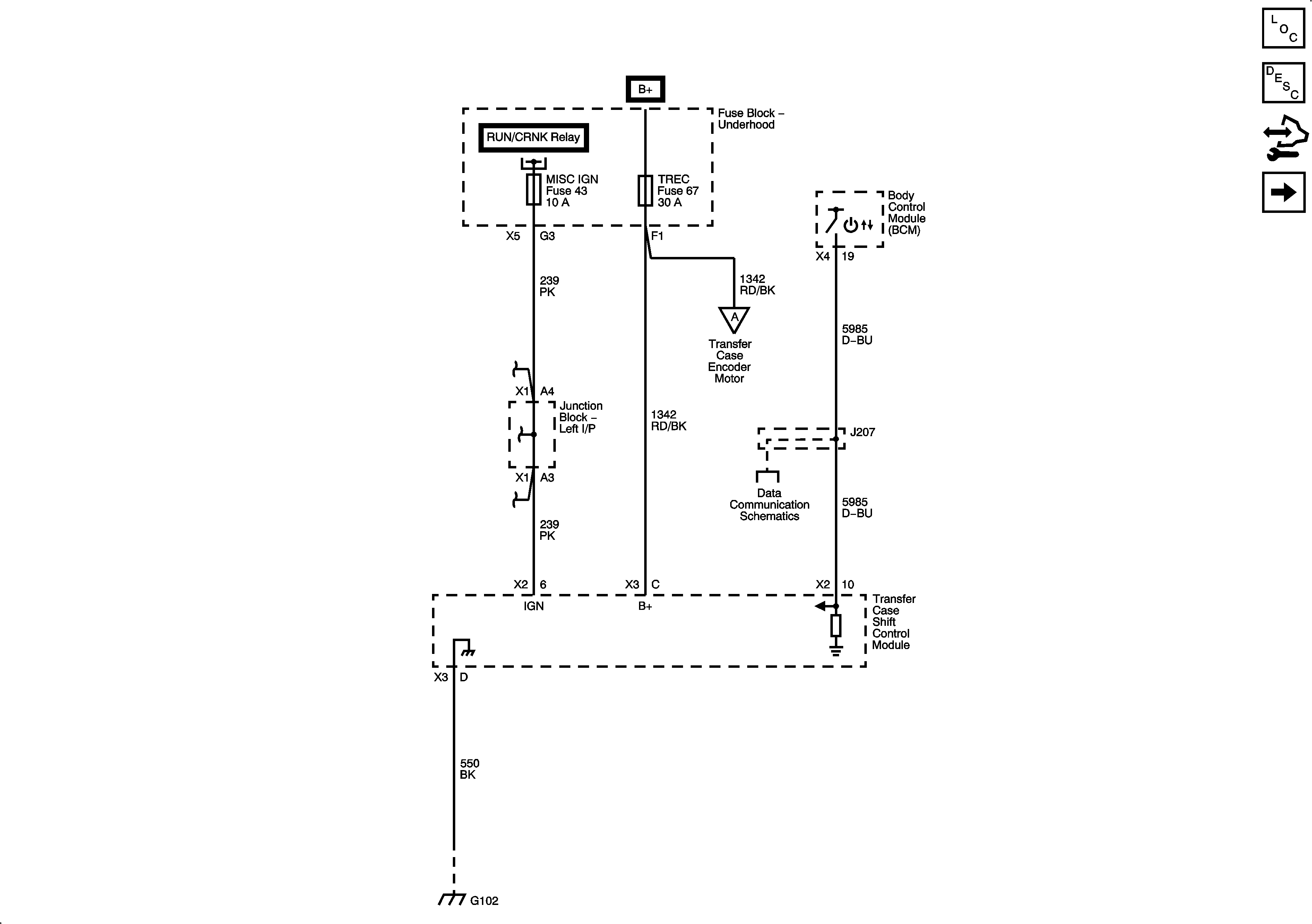
🢒 Transfer Case Control Schematics
Figure
1:
Power and Ground
Figure
2:
Shift Control and Indicators
Figure
3:
Encoder Motor and Serial Data
Figure
4:
Front Axle Actuator and Speed Sensors