GM Service Manual Online
For 1990-2009 cars only
Makes
🢒
Chevrolet
🢒
2009
🢒
Chevy Suburban - 4WD
🢒
Diagnostic Navigation
🢒
Vehicle Diagnostic Information
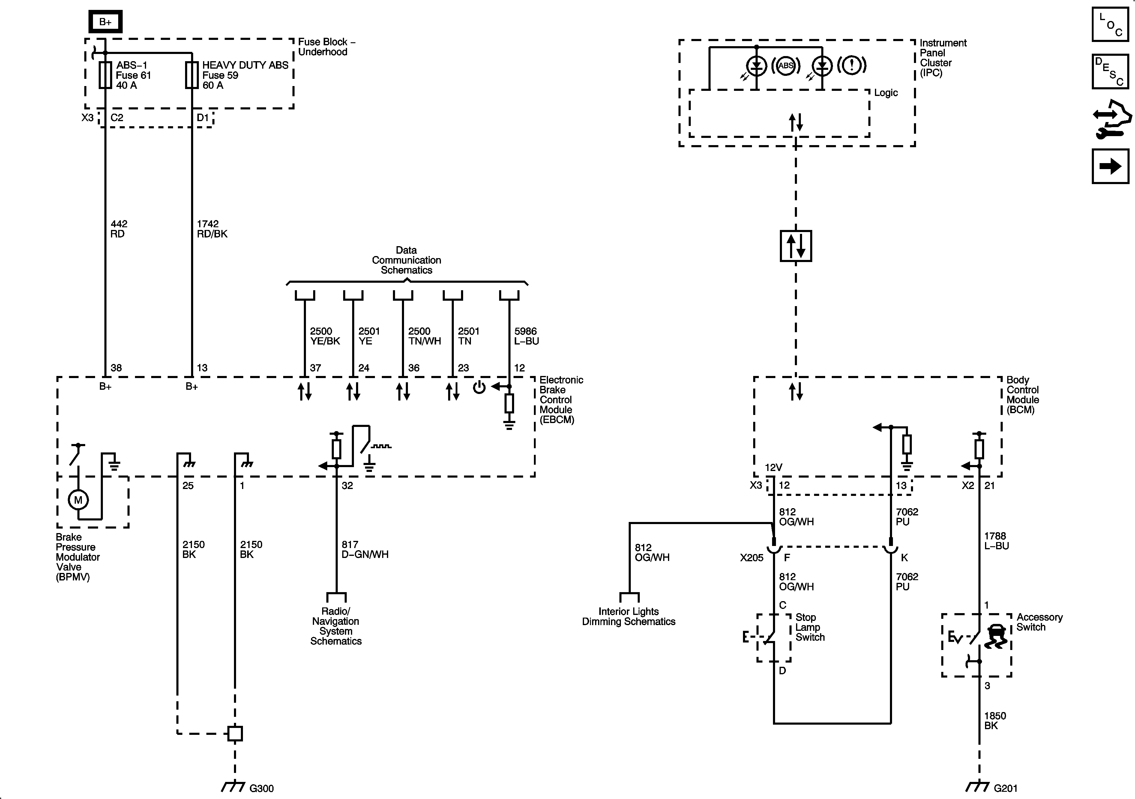
🢒 Antilock Brake System Schematics
Figure
1:
Module Power, Ground, and Serial Data, Pump Motor and Brake Switch - JH6 Over 8600 GVW
Figure
2:
JH6 Over 8600 GVW