GM Service Manual Online
For 1990-2009 cars only
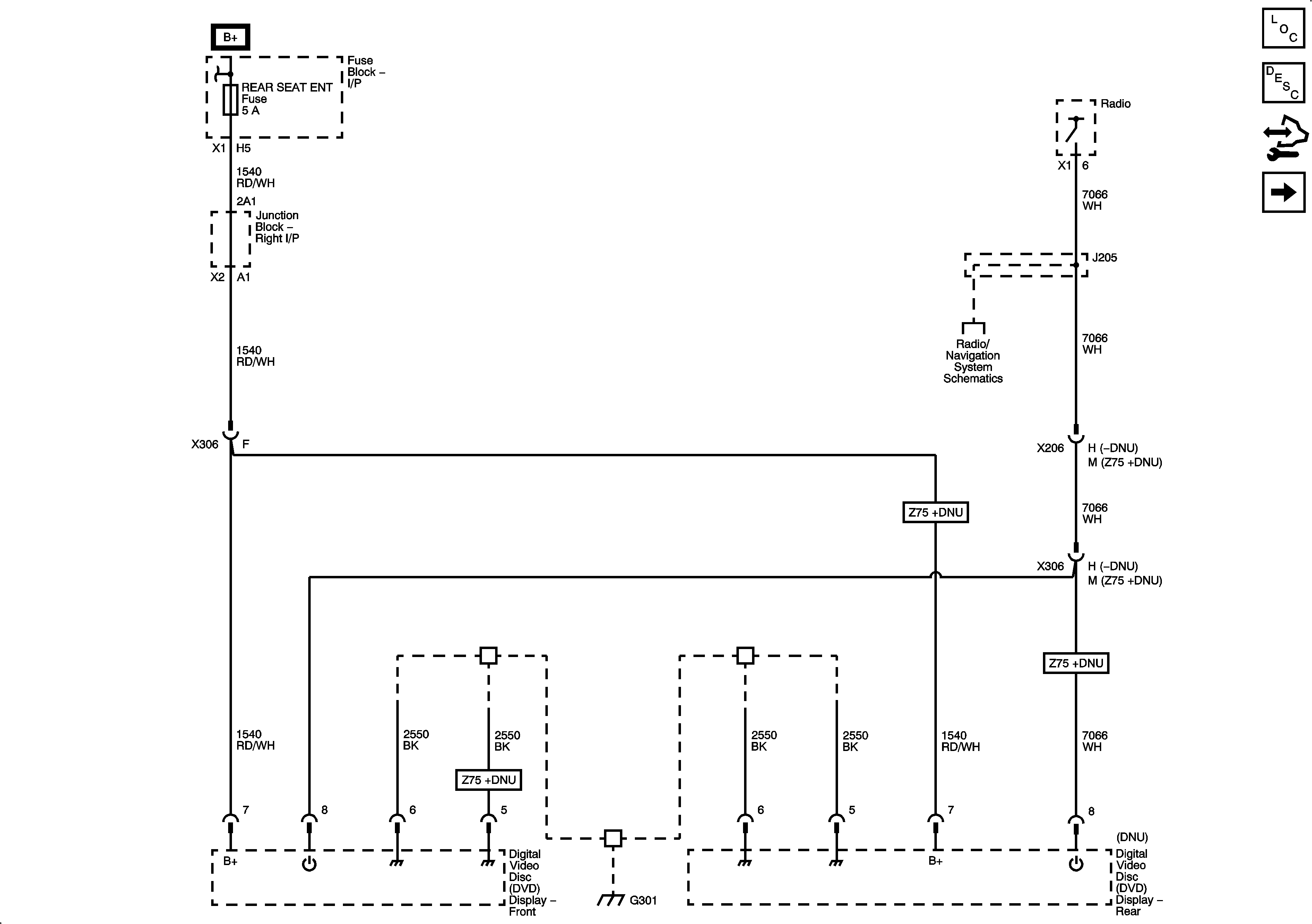
Figure 1:

Display Power and Ground


Object Number: 2075479  Size: FS
Figure 2:

Video Signals


Object Number: 2075482  Size: FS
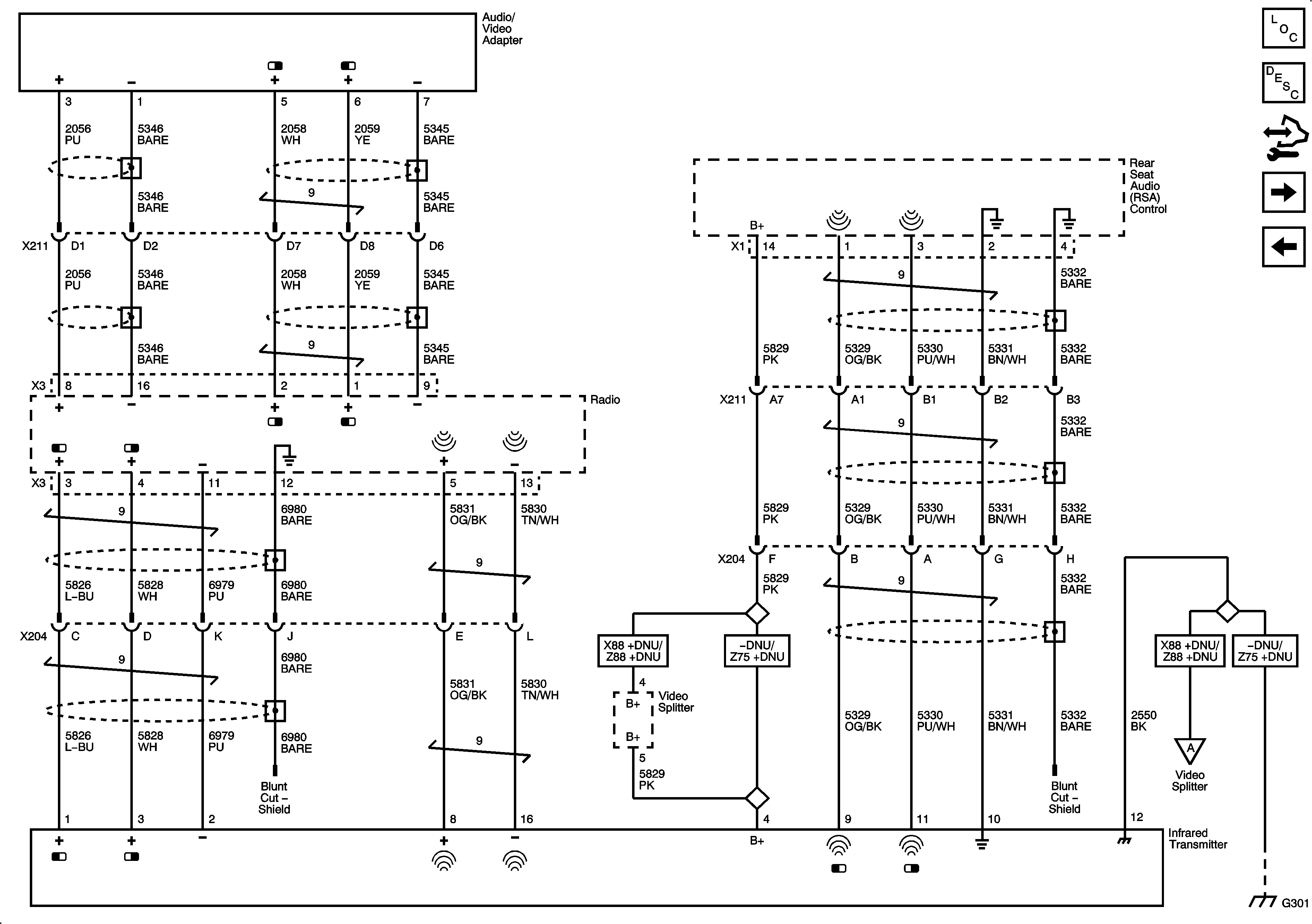
Figure 3:

Audio Signals


Object Number: 2075484  Size: FS
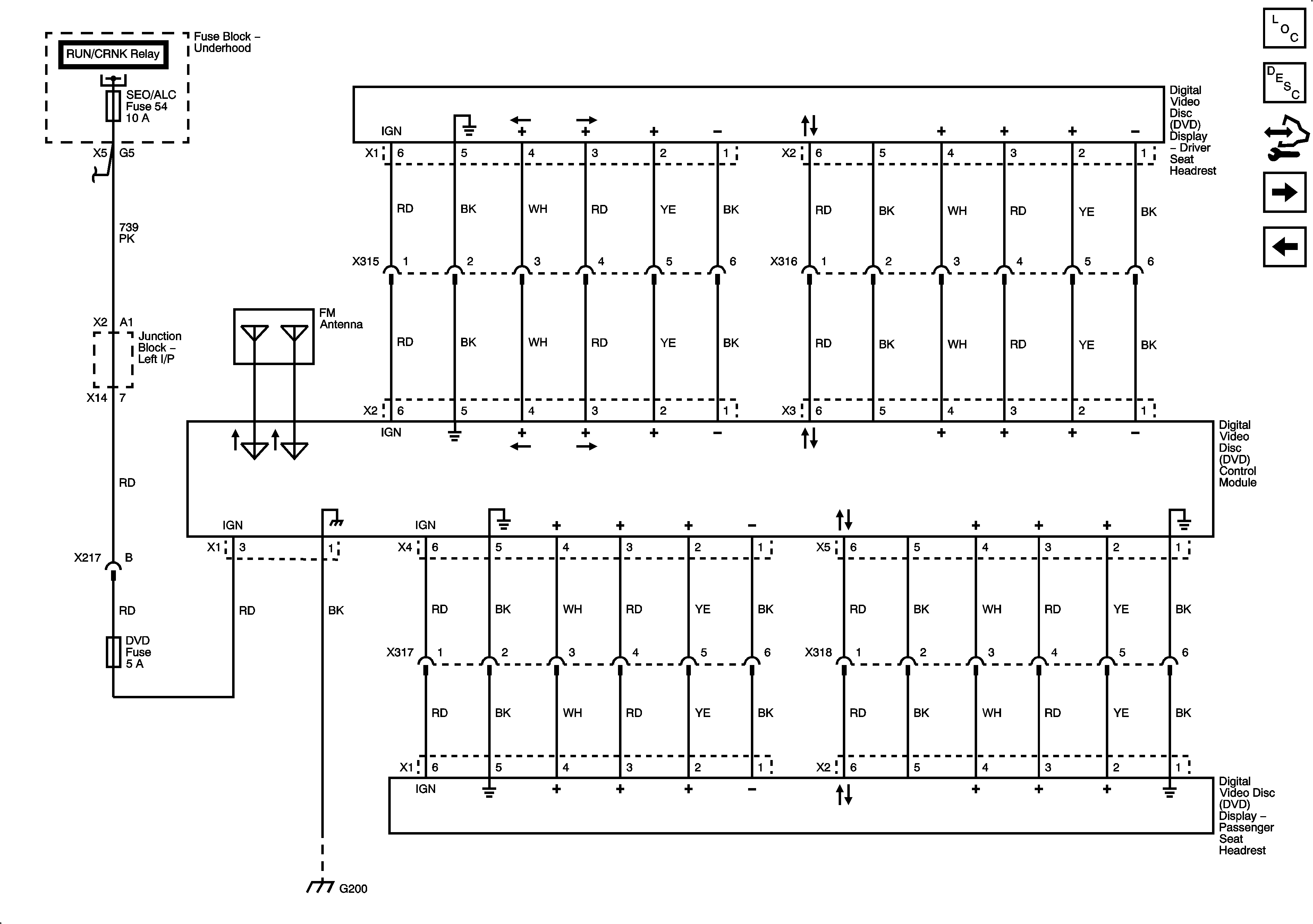
Figure 4:

Dual DVD Headrest System


Object Number: 2075486  Size: FS