GM Service Manual Online
For 1990-2009 cars only
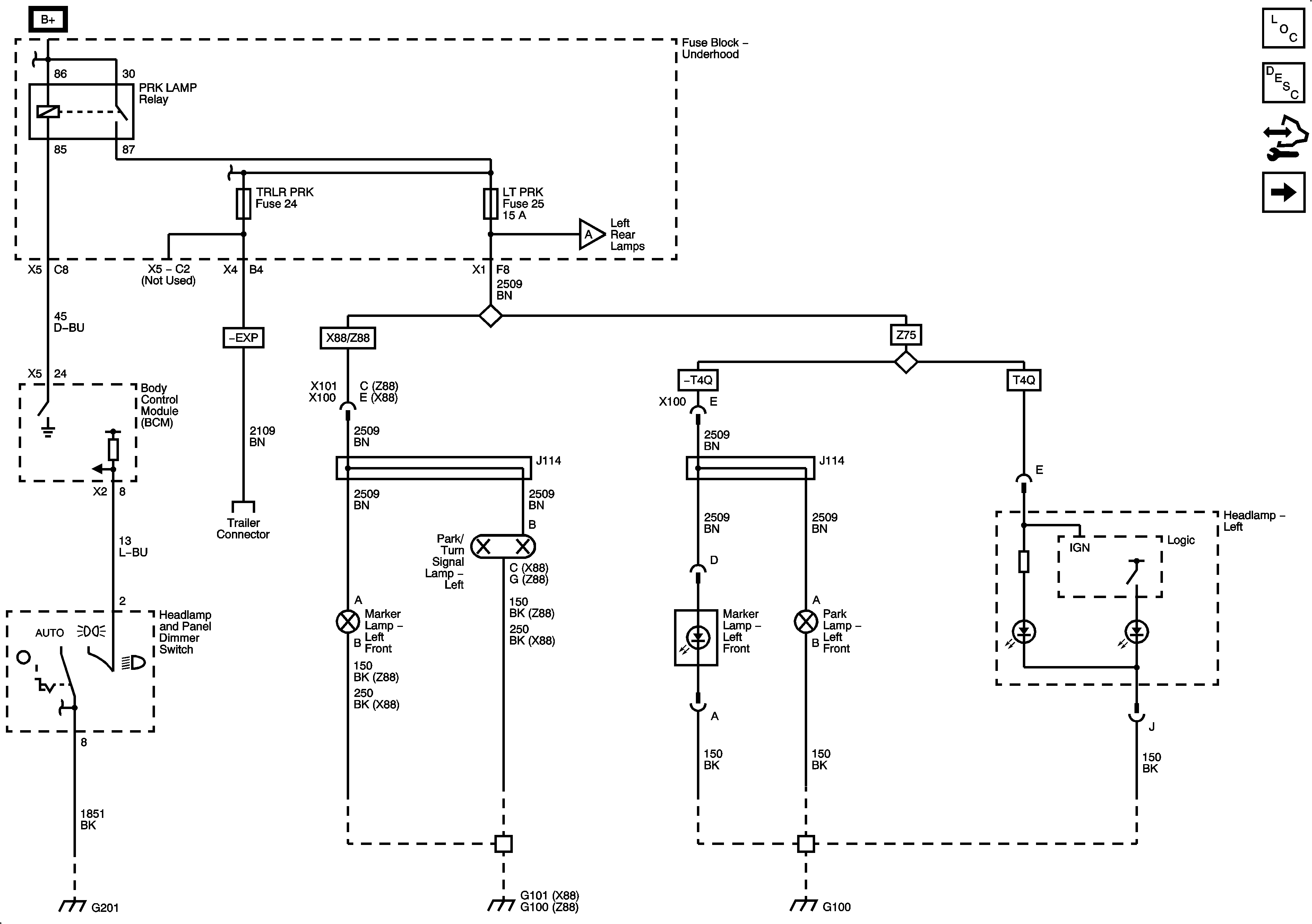
Figure 1:

Park Lamp Controls and Front Park Lamps


Object Number: 2075147  Size: FS
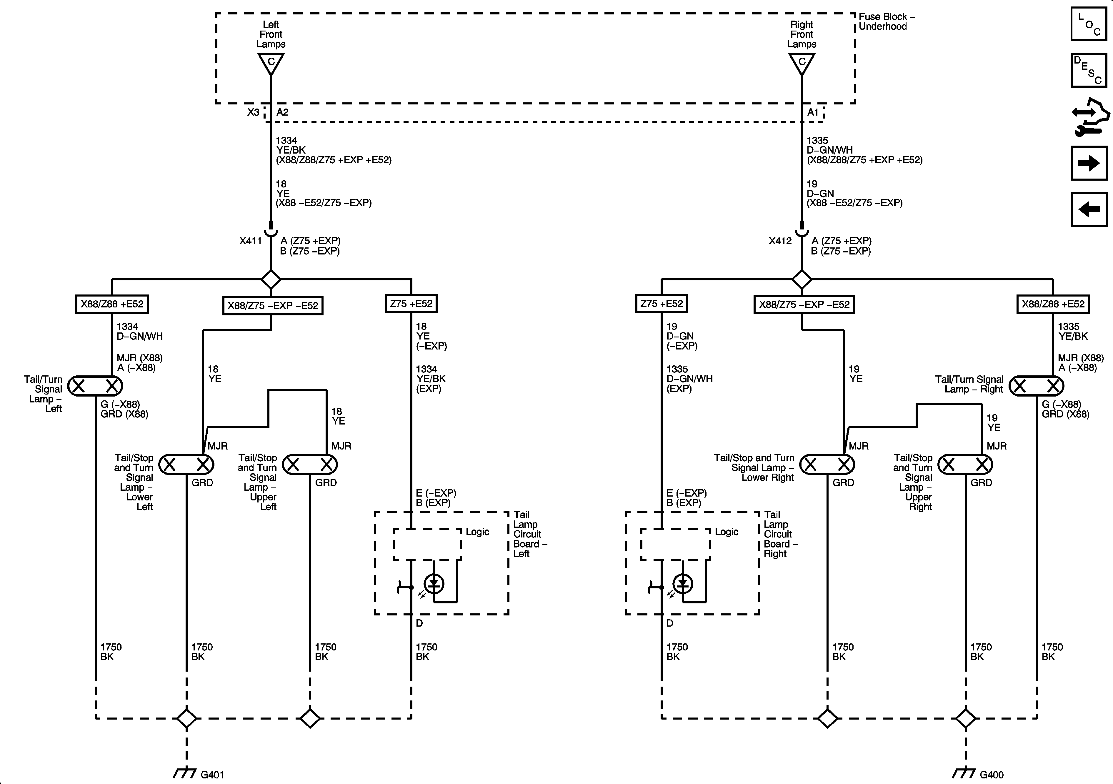
Figure 2:

Left Rear Park Lamps and License Lamps


Object Number: 2075149  Size: FS
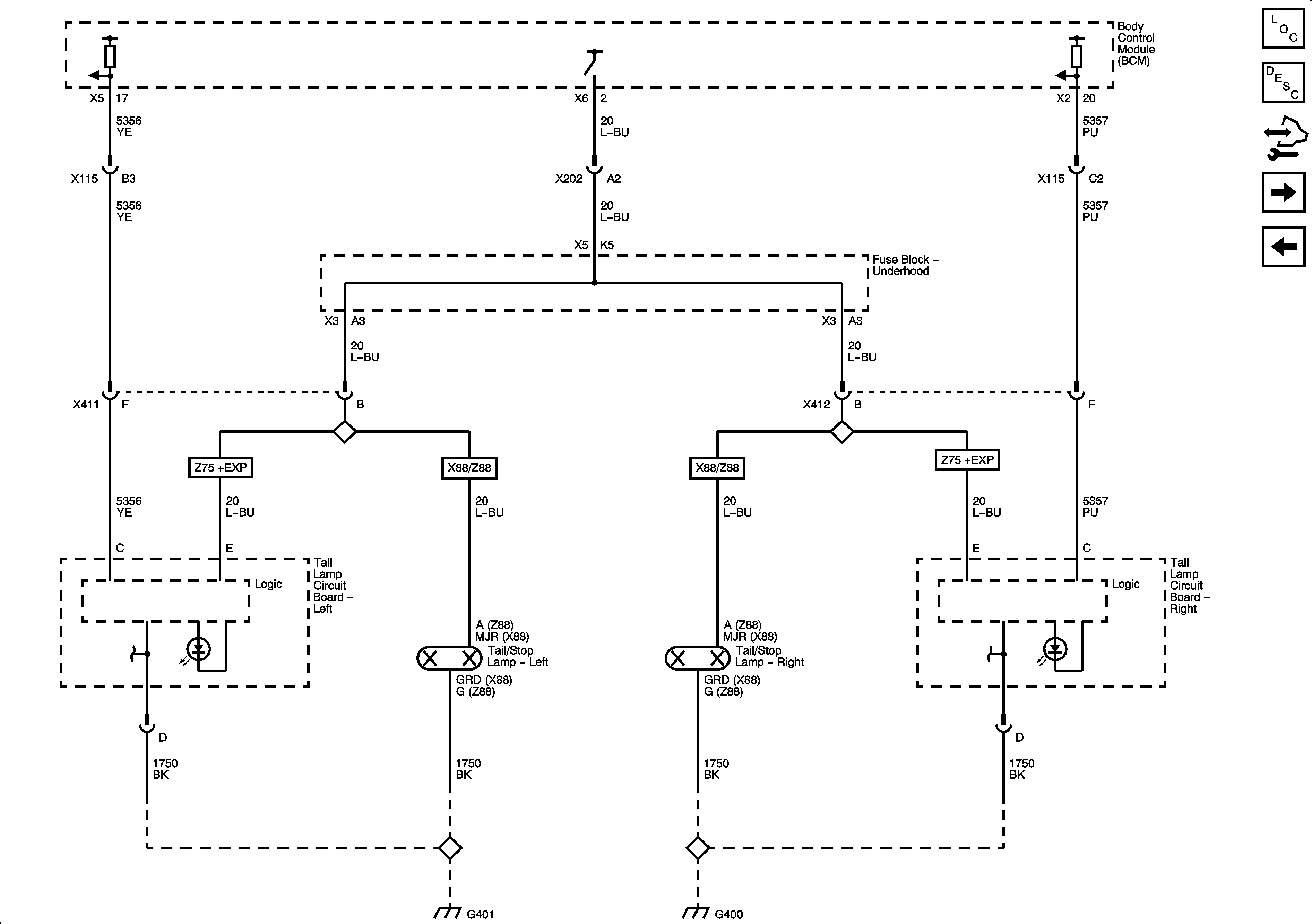
Figure 3:

Right Rear Park Lamps


Object Number: 2075151  Size: FS
Figure 4:

Exterior Illumination Lamps


Object Number: 2075154  Size: FS
Figure 5:

Turn Signal Controls


Object Number: 2075156  Size: FS
Figure 6:

Front Turn Signal Lamps


Object Number: 2075159  Size: FS
Figure 7:

Rear Turn Signal Lamps


Object Number: 2075162  Size: FS
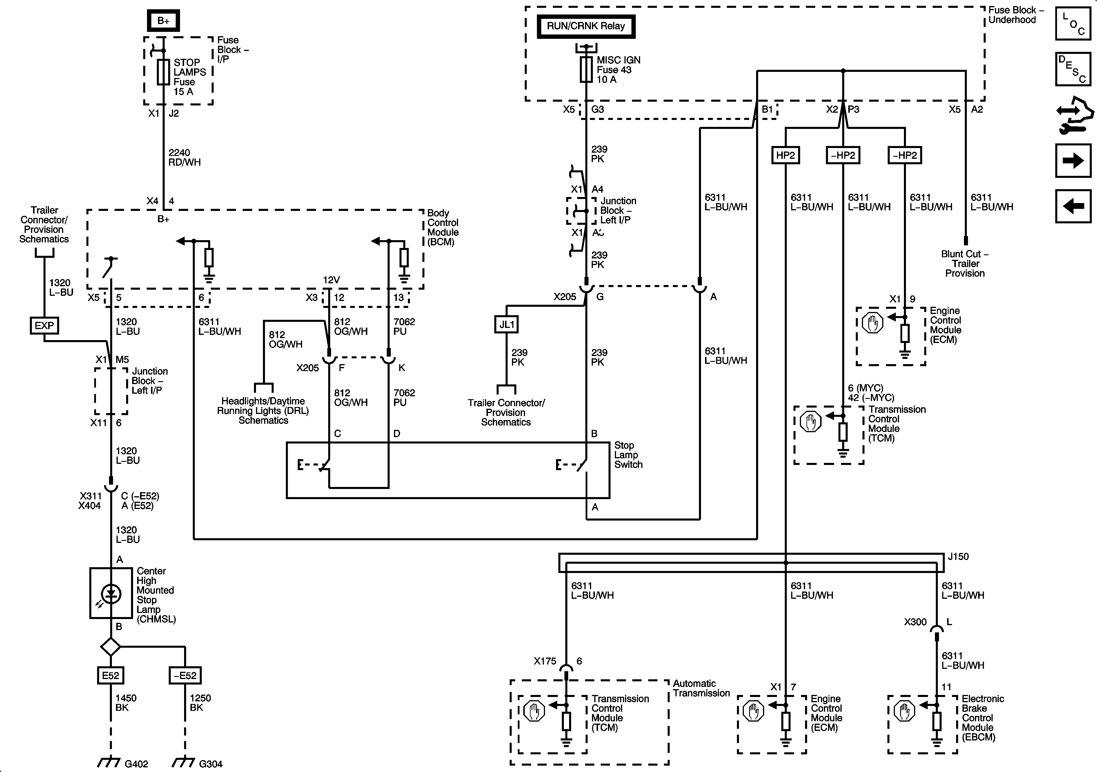
Figure 8:

Stop Lamp Controls and CHMSL


Object Number: 2075168  Size: FS
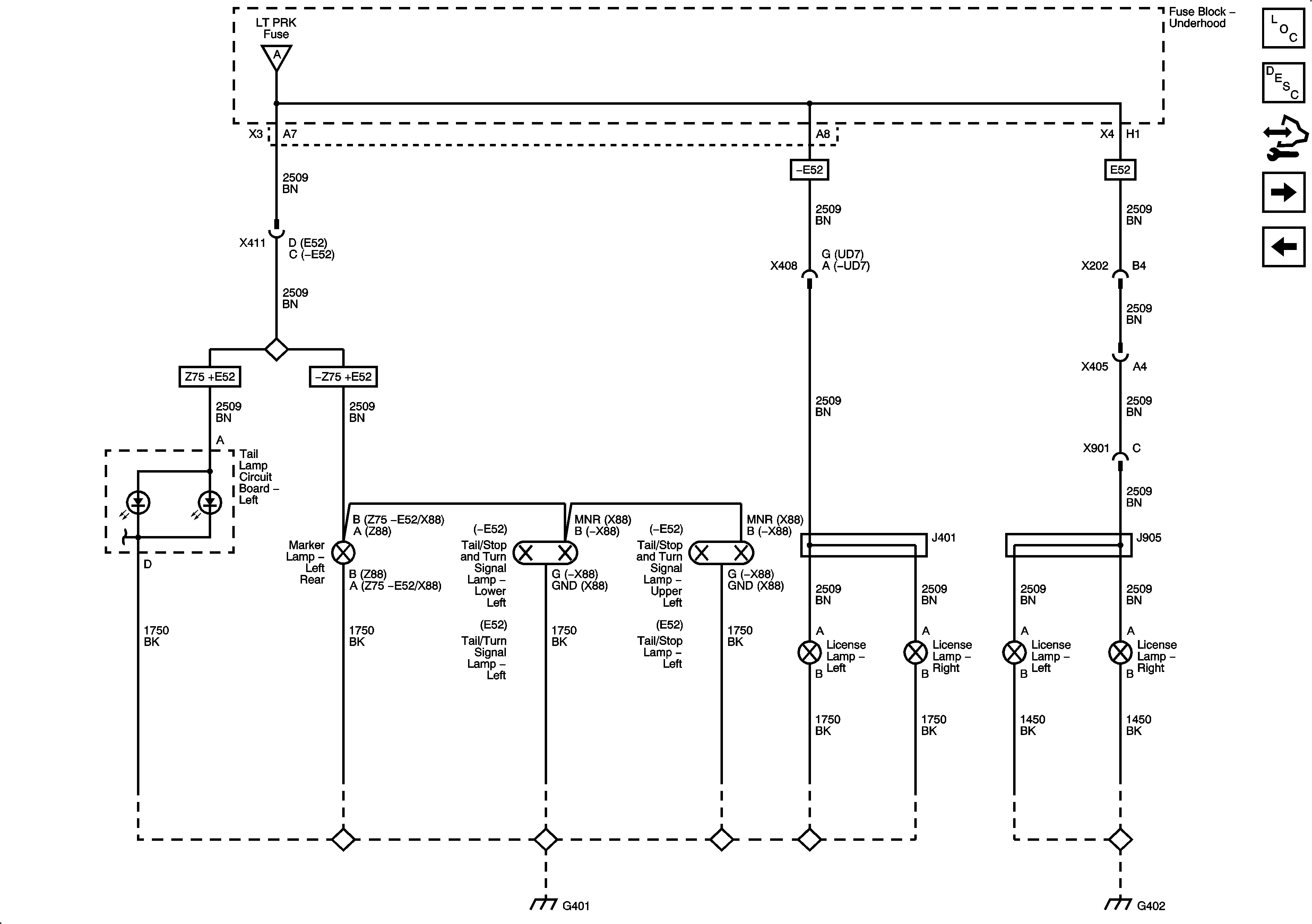
Figure 9:

Stop Lamps - X88/Z88 and Export Z75


Object Number: 2075170  Size: FS
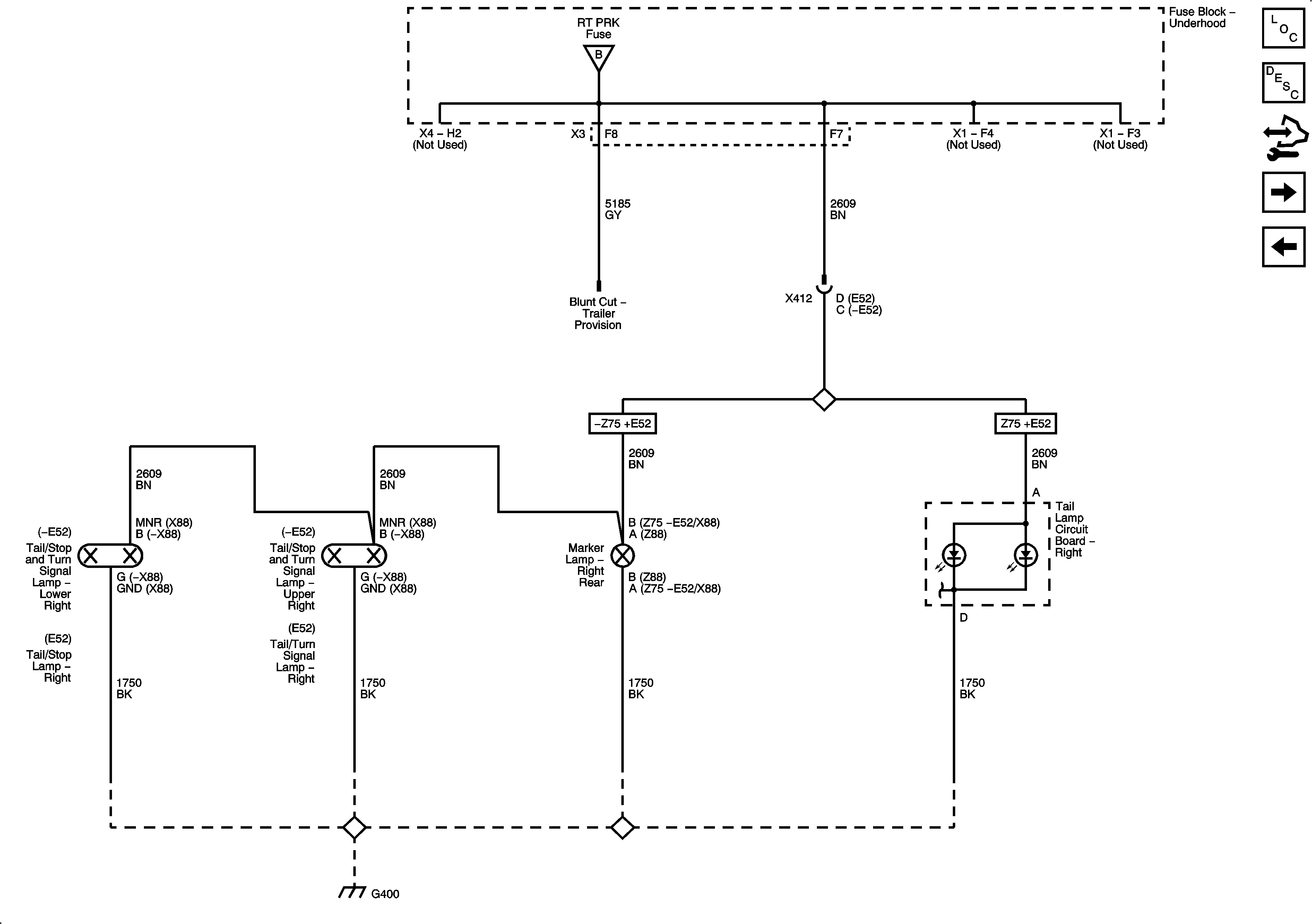
Figure 10:

Stop Lamps - Domestic Z75


Object Number: 2075172  Size: FS
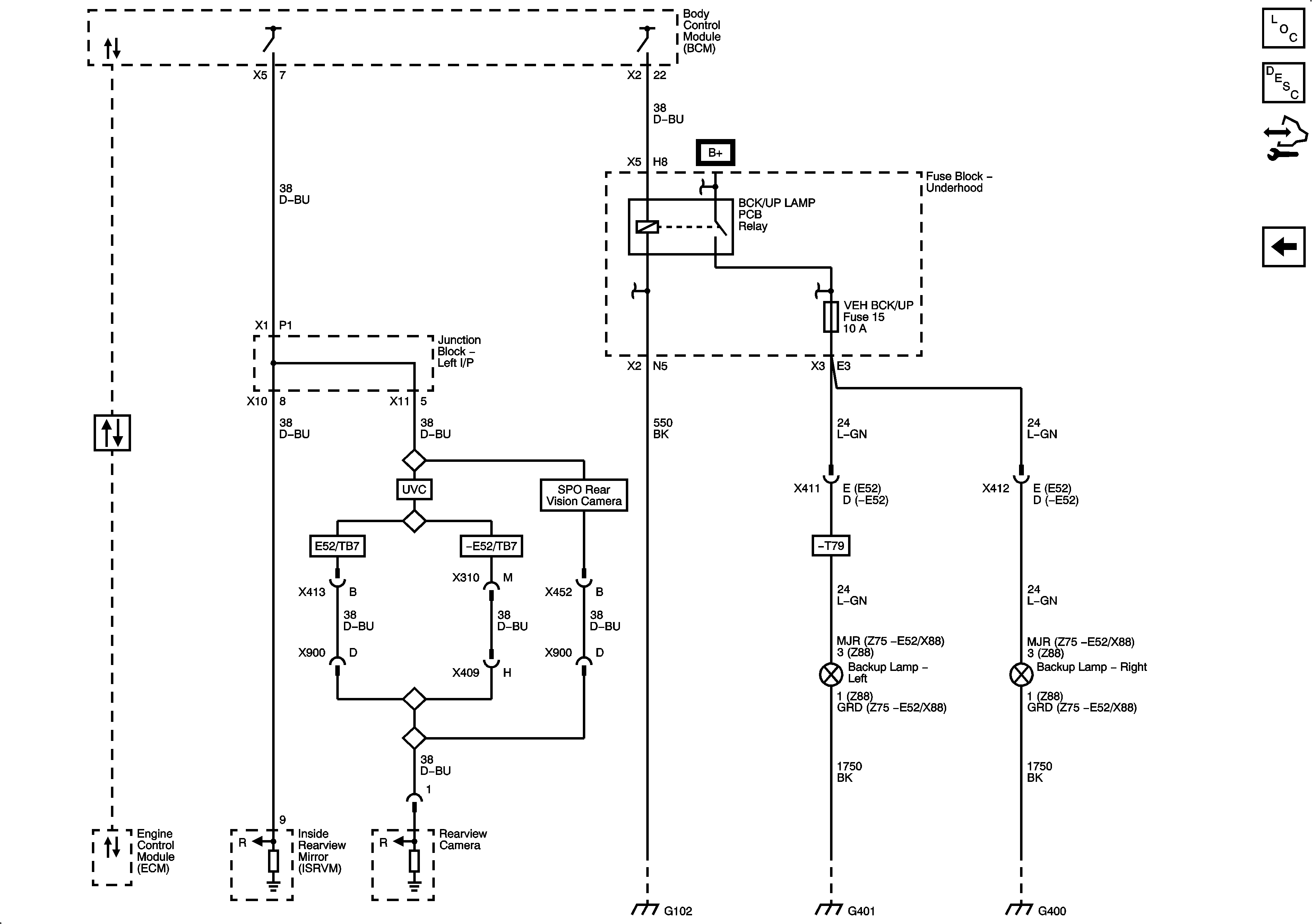
Figure 11:

Backup Lamps


Object Number: 2075175  Size: FS